Friday, December 19th, 2025 AT 8:05 AM
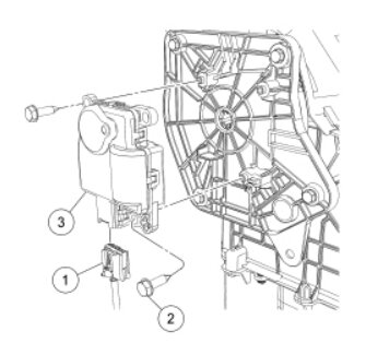
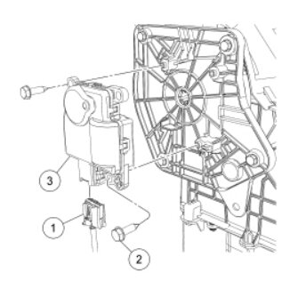
Heat and air only blow from vents and floor no defrost at all I hear clicking on passenger side floor, can feel it on the actuator on bottom of plenum on motor. What actuator is this and isn’t mode door actuator on driver side near gas pedal?


