Headlights working sporadically

Tiny
CINDY MAY
  • MEMBER
  • 2005 DODGE CARAVAN
  • 113,000 MILES
Headlamps working sporadically sometimes they'll come on sometimes they won't. Cannot find fuse for headlamp relay in the fuse box. Only find fog lamp relay and fuses for the lights. Where is the relay for the headlamp?
Thursday, May 2nd, 2019 AT 10:26 AM

1 Reply

Tiny
CARADIODOC
  • MECHANIC
  • 34,490 POSTS
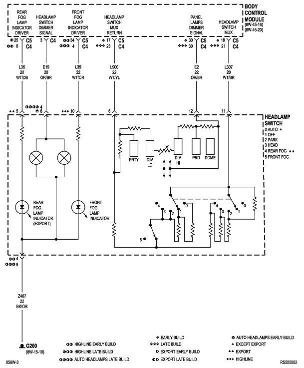
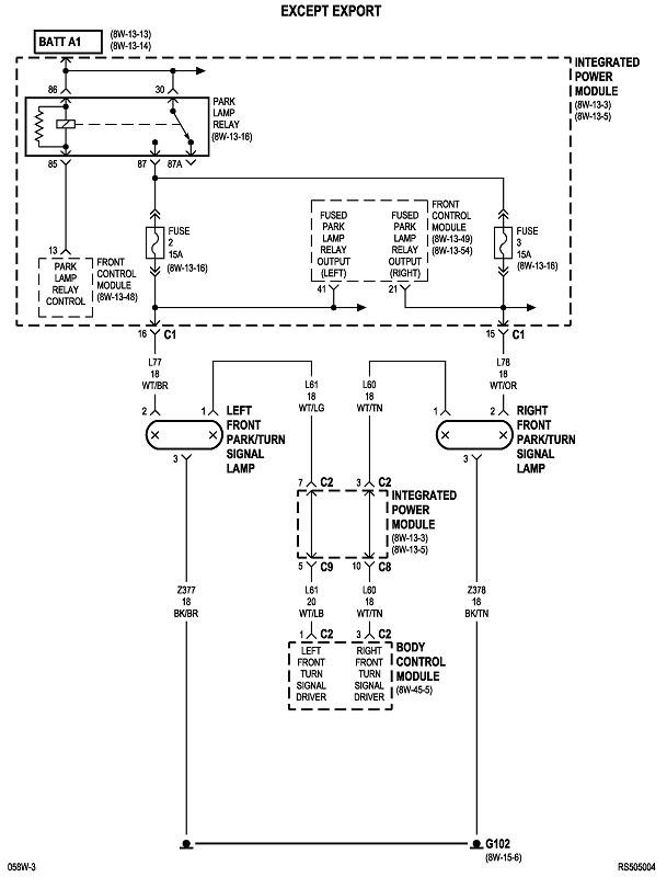
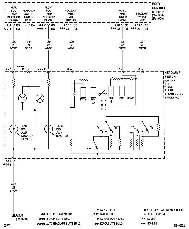
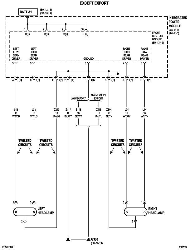
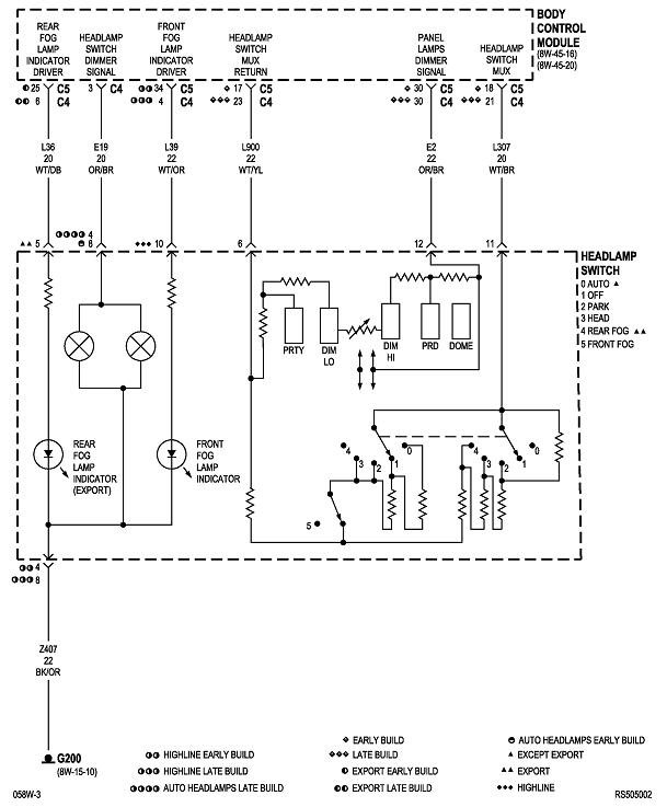
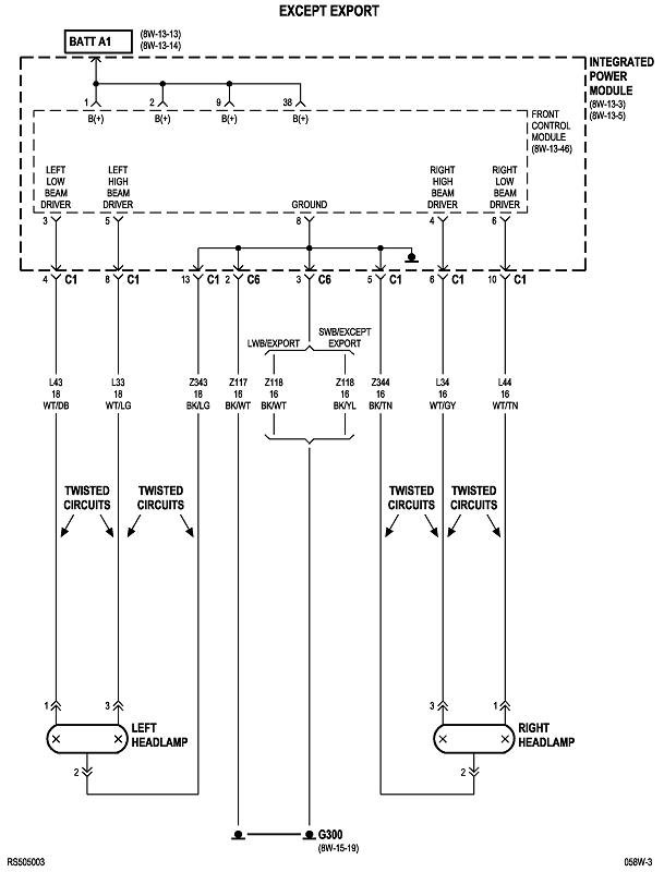
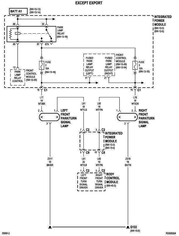
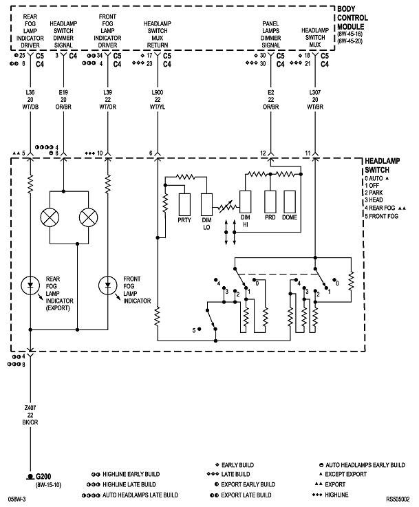
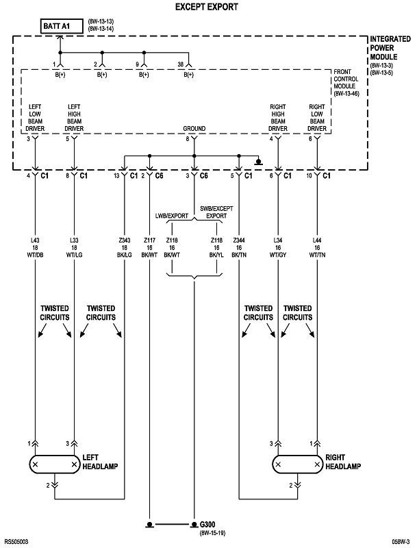
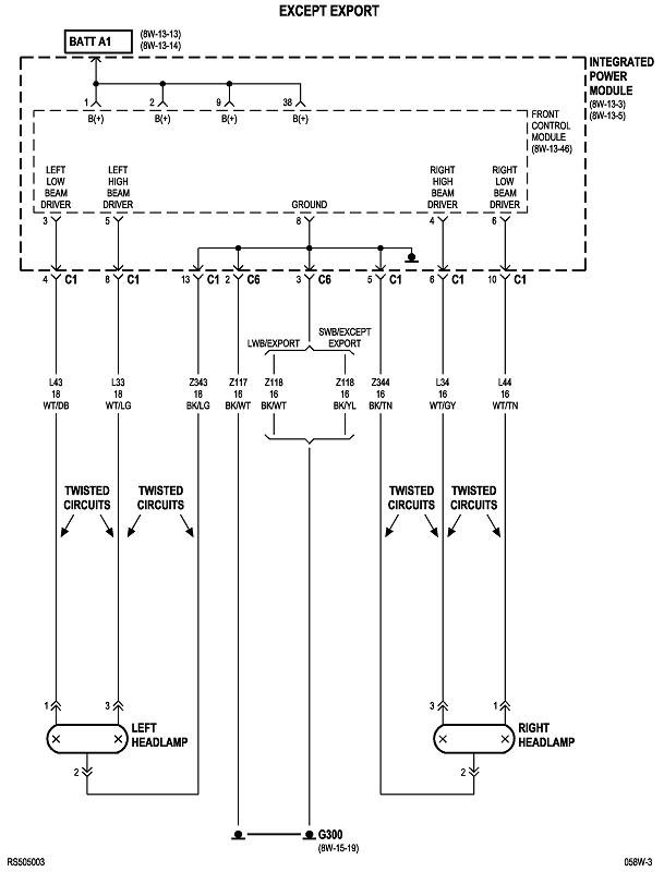
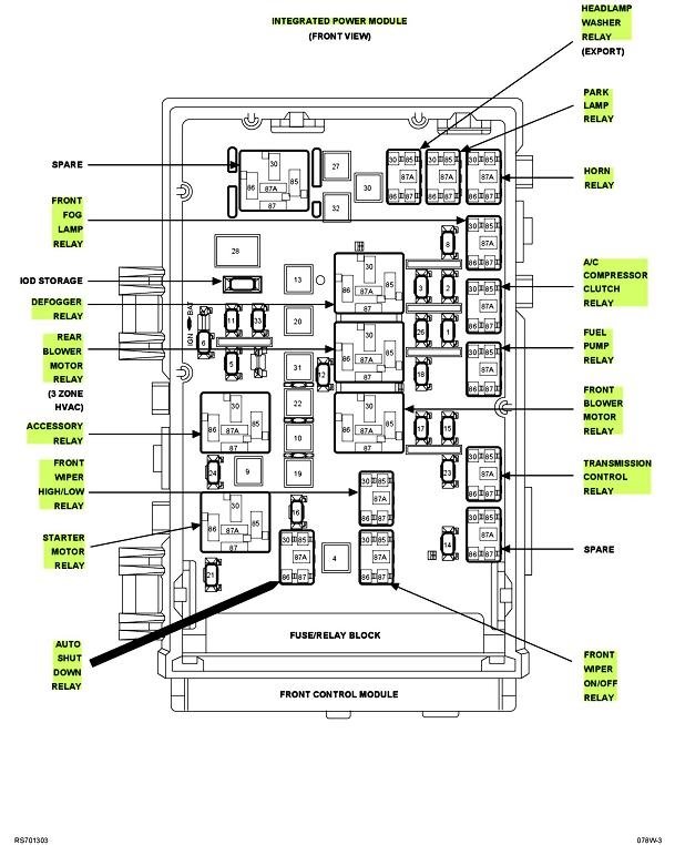
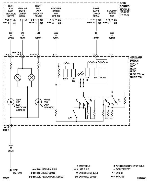
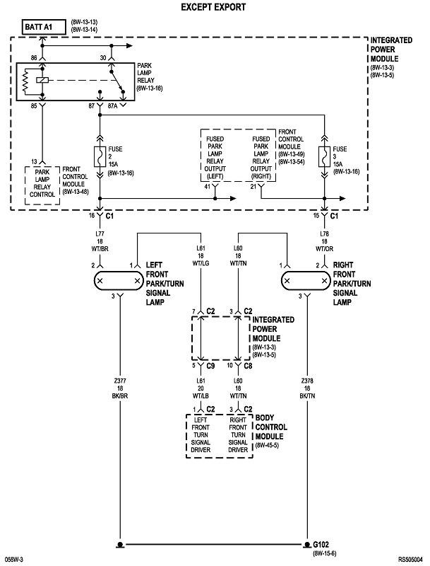
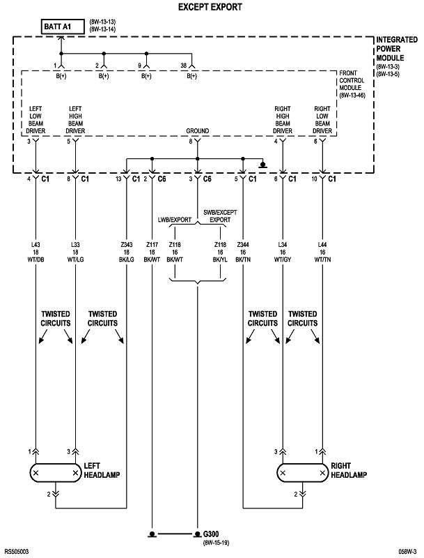
The engineers couldn't figure out how to run the headlights without using two computer modules. As such, diagnosis is almost impossible without using a scanner to see what those computers are seeing and responding to. In this case, we can make a few generalizations based on the symptoms and observations you see. In the first diagram, the headlight switch is an input to the Body Control Module. That module sends a variable voltage to the Integrated Power Module in the second diagram. That's the fuse box under the hood. That module has four separate driver circuits, one for each low beam and one for each high beam head light.

Given there's four independent driver circuits for the lights, it is not likely all four of them would develop the same problem at the exact same time. Instead, one circuit would fail by itself, then just one of the four head lights would be intermittent or dead.

If you see both low beams and / or both high beams go off at the same time, we need to look at what they have in common. That would be the headlight switch and the Body Computer. In the past, the headlight switch passed all the high current to the lights. That could be over 15 amps, so the switch contacts often overheated and became arced or pitted. The switch also had a built-in auto-resetting thermal circuit breaker, and its contacts also caused frequent problems. On your van, while the circuit has been complicated unnecessarily, the headlight switch is just an input to the Body Computer. As such, there is very little current going through it, so failures are much less common.

Even though switch failures are very low, we need a scanner to view "Inputs / Outputs" for the Body Computer. The headlight switch will be listed as "On" or "Off". If you see "Off" when in fact, you have the switch turned on, the switch itself would be the first suspect. If the switch is listed as "On", but the head lights aren't on, the next step would be to look at the "Inputs / Outputs" under the Integrated Power Module. That will show if the Body Computer is seeing the head light "request" signal and transmitting that over the data buss to the Integrated Power Module.

To boil this down, the Body Computer sees what you want based on the position of the head light switch, it tells the Integrated Power Module, then the IPM turns on the two of the four circuits requested. The digital message is just one of hundreds from all the other computers that travel along that data buss, so instead of having just one or two wires dedicated to the circuit we're diagnosing, we have to let the scanner, (another computer), talk back and forth to those modules so we can determine where that headlight message is being lost. This is why electrical problems used to be so uncommonly easy to diagnose, and now they're so frustratingly difficult.
Was this
answer
helpful?
Yes
No
Thursday, May 2nd, 2019 AT 5:08 PM

Please login or register to post a reply.