Headlights will not turn off

Tiny
MOUNI NANGI
  • MEMBER
  • 2010 VOLKSWAGEN CC
  • 80,000 MILES
Unable to turn headlights off after ignition is turned off.
Sunday, January 5th, 2020 AT 6:49 PM

1 Reply

Tiny
KASEKENNY
  • MECHANIC
  • 18,907 POSTS
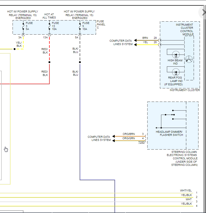
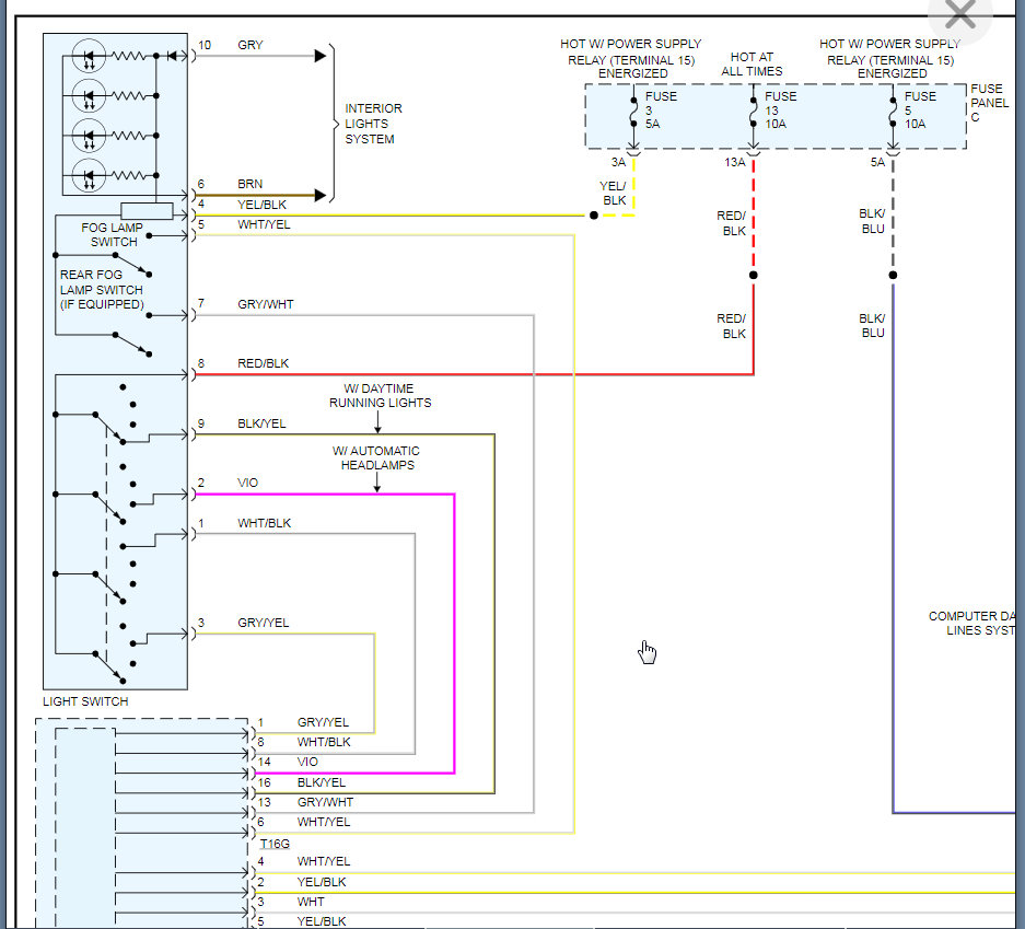
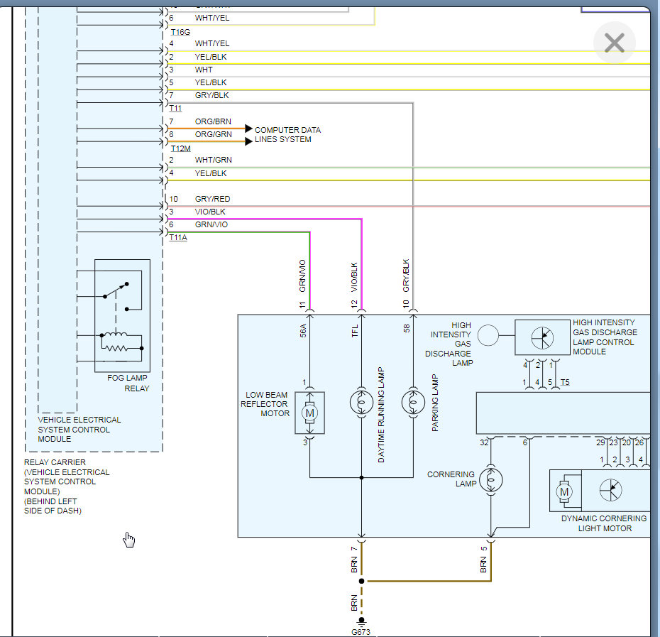
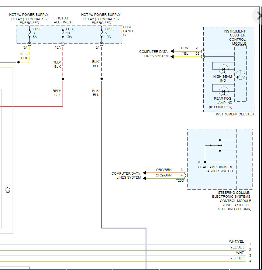
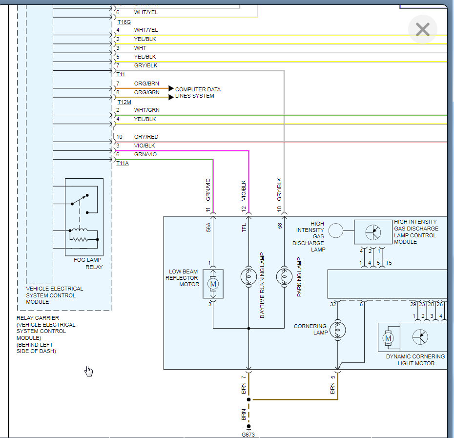
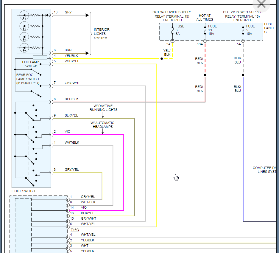
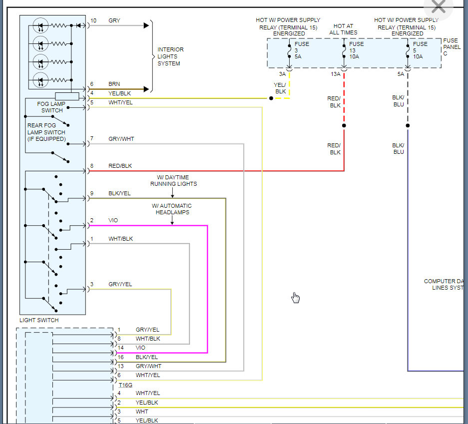
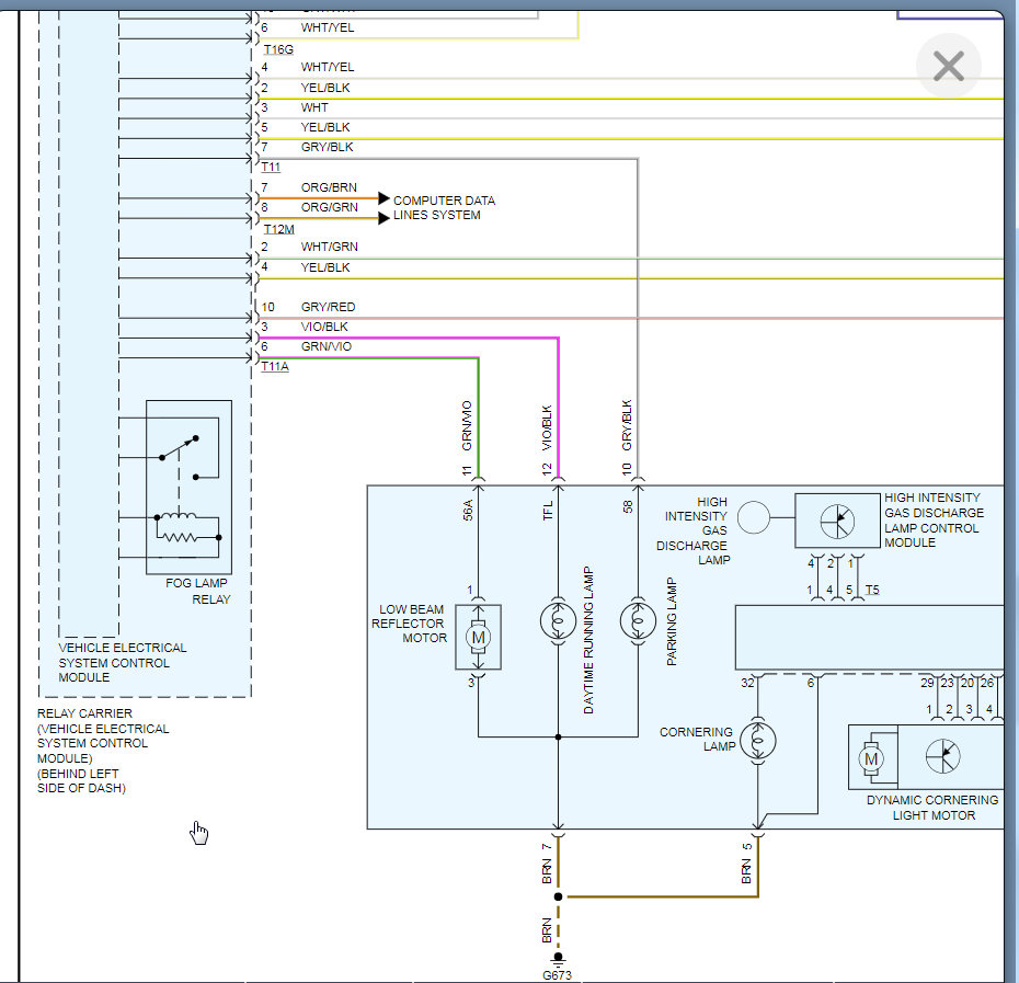
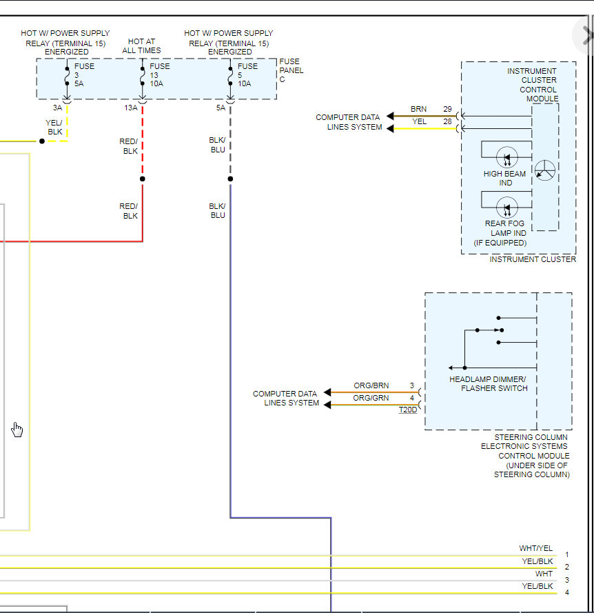
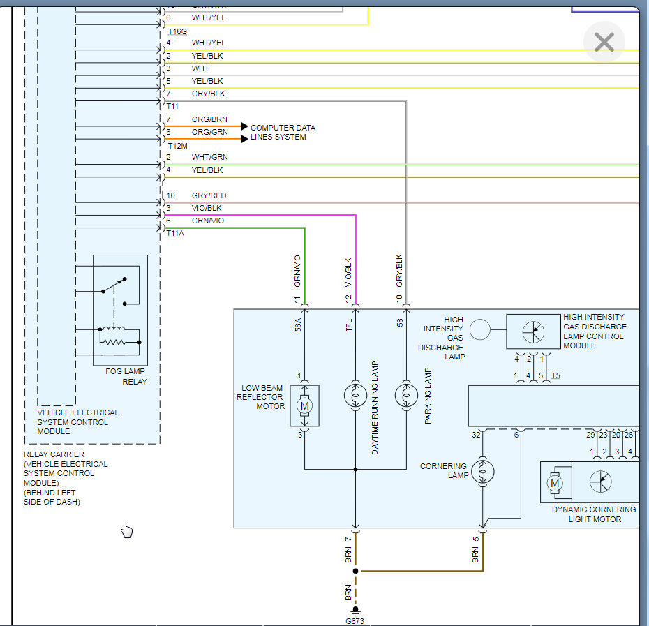
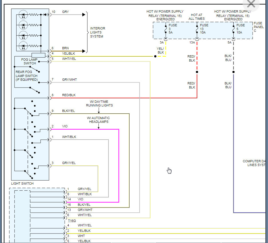
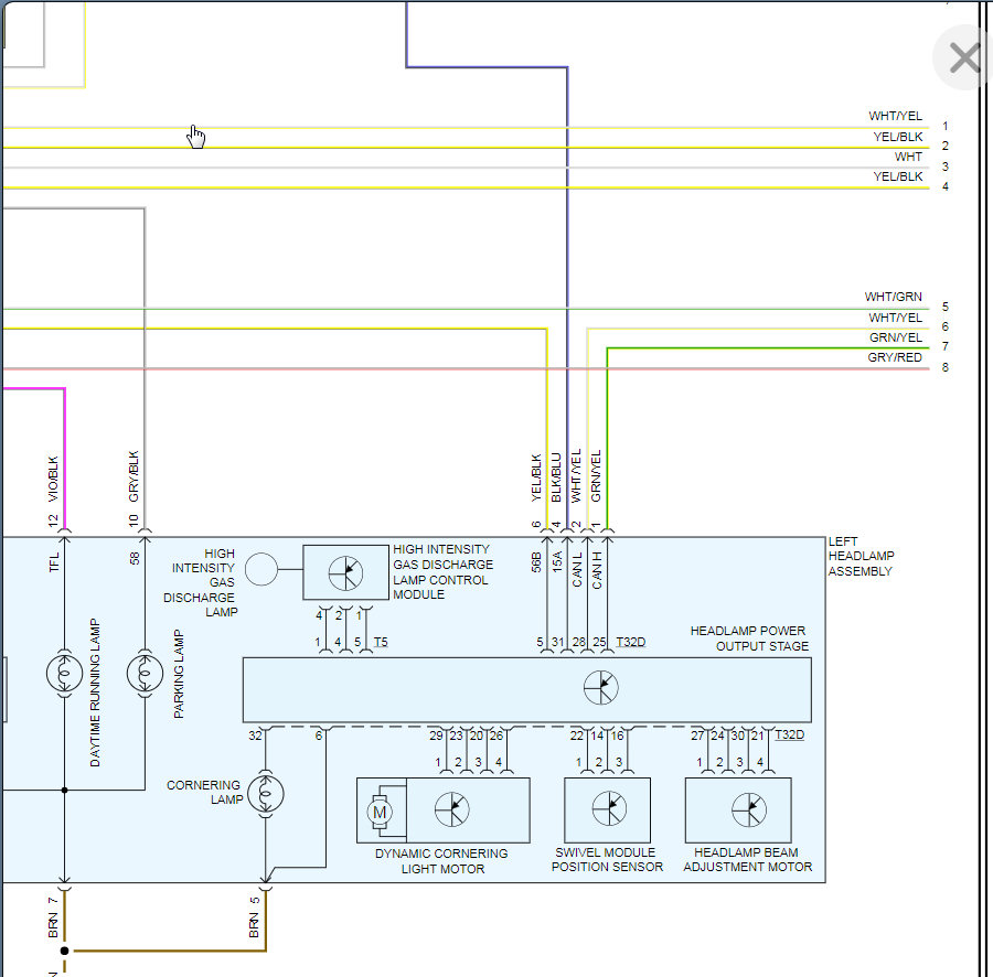
Do you have HID headlamps? If so, I attached the wiring diagram. This is more than likely a faulty switch or control module. I assume you have the switch turned off and they just remain on? If so then we need to hook up a scan tool to see what the control module is seeing as the switch state.

Let me know if you have a just normal halogen bulbs and I can send that info but the solution is most likely the same as I suspect the switch is the issue.
Was this
answer
helpful?
Yes
No
Tuesday, January 7th, 2020 AT 9:23 AM

Please login or register to post a reply.