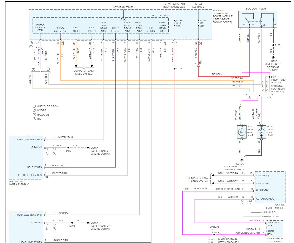
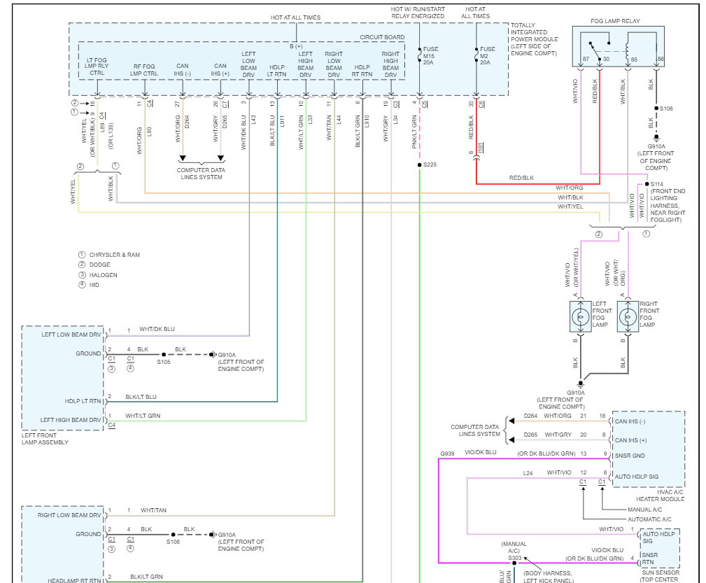
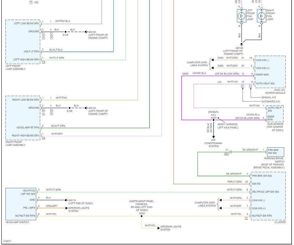
At night headlights and sometimes dash lights will go out while driving. Lights in on position, will go out for random periods. We no longer drive it after 5:00 pm.
also noted that radio/cd is acting erratic. No other electrical issues noted.
no response to mild percussion near TIPM when lights fail.
TIPM is my main suspect. Often takes up to 5 minutes driving before occurring, so a possible thermal issue is considered.
I am looking to identify schematics/ wiring diagrams for the lighting circuit and the TIPM. I have electronics skills and can do board level diagnostics and repair.
van has an aftermarket plug in remote start system that is attached directly to back of ignition switch with full connector compatibility and mfgr harness adapter that works well. Has 1 wire to running lights on light switch for signaling. Fortin EVO-CHRT4 programmed to the vehicle.
Tuesday, September 26th, 2023 AT 10:45 PM


