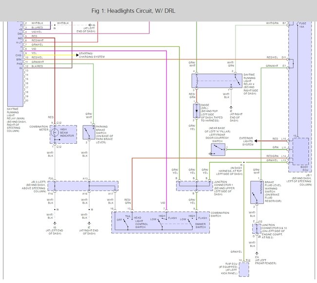
Saturday, December 10th, 2016 AT 9:40 PM
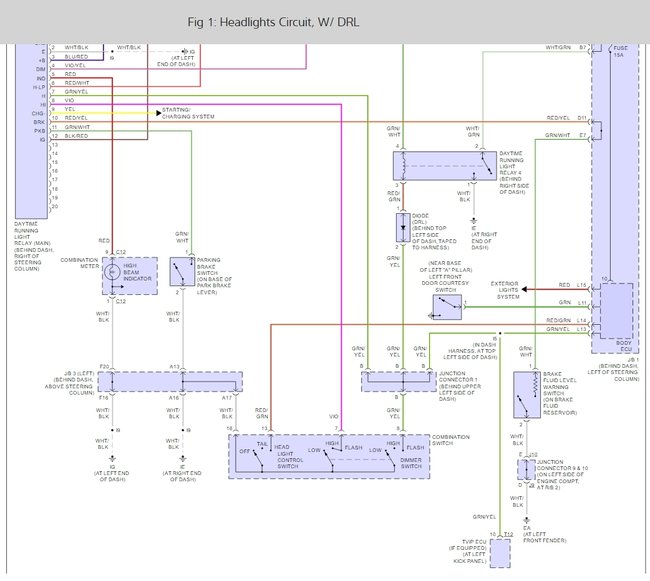
There was previously a ignition interlocking device in the truck. Exactly after thirty minutes the headlights turn off and can be brought back on by turning them off then on again. This happens like clock work with the truck on or off. I know that there are a few crimp connections from when the interlock was removed. Thanks, I look forward to your help.





