Headlights and Taillights shutting off intermittently?

Tiny
REDMAN93
  • MEMBER
  • 2011 KIA SORENTO
  • 2.4L
  • 4 CYL
  • 2WD
  • AUTOMATIC
  • 174,000 MILES
I can't drive at night due to the lights shutting off intermittently.
Tuesday, May 2nd, 2023 AT 10:45 AM

1 Reply

Tiny
KEN L
  • MASTER CERTIFIED MECHANIC
  • 55,505 POSTS
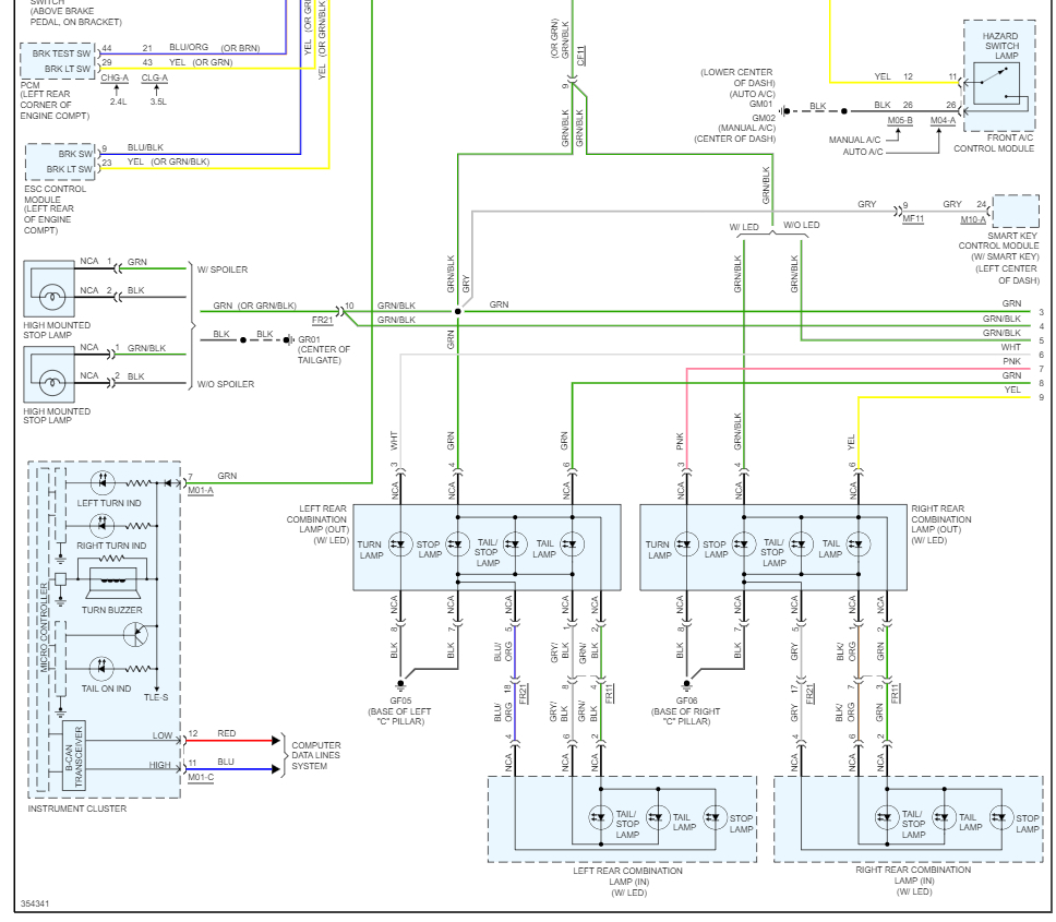
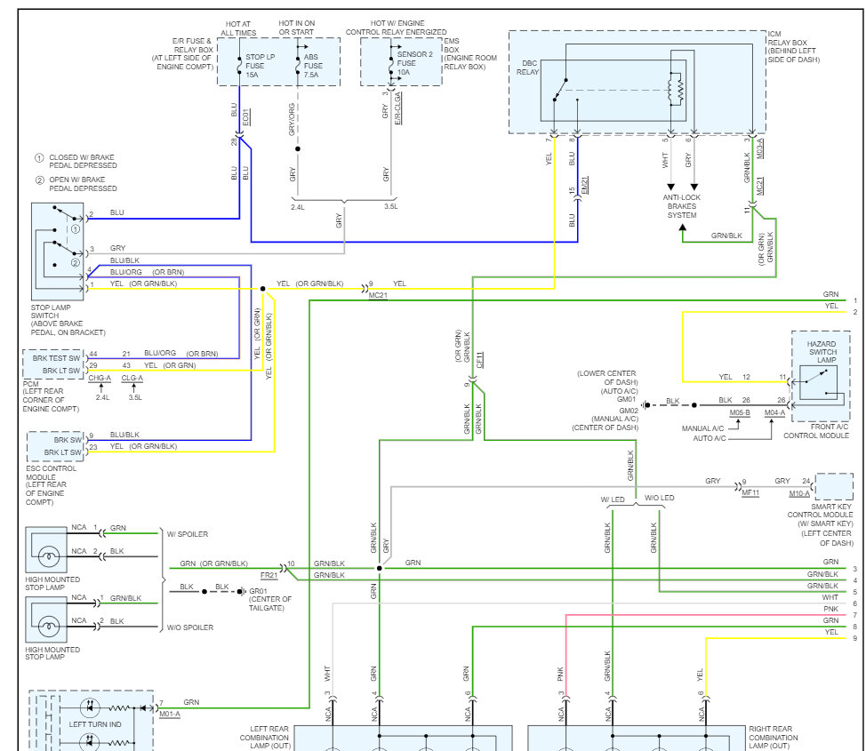
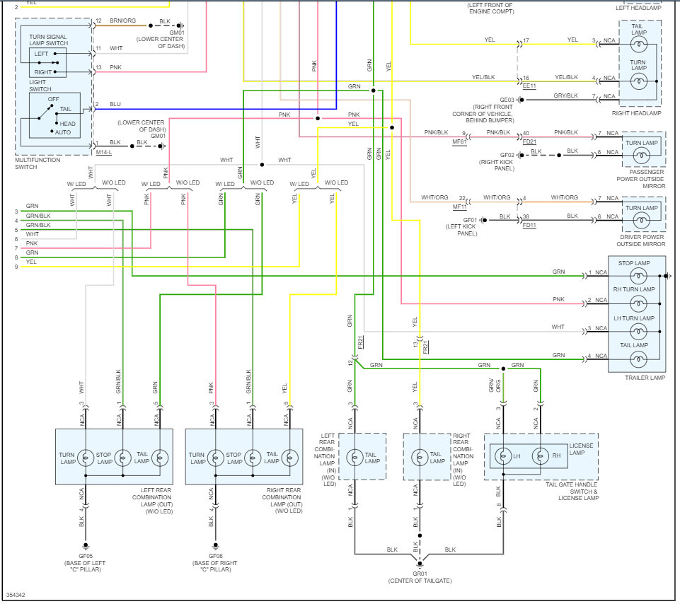
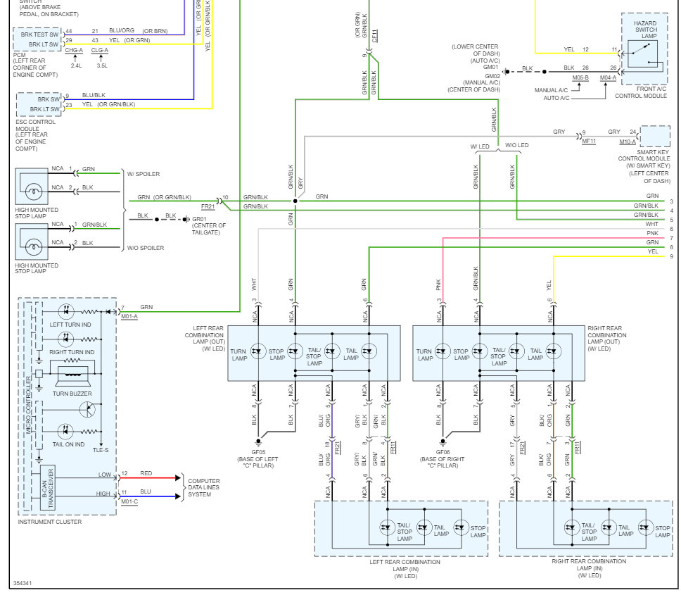
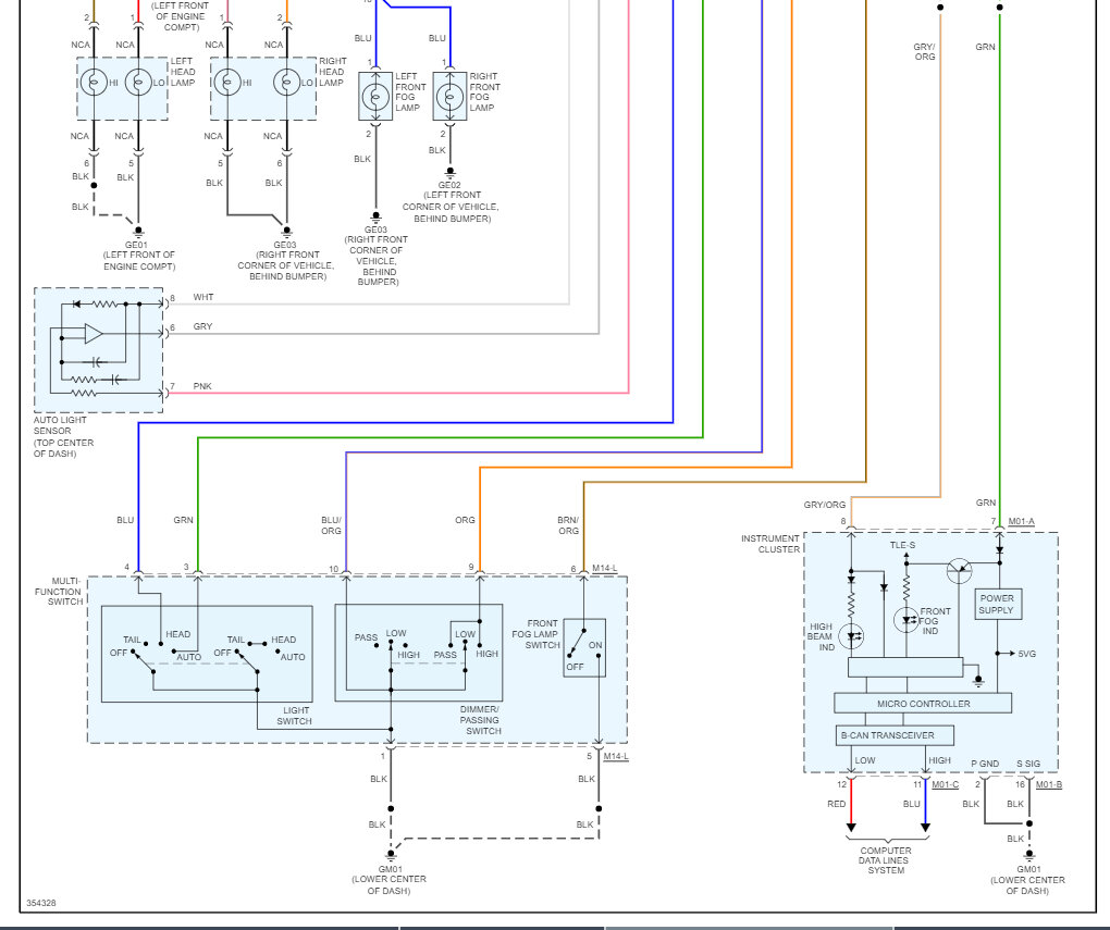
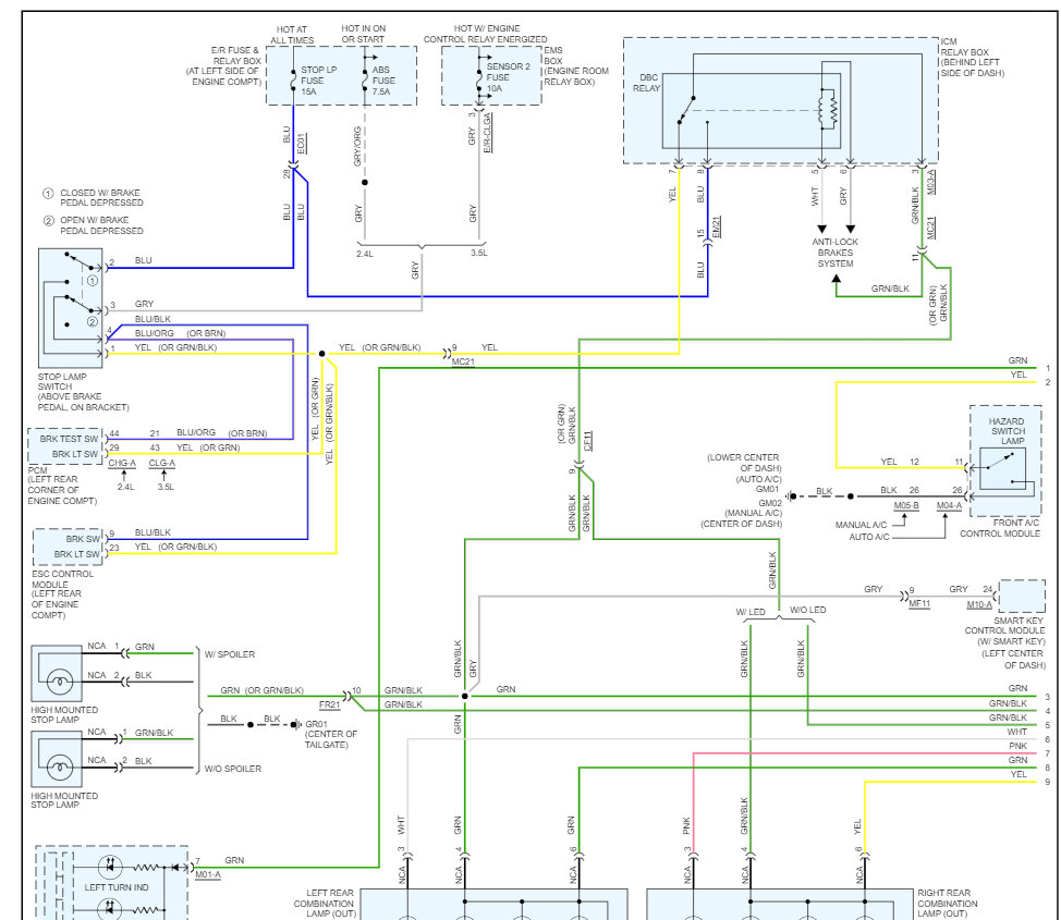
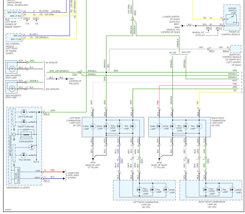
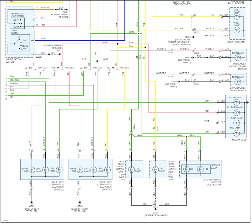
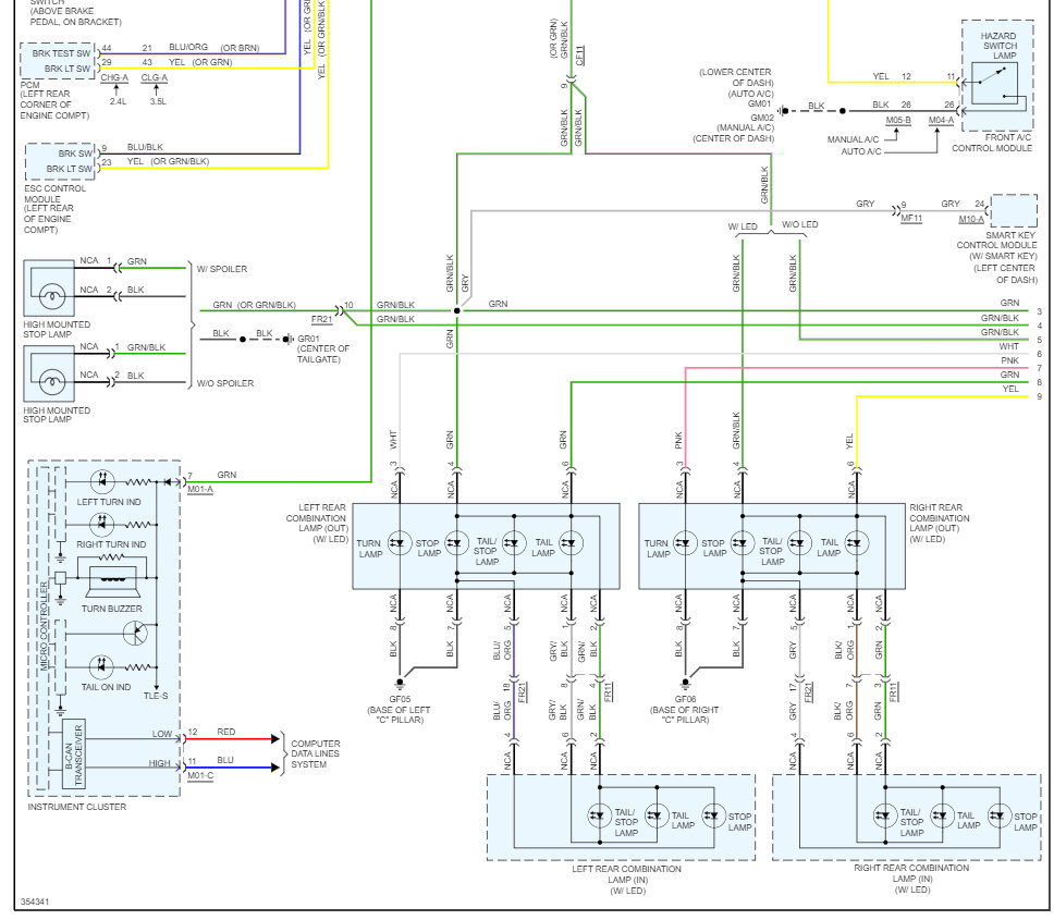
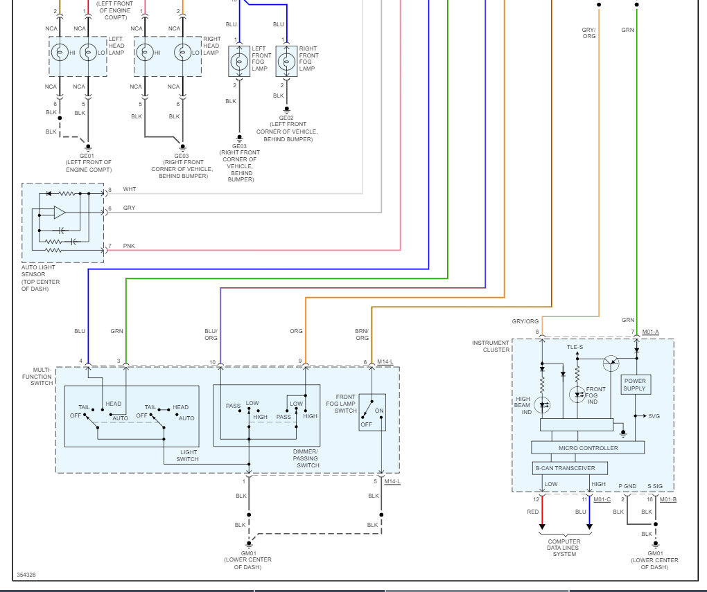
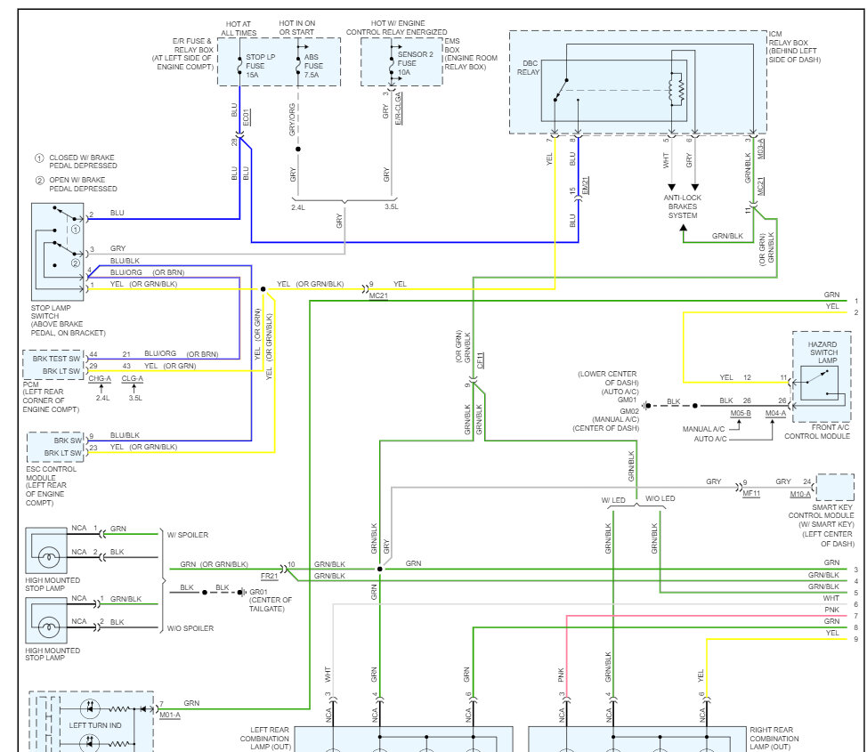
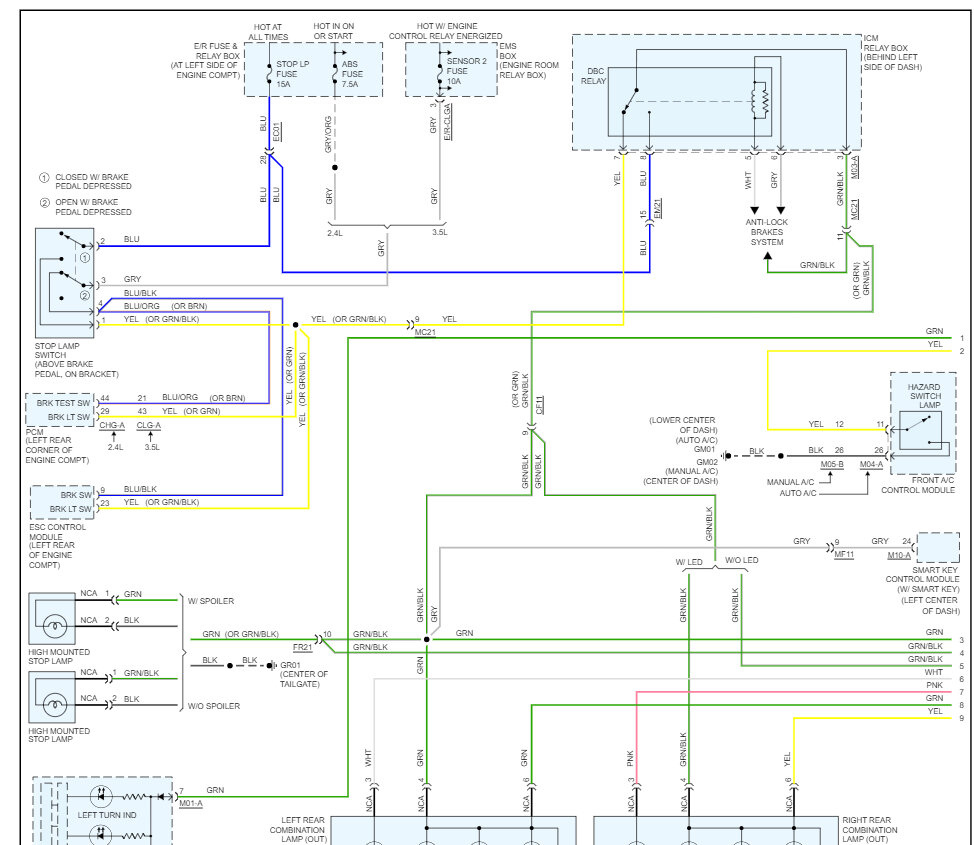
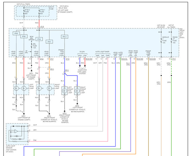
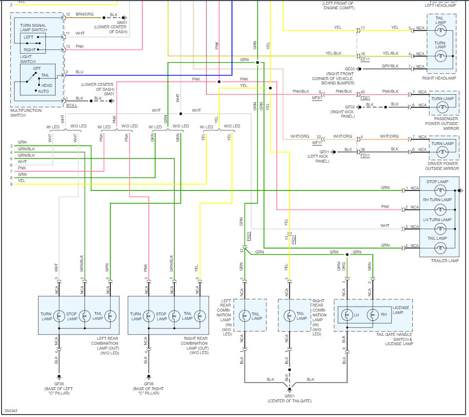
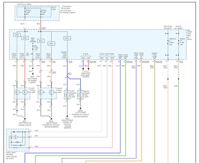
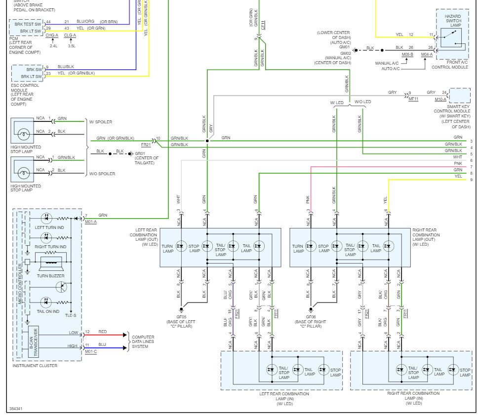
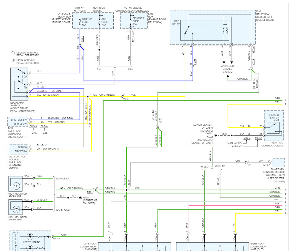
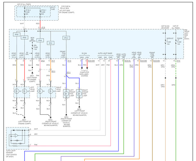
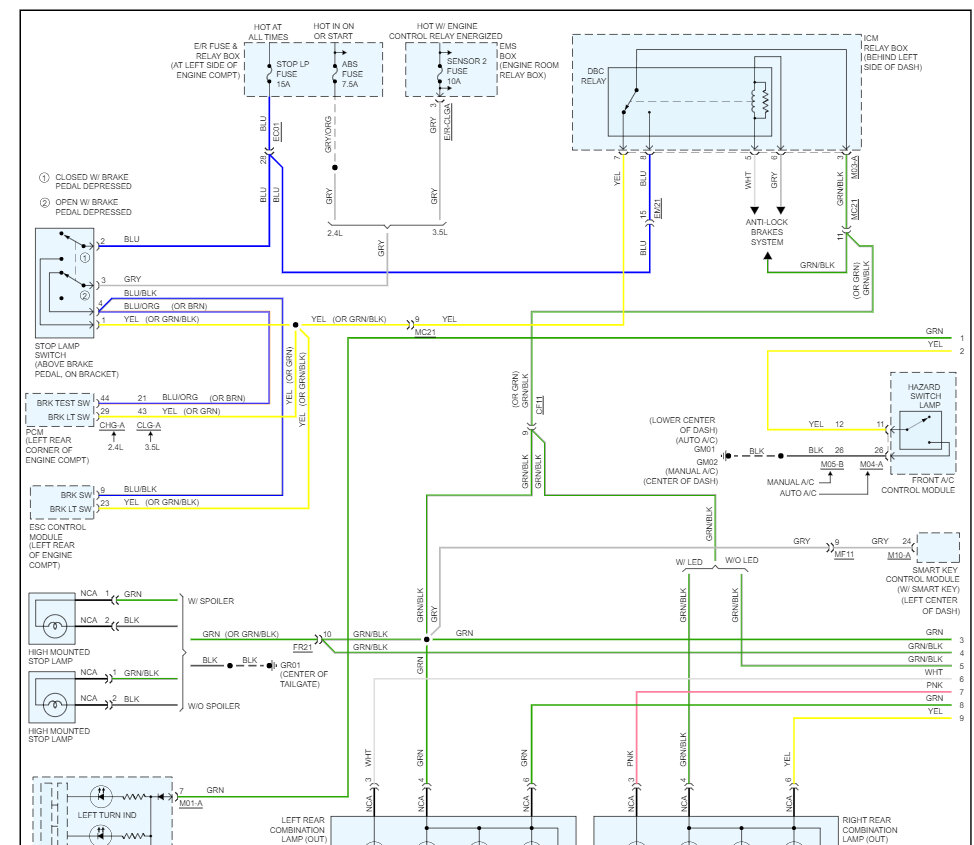
The happens when the IPM is going out. Here are the headlight and taillight wiring diagrams so you can see how the systems work and where they get their power from. I have also included how to change out the IPM and its location. You can get a preprogrammed unit by searching Google or Ebay. Check out the images (below). Please let us know if you need anything else to get the problem fixed.
Was this
answer
helpful?
Yes
No
Tuesday, May 2nd, 2023 AT 4:39 PM

Please login or register to post a reply.