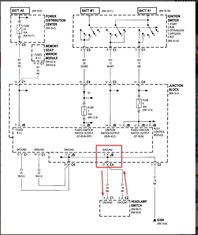
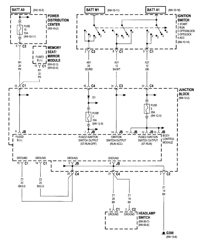
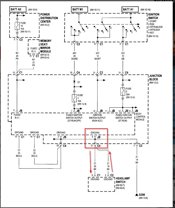
Headlights stay on when key off

Tiny
BURLEIGHJF
  • MEMBER
  • 2000 DODGE CARAVAN
  • 3.3L
  • 6 CYL
  • 2WD
  • AUTOMATIC
  • 265,000 MILES
Re-manufactured BCM installed all functions restored turn off engine key off headlights come on wont switch off by main switch.
Monday, December 9th, 2019 AT 2:44 PM

2 Replies

Tiny
KASEKENNY
  • MECHANIC
  • 18,907 POSTS
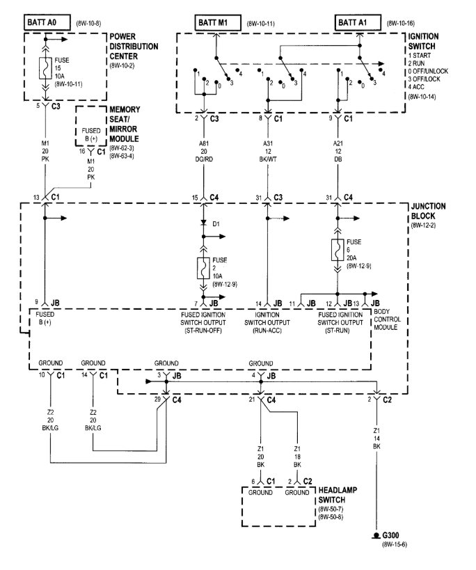
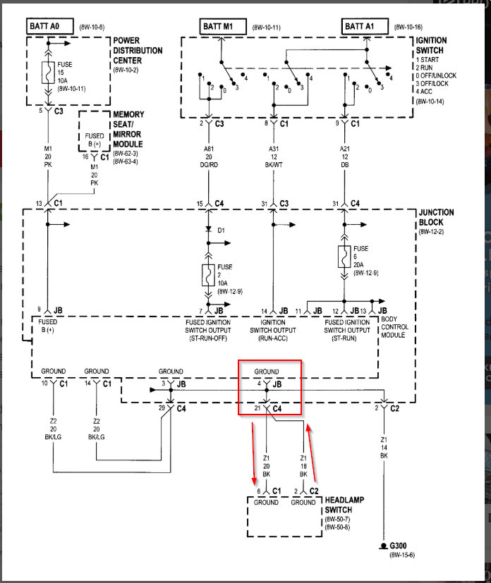
I suspect you have an issue with the BCM. The reason I say this, is the headlamp switch is what is called a ground side control switch. This means when you turn the switch, it completes the ground circuit for the headlamps and the power flows from the BCM to the headlamps. The fact that the switch appears to have no control over the lamps then that means they have constant ground. If this happened immediately after the installation of the BCM then that is your issue.

I would call the re-man company and tell them this is what you have and they should send you another or take this back and fix the ground for it.
Was this
answer
helpful?
Yes
No
+1
Tuesday, December 10th, 2019 AT 3:28 PM
Tiny
BURLEIGHJF
  • MEMBER
  • 2 POSTS
Thank you for this.
Was this
answer
helpful?
Yes
No
Thursday, December 26th, 2019 AT 2:28 PM

Please login or register to post a reply.