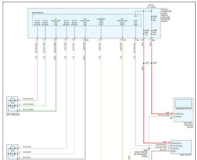
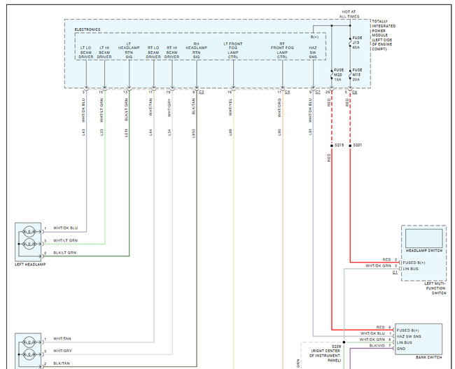
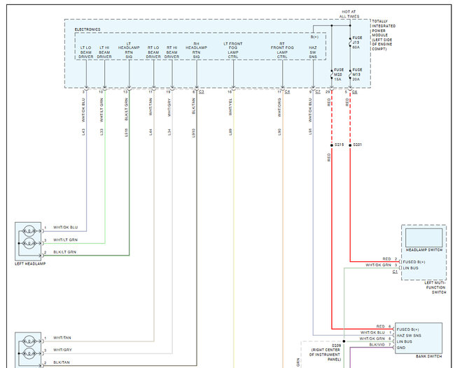
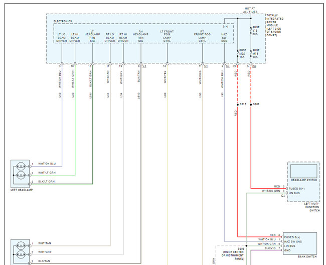
Why are my headlights flashing on and off then stay off, I have new bulbs and a new battery I have checked all fuses, and I know there's no fuse for the headlights as its computer controlled.
Need help ASAP.
Thanks Reno
Need help ASAP.
Thanks Reno
Feb 3, 2025 at 8:14 AM






