Headlights not turning on?

1994 PONTIAC BONNEVILLE
205,000 MILES • 2WD • AUTOMATIC
Avatar
AHHEM
  • MEMBER
  • 1 POST
When I pull out the knob the twilight sentinel works and the yellow lights on the front of the car turn on, but not the headlights. Funny thing is that if I pull the turn signal/wipers rod towards me, I’ll get illumination from possibly the high beams until I let go. I still have no idea where the headlight fuse or relay is after checking the manual, and don’t know how to replace a headlight switch or where to get one.
Thanks!
May 6, 2023 at 10:36 AM
Repair Safety Notice: This information is for general instructional purposes only. Vehicle repair can be dangerous. Verify all information, follow manufacturer service procedures, use proper tools and safety equipment, and consult a qualified repair shop when needed.
Advertisement
Avatar
STRAILER
  • CAR REPAIR CONTRIBUTOR
  • 54,197 POSTS
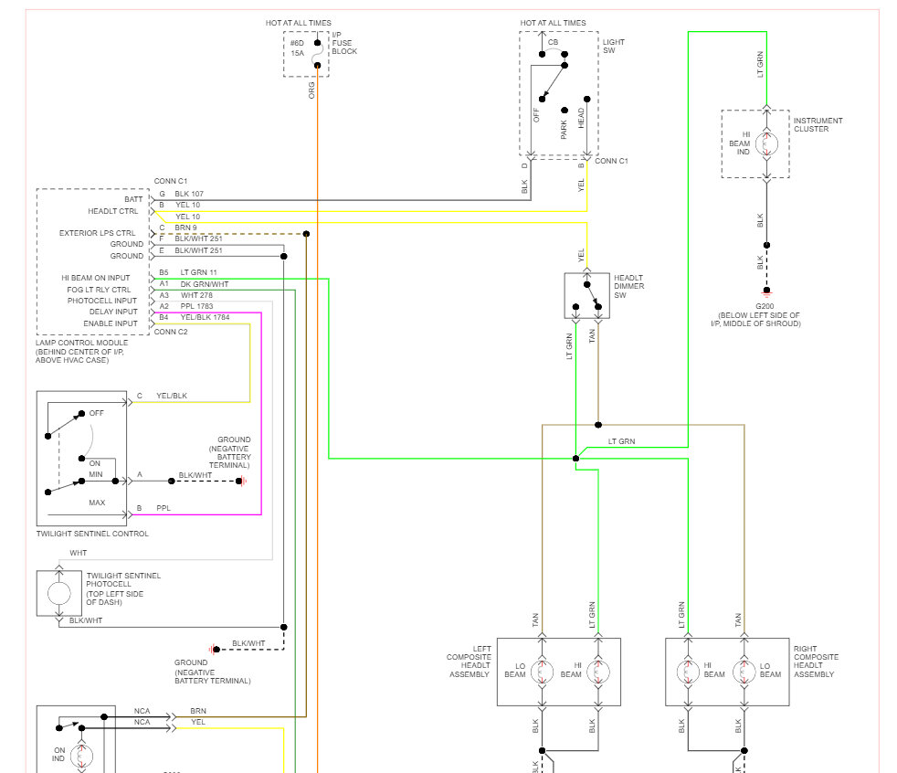
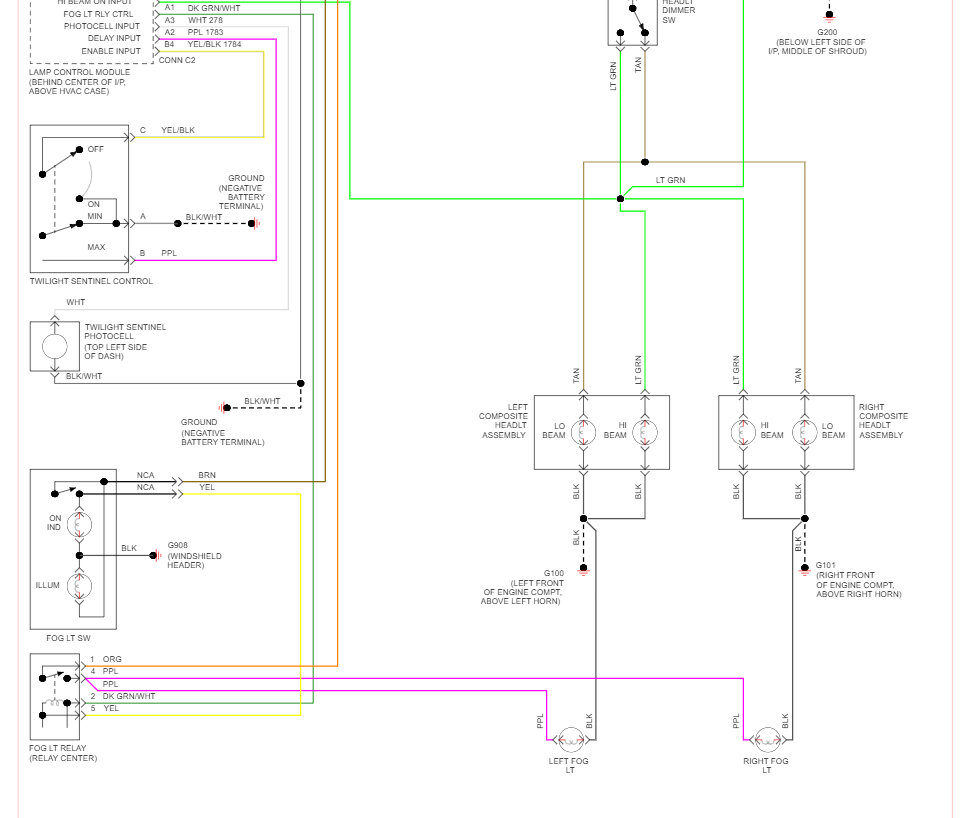
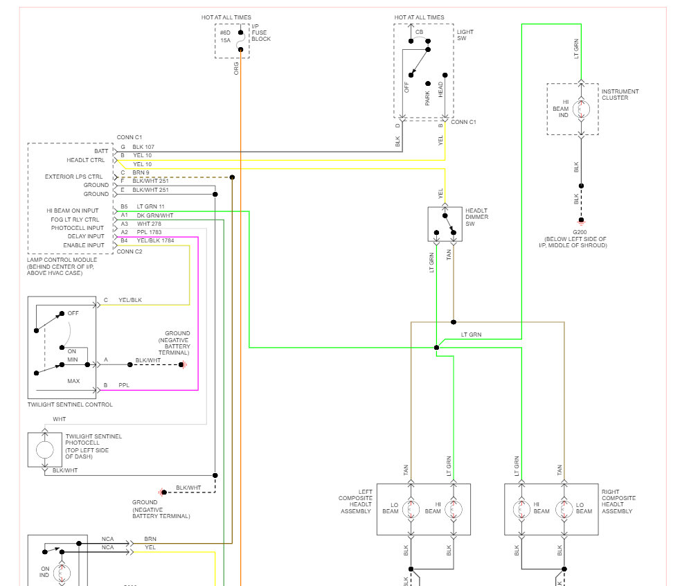
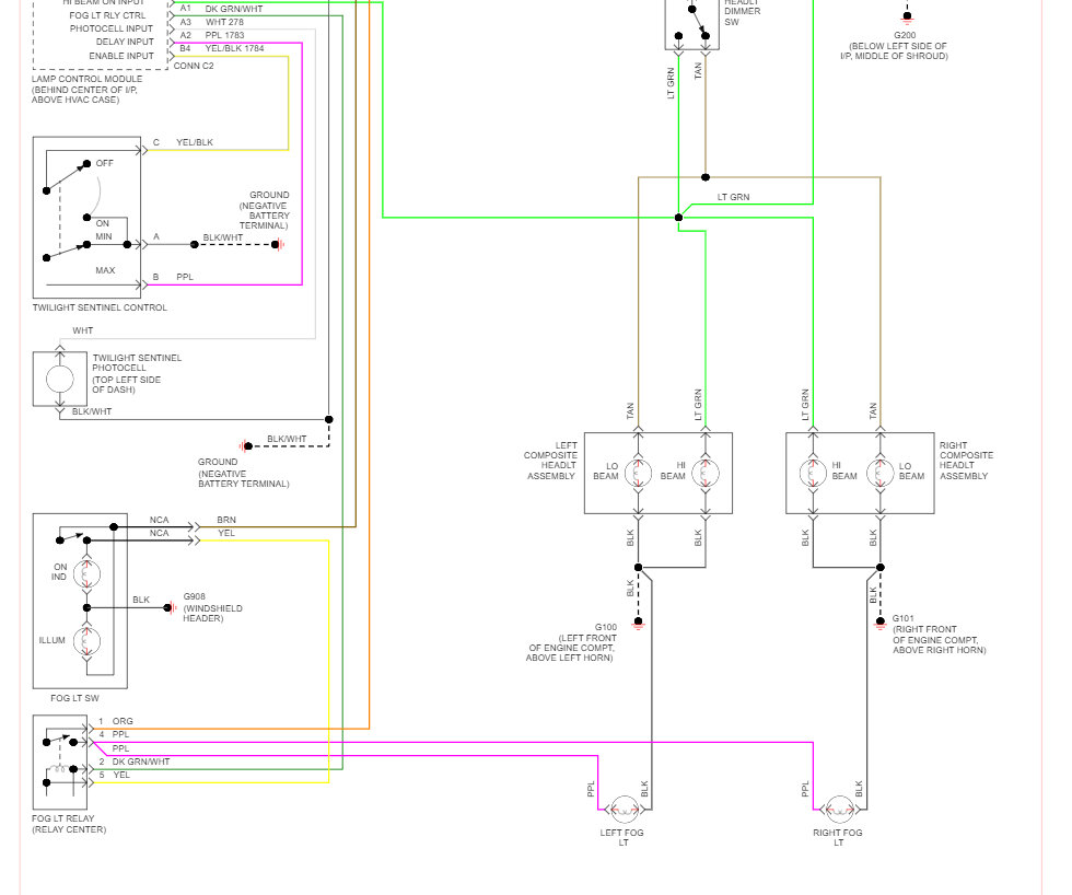
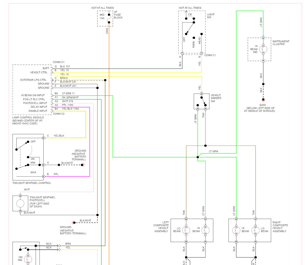
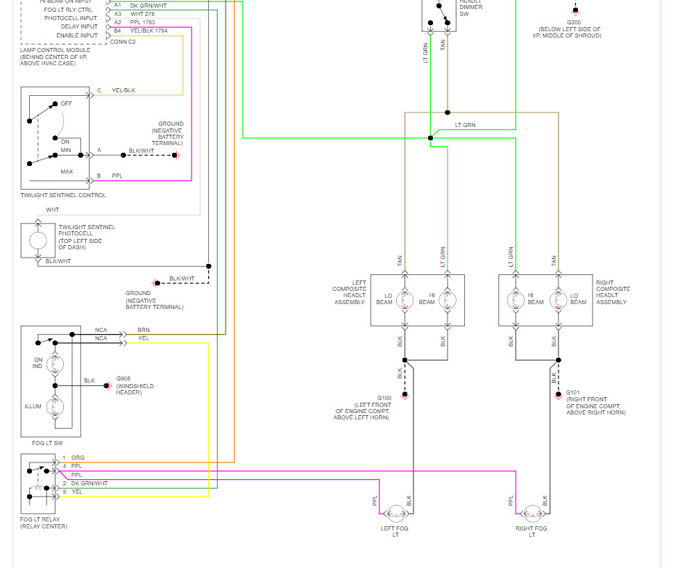
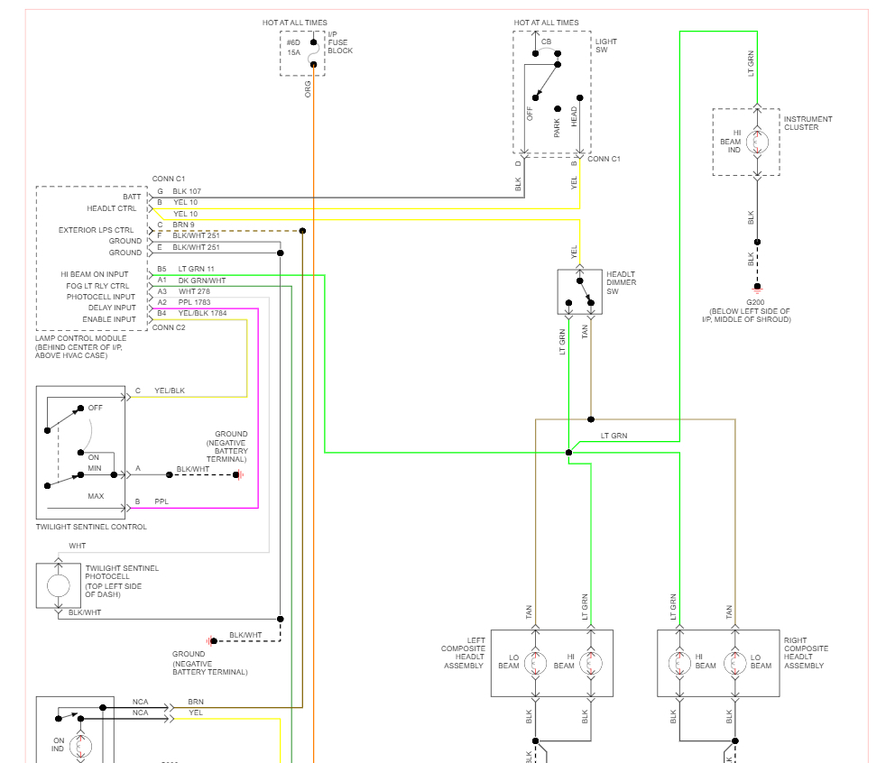
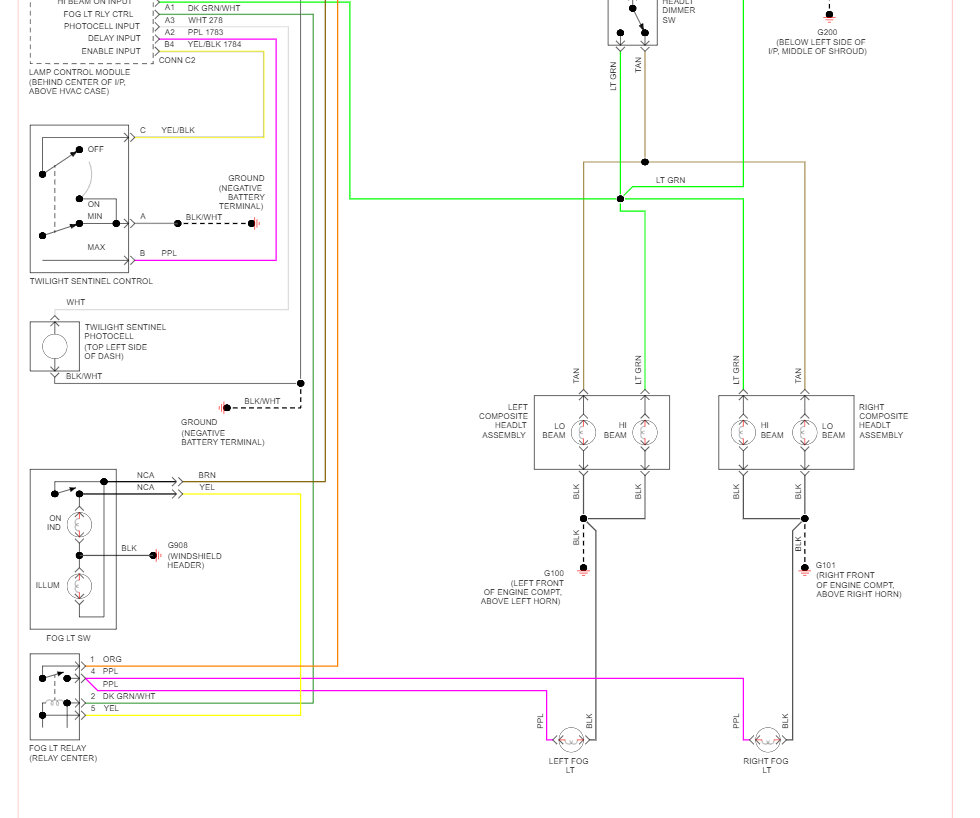
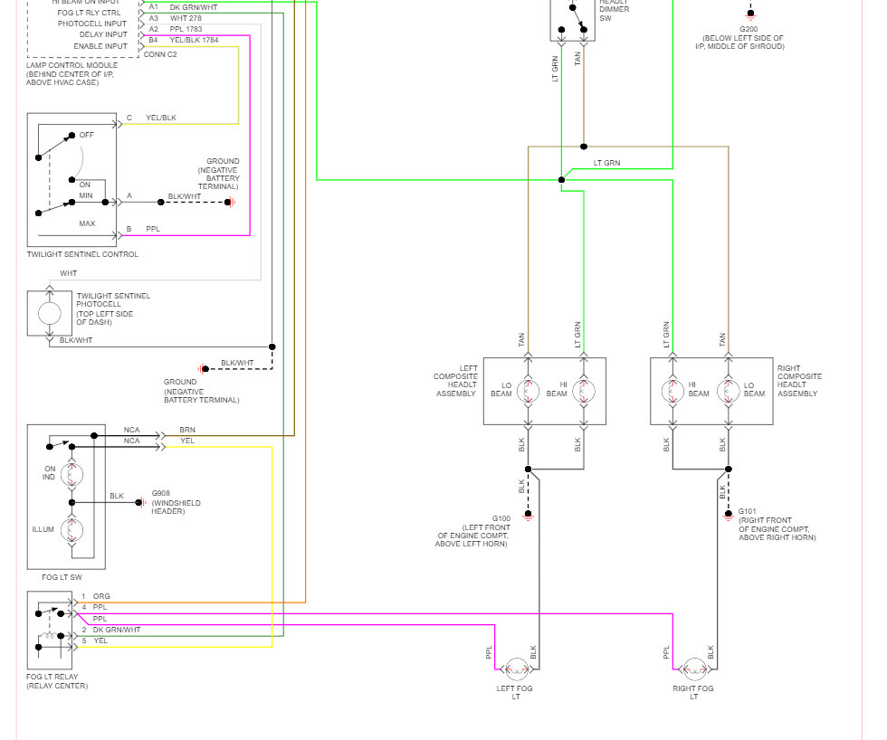
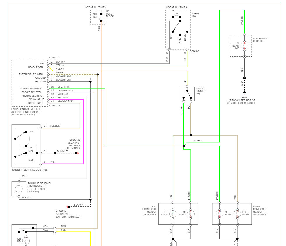
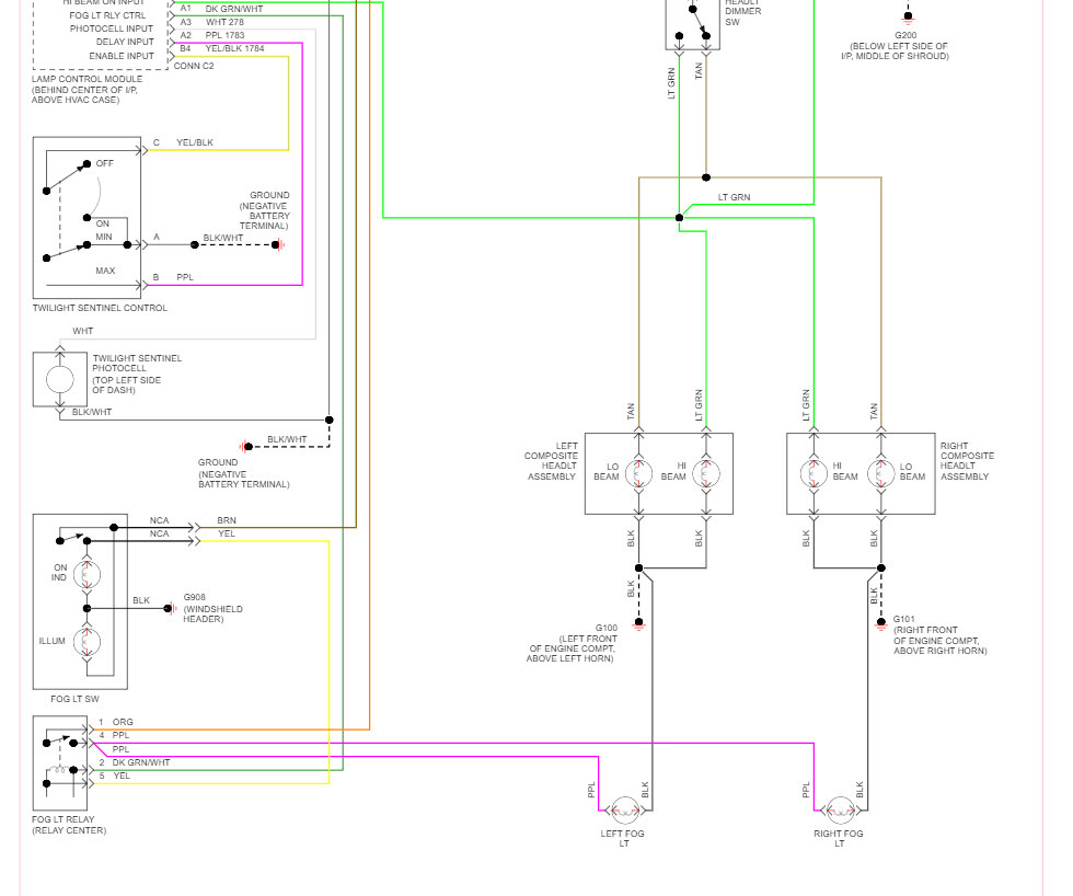
It sounds like the headlight switch, or the lamp control module is out but to be sure this guide can help you check for power, and I have included the headlight wiring diagrams below so you can see how the system works.

https://www.2carpros.com/articles/how-to-use-a-test-light-circuit-tester

Here is the location of the lamp control module in case you need it. Check out the images (below). Let us know what happens and please upload pictures or videos of the problem so we can see what's going on.
May 6, 2023 at 12:26 PM
Advertisement