Headlights not working?

Tiny
JASON J SCHIEBLE
  • MEMBER
  • 2012 CHEVROLET TRAVERSE
  • 3.6L
  • 6 CYL
  • 4WD
  • AUTOMATIC
  • 136,650 MILES
All if a sudden both sides' low beam headlights suddenly went out and did not come back on, only the high beams work.
I put new headlight bulbs in, but they still don't work. I checked the fuses, and they all look good. I installed a new headlight relay and no change with that. So, I am wondering if it could be the headlight switch?
Saturday, January 18th, 2025 AT 4:12 AM

1 Reply

Tiny
STEVE W.
  • MECHANIC
  • 15,697 POSTS
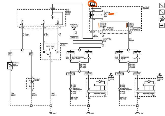
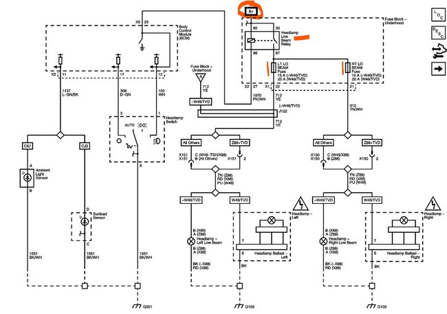
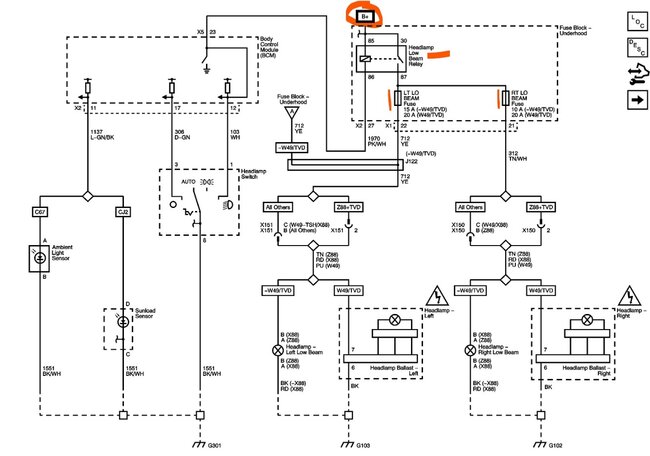
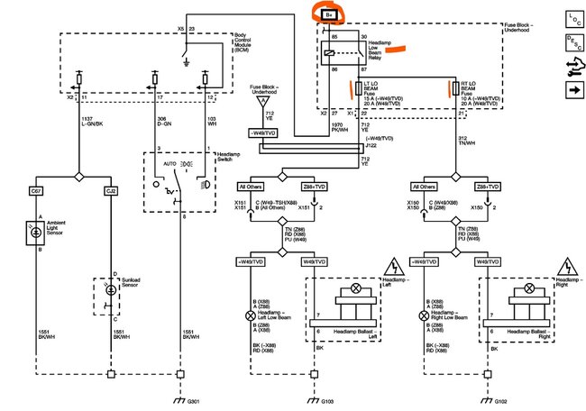
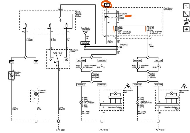
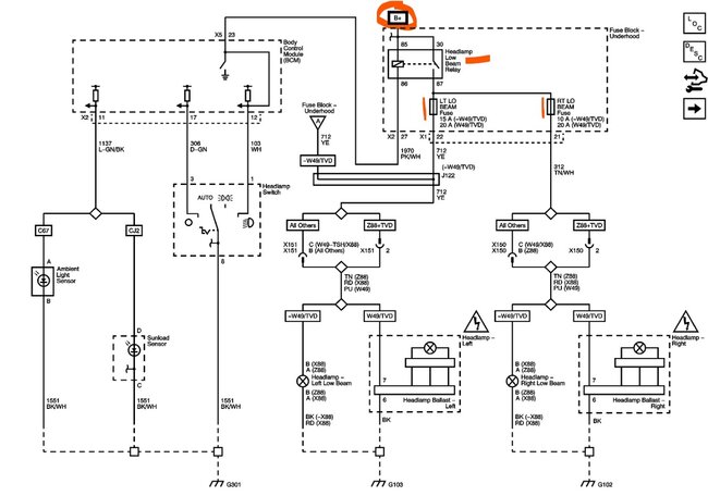
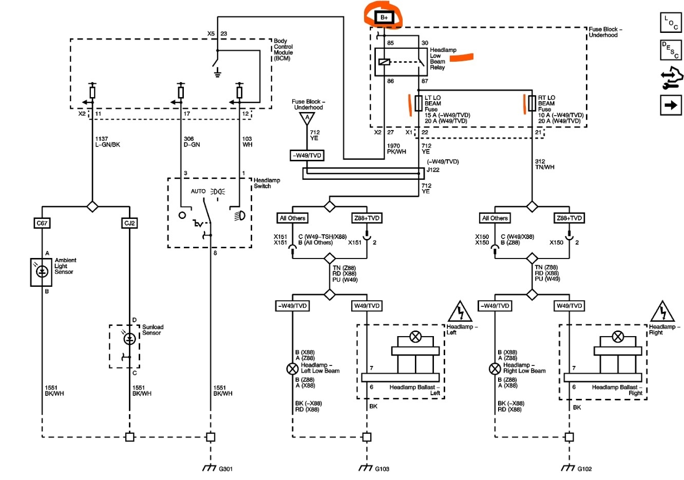
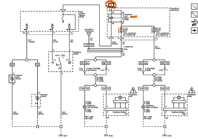
Sorry to say that it likely isn't the switch but instead the body control module if you already changed the low beam relay out. That is because you can select the high beams on. The dimmer switch only triggers a ground connection that tells the BCM to turn off the low beam relay and turn on the high beams. There is no other connection to trigger the relay and if the switch failed open you couldn't trigger the high beams on as only the closed position actually does anything. The signal goes into the BCM, and it tells the relay to close and turn on the low beams. You can test the headlight circuit easily with just a simple test light. Go to the two low beam fuses first, take the test light connected to battery negative, turn on the headlight switch and be sure the dimmer is on low beam. Probe both fuses, Because the lights are not on, I expect to see no light at either fuse. Now pull the low beam relay out. With the test light still connected to negative, probe the 4 pins. You should find 2 of the terminals in the socket that light the light (85 and 30). That confirms that you have power to the relay. Then if you connect the test light to battery positive and touch terminal 86 in the box if the BCM is in control and you have the dimmer in low beam, that terminal should light the light as the BCM simply grounds the relay to turn on the low beams. I suspect you will not see a light. Next go to the body control module under the dash and find the connector (X1) with the Pink with white wire on pin 23 and touch the test light into the back of that terminal, use a needle to reach the inner pin if needed. With the lights on low and the key on that terminal should be grounded. Selecting high beam should turn off the ground. You can also use a scan tool to test the BCM operation and in order to replace it you need a scan tool that can be used to program the replacement BCM.
Was this
answer
helpful?
Yes
No
Saturday, January 18th, 2025 AT 6:19 AM

Please login or register to post a reply.