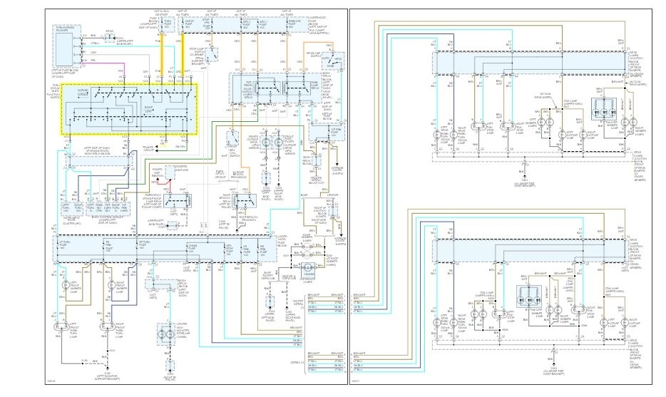
Saturday, April 20th, 2019 AT 2:36 PM
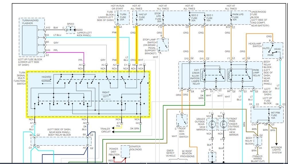
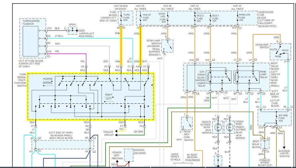
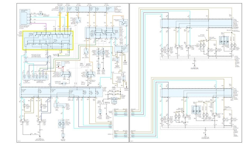
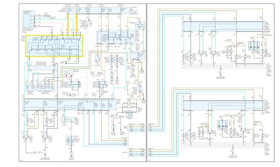
Replaced combination switch because of a short and loose wire. Replaced light control switch which turns on and off lights with the dimmer wheel on it. Still no lights.



