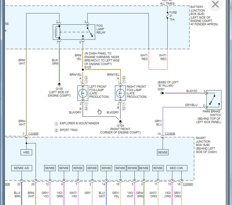
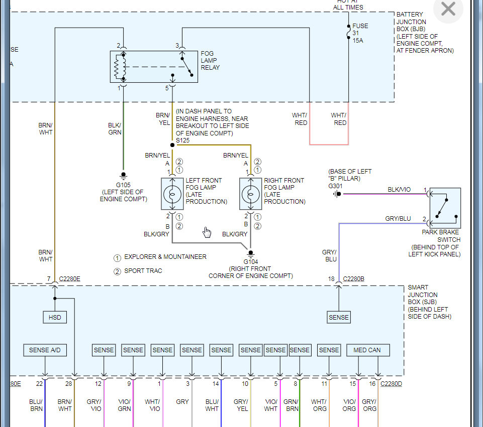
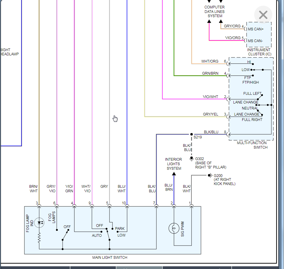
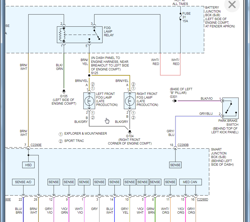
- Not the bulbs
- Not the fuses ( tested 29 and 34 in fuse box - confirmed power )
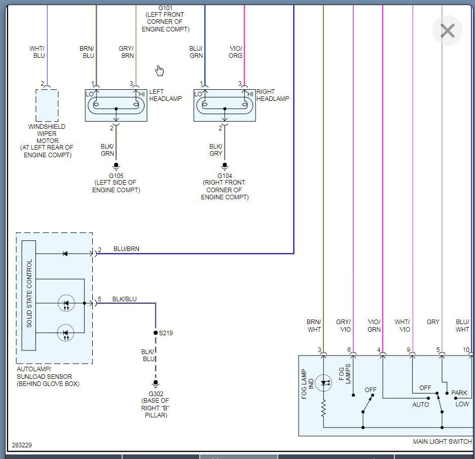
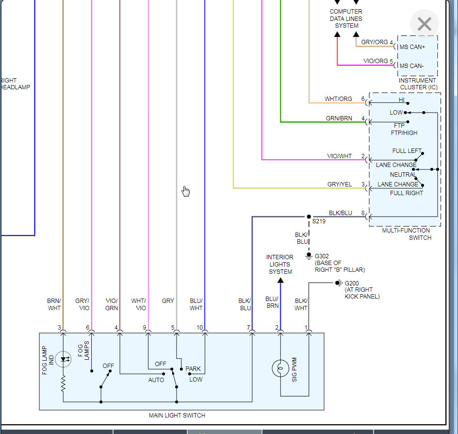
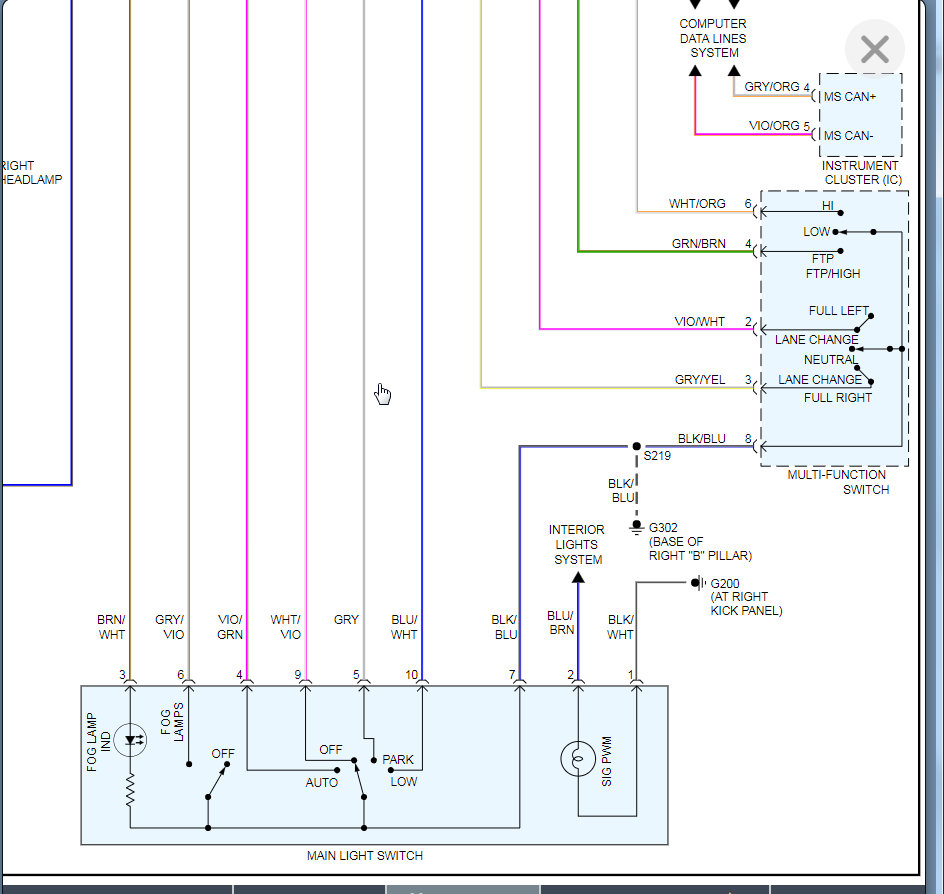
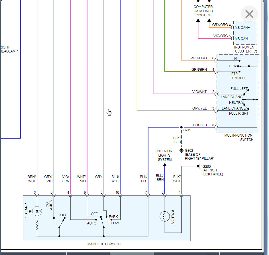
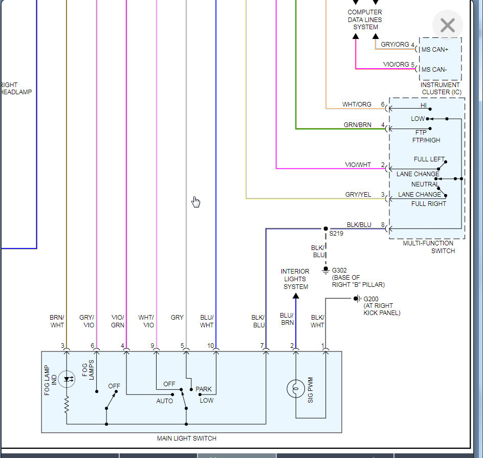
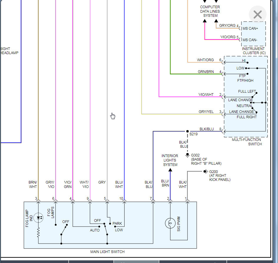
I have no power at the headlight bulb end of the harness? No loose connections. At first it was the right side light, now it is both sides. I am lost I have been through most anything I can think of. Please help.
Saturday, January 18th, 2020 AT 6:49 PM











