Tuesday, April 16th, 2024 AT 10:34 PM
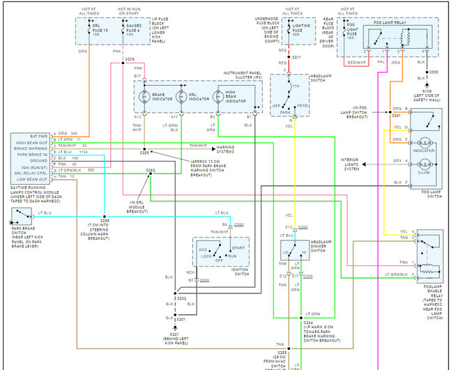
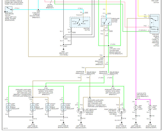
The vehicle listed above is a 1500. I got with the previous owner who stated that at one time there was a problem with both headlights going out at the same time. He took it somewhere and this is what they did. The headlights are currently working when manually turned on, but I have no daytime running lights. They cut the white wire and installed a fuse under the hood by the master cylinder and ran a black wire through the firewall to the back of an electrical connector under the dash. Maybe the DRL module was shorting out and they by passed it? Or something with the headlight switch itself?





