Headlights and brake lights problem (electric)

Tiny
05ACURATL
  • MEMBER
  • 1996 TOYOTA COROLLA
  • 1.8L
  • 4 CYL
  • 2WD
  • AUTOMATIC
  • 180,000 MILES
During an accident, the driver side turn signal light fell off tearing the wires that feed to it. Those wires shorted the body of the vehicle at some point and I assume that was responsible for causing the following two issues: First, the headlights don't come on anymore (not bad bulbs issue). Second, the rear brake lights (including 3rd light) now always stay on even when your foot is off the brake pedal. How can I fix these two issues? Thanks
Friday, June 18th, 2021 AT 10:26 PM

1 Reply

Tiny
JACOBANDNICKOLAS
  • MECHANIC
  • 110,192 POSTS
Hi,

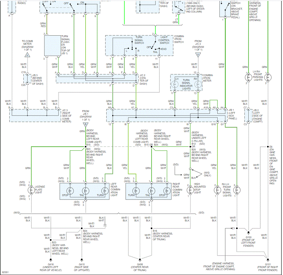
Let's start with the brake lights. If they stay on at all times, either we have a short to power, a bad brake light switch, or the brake light switch was knocked out of adjustment in the accident.

The first thing I want you to do is to remove the fuse for the brake lights. Do the lights turn off? If not, we have a short to power. So let me know.

If the lights do turn off, I want you to check the brake light switch to make sure it is properly connected. It is located at the top of the brake pedal. Manually depress the button and see if the lights turn off. If they do, it is an adjustment issue.

If nothing turns the brake lights off, disconnect the switch. If they go out, then it's likely the switch. If they don't, we have a short to power after the switch.

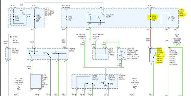
Let me know what you find or if you have other questions. Additionally, I attached the wiring schematic below for the exterior lighting. I highlighted the fuse and the switch. Also, pic 3 shows the location for junction box 1, and pic 4 shows the fuse for the brakes.

Let me know the results of these tests.

Take care,

Joe

See pics below.
Was this
answer
helpful?
Yes
No
Saturday, June 19th, 2021 AT 8:36 PM

Please login or register to post a reply.