Both pass headlights went out simultaneously

Tiny
JEFF BANKER
  • MEMBER
  • 2006 PONTIAC GRAND PRIX
  • 3.8L
  • V6
  • 2WD
  • AUTOMATIC
  • 160,000 MILES

Relays are good, fuses are good, bulbs brand new, parking lights all work as do both drivers side headlights.
Friday, May 10th, 2019 AT 5:13 AM

1 Reply

Tiny
ASEMASTER6371
  • MECHANIC
  • 52,796 POSTS
Good morning,

There are separate fuses for the headlights on the right side. You need to verify power at the fuse on both sides and then verify power to the connector.

Let us start there.

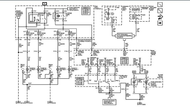
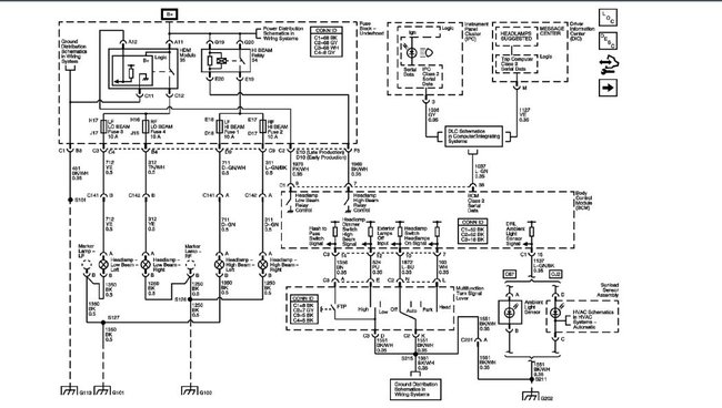
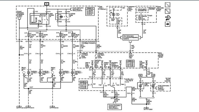
I attached the wire diagram for the lights below.

Roy
Was this
answer
helpful?
Yes
No
Friday, May 10th, 2019 AT 5:47 AM

Please login or register to post a reply.