Passenger side main headlight it blows after about three or four days?

Tiny
ROBIN CHURCH
  • MEMBER
  • 2018 DODGE CHARGER
Every time I change the passenger side main light it blows after about 3 or 4 days what can be causing that? Please thank you.
Friday, October 28th, 2022 AT 2:57 PM

1 Reply

Tiny
KEN L
  • MASTER CERTIFIED MECHANIC
  • 55,420 POSTS
You could have an alternator that overcharges the system which created high voltage in the system which blows the bulb out or a bad ground which can overheat the bulb filament. This guide will show you how to check the alternator:

https://www.2carpros.com/articles/how-to-check-a-car-alternator

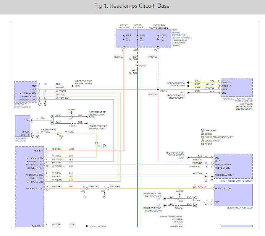
Here are the wiring diagrams for the headlights which are controlled by the BCM. I have seen the BCM have a voltage spike to cause this, but you never know. Also, make sure you replace the bulb with an OEM unit, cheap bulbs are a big problem and blow out quickly. Check out the images (below). Please let us know what happens.
Was this
answer
helpful?
Yes
No
Saturday, October 29th, 2022 AT 12:27 PM

Please login or register to post a reply.