Tuesday, June 26th, 2018 AT 12:23 PM
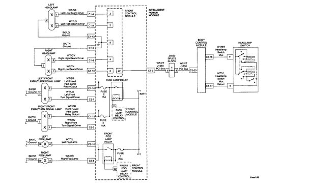
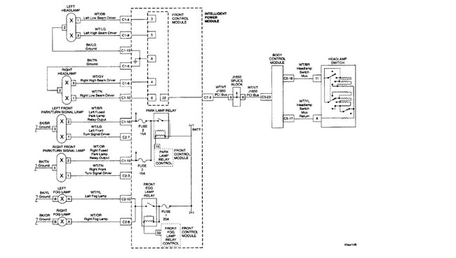
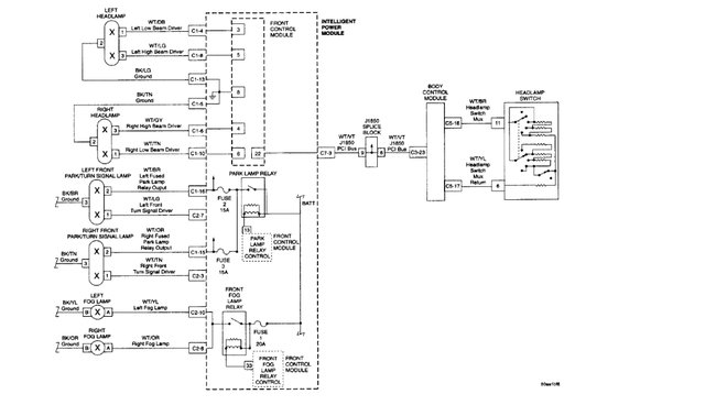
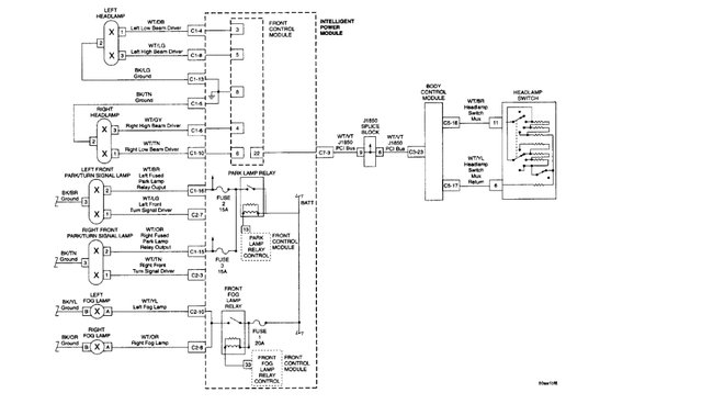
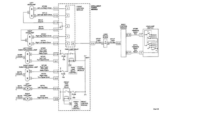
Please help. My headlights in my van are crazy. One is out on the day time lights and the opposite is out on low beam. Then the opposite is out on high beam. I have changed the bulbs, that did not work. Got someone to run wires straight to lights. That sent a signal to the computer, so that made everything go crazy. Inspection sticker expires end of this month. Please help!




