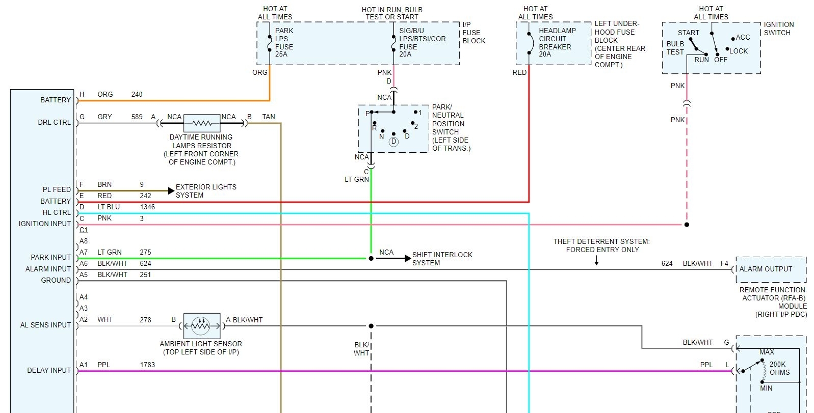
Headlights do not work when transmission is in park

Tiny
AHARTLEY
  • MEMBER
  • 1996 BUICK PARK AVENUE
  • 3.8L
  • V6
  • 2WD
  • AUTOMATIC
  • 166,000 MILES
On this car why would the headlights only work when the car's transmission is in any other gear but park?
Tuesday, December 29th, 2020 AT 2:14 PM

5 Replies

Tiny
STEVE W.
  • MECHANIC
  • 15,698 POSTS
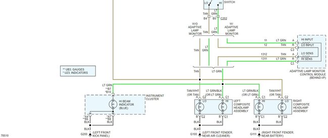
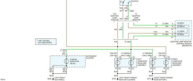
That is actually working as designed if that car has the twilight sentinel and DRL option for the headlights. The DRLs also only operate with the key on and in gear only and should switch to the normal headlamp mode once it is dark. That should be fully automatic based on the input signal from the light sensor on the dash. That car should also have the twilight sentinel option, with it the headlights will stay on for an adjustable amount of time if you pull up and shut off the engine and it is dark enough that the headlights were on. The headlight switch can override the automatic switching, but it still needs the park signal to turn the lights on. There is a way to modify it so the switch controls it all but then you lose the DRL controls.
Was this
answer
helpful?
Yes
No
+1
Tuesday, December 29th, 2020 AT 10:12 PM
Tiny
AHARTLEY
  • MEMBER
  • 118 POSTS
Thank you very much. I should have figured that out since my Mom's Pontiac does the same thing thereabouts. I however drive a 1995 Oldsmobile 88 Royale and don't have that so it slipped my mind. I'm thinking on possibly buying this Park Avenue. Thank you.
Was this
answer
helpful?
Yes
No
Wednesday, December 30th, 2020 AT 10:19 AM
Tiny
STEVE W.
  • MECHANIC
  • 15,698 POSTS
It can be a bit strange when you are not used to it. It's even more fun because it was an option so the first one you drive may have it, the next one doesn't and then you start to wonder if something is wrong. Personally I'd rather have a nice simple switch, much fewer parts to go bad in the future. Some modules in those vehicles are already on the NLA list because they were not big sellers.
You are welcome. Thank you for using 2CarPros
Was this
answer
helpful?
Yes
No
+1
Wednesday, December 30th, 2020 AT 11:21 AM
Tiny
AHARTLEY
  • MEMBER
  • 118 POSTS
My Oldsmobile 88 is about as simple as they would have come in that range of years, I do like that. This has proven to be a dependable site for help.
Was this
answer
helpful?
Yes
No
Wednesday, December 30th, 2020 AT 4:10 PM
Tiny
STEVE W.
  • MECHANIC
  • 15,698 POSTS
Great to hear. Keep us in mind if you have other questions, tell folks about us. We are always trying to help.
Was this
answer
helpful?
Yes
No
+1
Wednesday, December 30th, 2020 AT 4:46 PM

Please login or register to post a reply.