Headlights

2006 HYUNDAI AZERA
33,456 MILES • 6 CYL • AUTOMATIC
Avatar
LEEGIRL
  • MEMBER
  • 2 POSTS
Headlights nor signals will work
Feb 3, 2016 at 6:43 AM
Advertisement
Avatar
JACOBANDNICKOLAS
  • CAR REPAIR CONTRIBUTOR
  • 110,190 POSTS
If fuses are good, you will need to check for power to the switch. If there is power both in and out of the switch, it is time to start tracing wiring to see where there is an open circuit. If there is no power out, replace the switch.
Feb 3, 2016 at 4:21 PM
Advertisement
Avatar
LEEGIRL
  • MEMBER
  • 2 POSTS
I Replaced the switch, it still doesn't work.
Feb 3, 2016 at 9:17 PM
Avatar
STRAILER
  • CAR REPAIR CONTRIBUTOR
  • 54,249 POSTS
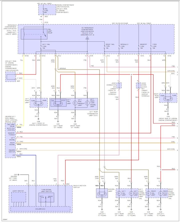
Hi lee girl , both these light circuits go through the BCM which is having a problem, here are some wiring diagrams to help see.

Let me know what you find,

Best, Ken
Apr 24, 2016 at 9:03 AM
Repair Safety Notice: This information is for general instructional purposes only. Vehicle repair can be dangerous. Verify all information, follow manufacturer service procedures, use proper tools and safety equipment, and consult a qualified repair shop when needed.