Headlight switch went out?

Tiny
ROGER THADY
  • MEMBER
  • 2006 DODGE CARAVAN
  • 2.4L
  • 4 CYL
  • 2WD
  • AUTOMATIC
  • 310,000 MILES
Can I add a toggle switch if so what wires would I use?
Thursday, April 20th, 2023 AT 6:00 PM

1 Reply

Tiny
KEN L
  • MASTER CERTIFIED MECHANIC
  • 55,481 POSTS
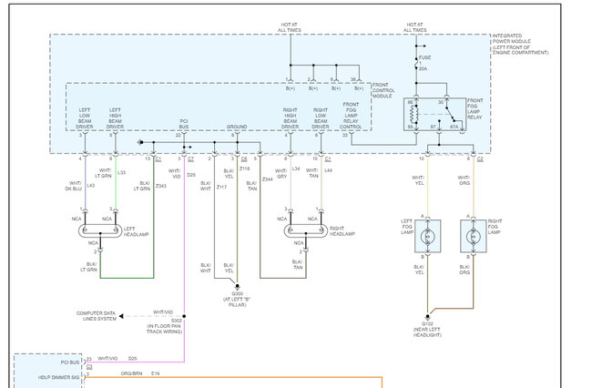
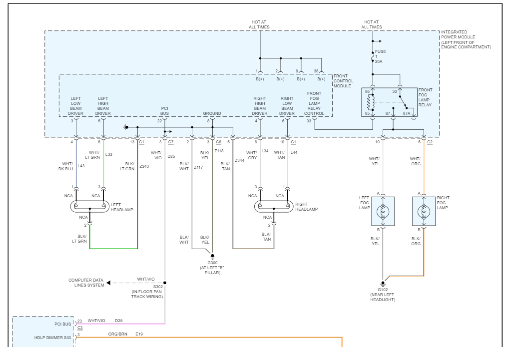
Yep, for the low beams use the white/dark blue for the left and tan/white for the right headlight. Here is the wiring diagram so you can see how the system works. Check out the images (below). Please let us know if you need anything else to get the problem fixed.
Was this
answer
helpful?
Yes
No
Friday, April 21st, 2023 AT 2:51 PM

Please login or register to post a reply.