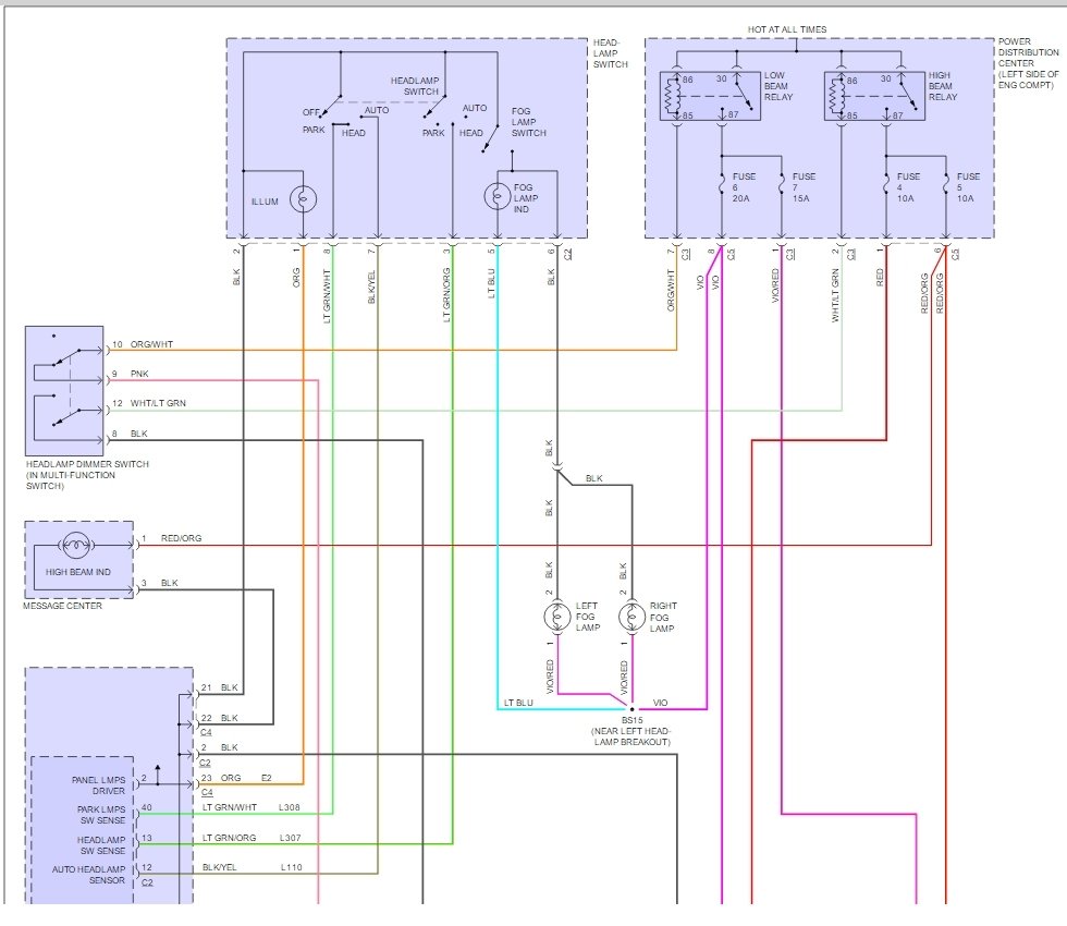
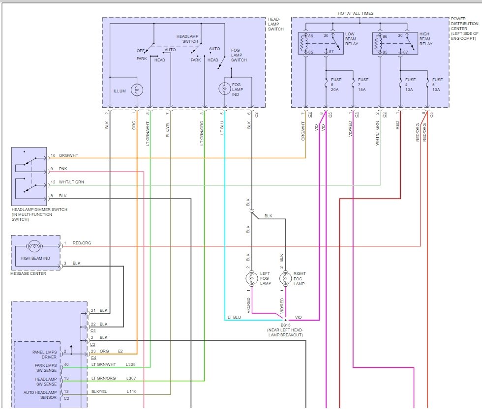
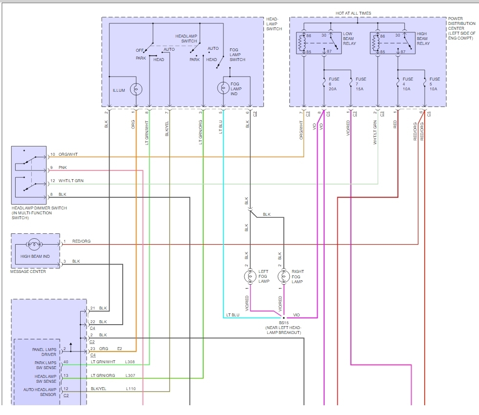
Wednesday, October 12th, 2016 AT 12:46 PM
The headlights stay on all the time when van is running. Light switch does not work I changed it out and checked the fuses. So does anyone have a possible solution? Thank you for any help you can give.



