Thursday, December 13th, 2018 AT 3:42 AM
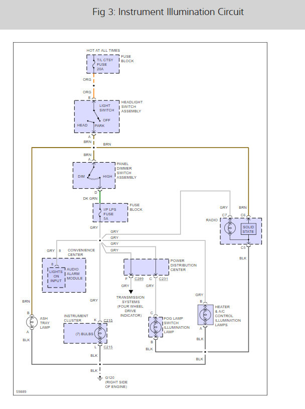
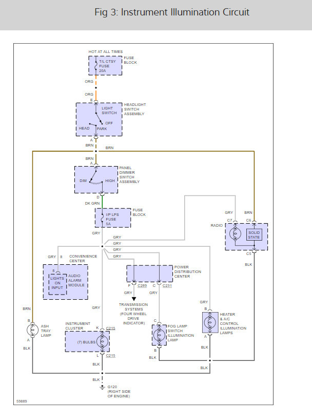
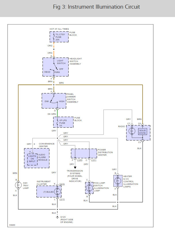
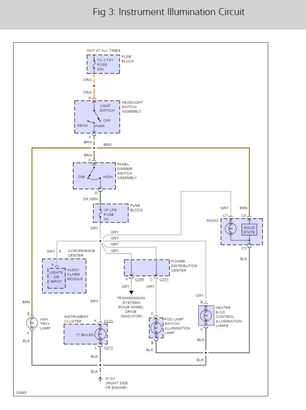
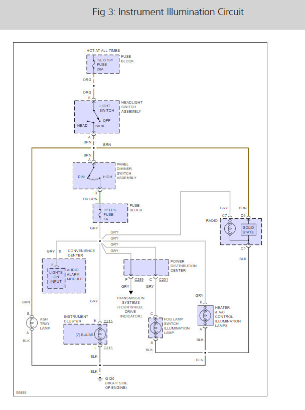
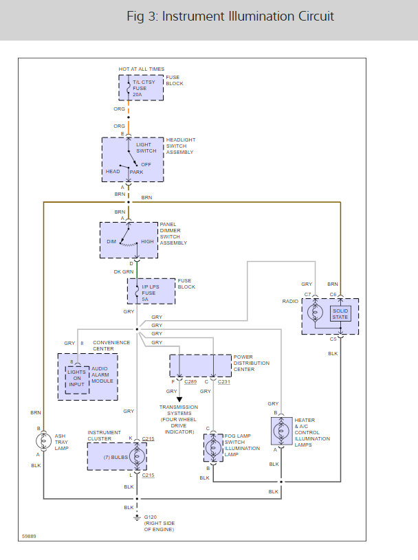
When I turned on my headlights when it is running I get a tone like the truck is off reminding me the headlights are on. I also no longer have high beams and can only get the alarm to stop going off unless I turn the dimmer switch for the dash lights all the way down to the lowest setting. What could be causing this?





