Saturday, October 19th, 2024 AT 10:34 AM
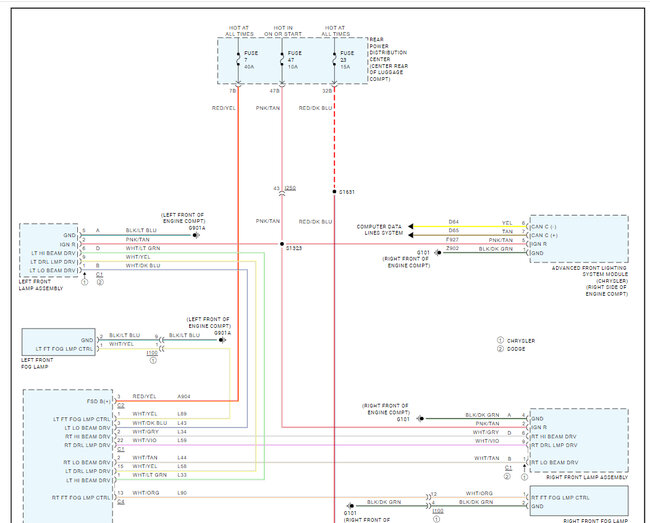
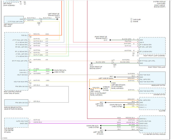
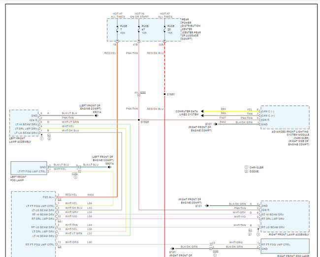
At first I thought it was the light bulb and went to AutoZone and bought a new bulb for like 130.00 and when I took out the old bulb it didn't even look broken, so I was like that's weird, but my boyfriend broke the old light bulb by dropping it. So, we put the new one in, and it worked for a little while and then we noticed it was only going on sometimes and it depended on if the lights were on auto or regular so playing with the inside turn on switch worked to put it on sometimes. Now the light is not working at all and I think it could be the relay for that light, but I do not know where to find the correct relay to pull out and replace it. I think that is the next step because the light is in correctly and it is still not working can you please help me in letting me know which relay it is in the fuse box so I can get a new one and try that I don't want the high beam bulbs to go out since to have headlights I have to use my high beams or I have no lights on that side but my high beam bulb works and my blinker light works on the passenger's side just not the low beam circle light. I want to fix this ASAP now before it makes my high beam lights blow having to use them when driving at night or in the rain. If you can let me know which relay that would be for in the fuse box under the hood I have a front and rear fuse box and it says the front has the relays but says unknown relays so I don't want to just pull anyone out and have something else not work and really have an issue on my hands. Thanks





