Headlight lens replacement

Tiny
BELINDA F MCNEAL
  • MEMBER
  • 2000 DODGE NEON
  • 96,000 MILES
One of my headlight lens is broken. Can I replace just the lens or do I have to replace the whole light?
Tuesday, April 30th, 2019 AT 12:03 AM

3 Replies

Tiny
SCGRANTURISMO
  • MECHANIC
  • 4,897 POSTS
Hello,

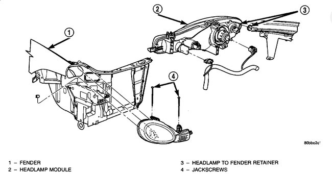
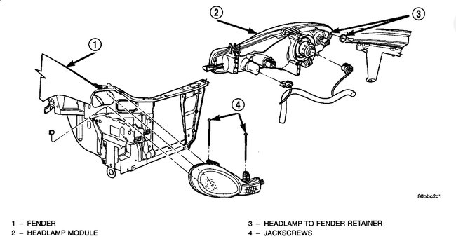
No, you can just replace the headlight module and not the bulb if you want. They are two separate parts. When handling the bulb, make sure not to touch the glass of the halogen bulb, it will greatly diminish the it's life expectancy. I have included step by step directions for the removal and installation of the headlight module in the diagrams down below. Please get back to us with how everything turns out.

Thanks,
Alex
2CarPros
Was this
answer
helpful?
Yes
No
Tuesday, April 30th, 2019 AT 7:51 AM
Tiny
BELINDA F MCNEAL
  • MEMBER
  • 2 POSTS
Thank you so much. I will let you know how it turns out hopefully tomorrow.
Was this
answer
helpful?
Yes
No
Tuesday, April 30th, 2019 AT 12:29 PM
Tiny
KEN L
  • MASTER CERTIFIED MECHANIC
  • 55,512 POSTS
Please let us know what you find. We are interested to see what it is.
Was this
answer
helpful?
Yes
No
Thursday, May 2nd, 2019 AT 2:35 PM

Please login or register to post a reply.