Wednesday, December 11th, 2019 AT 3:25 AM
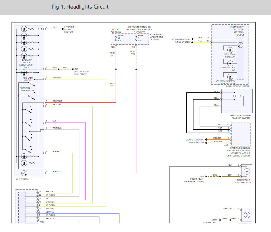
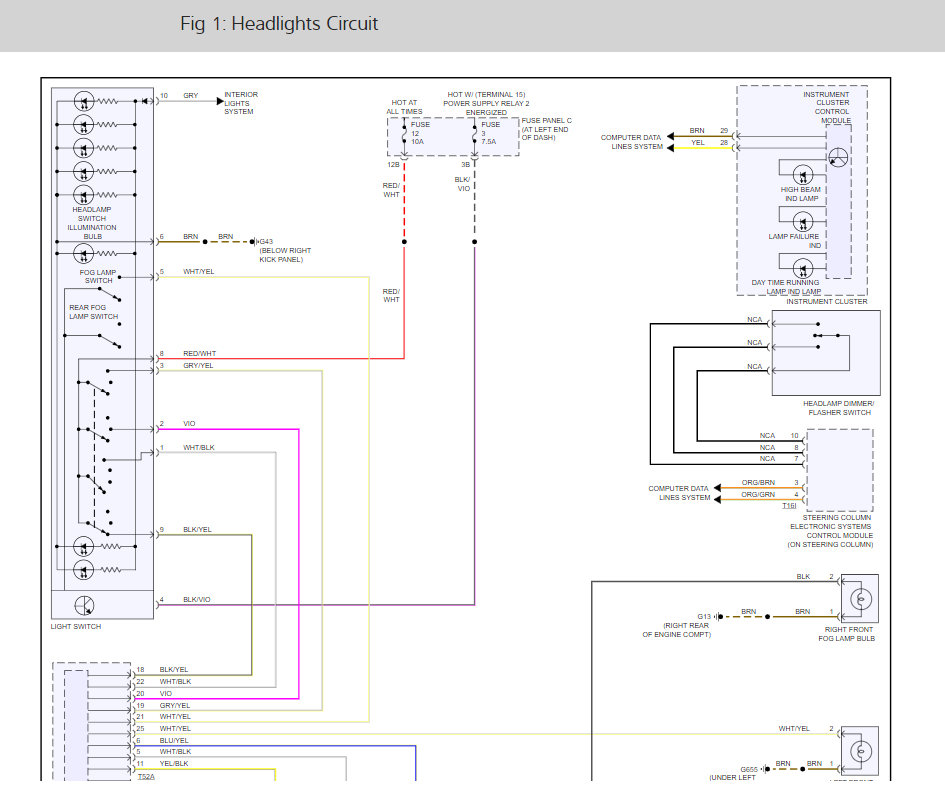
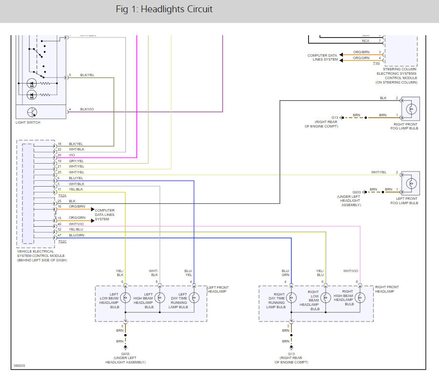
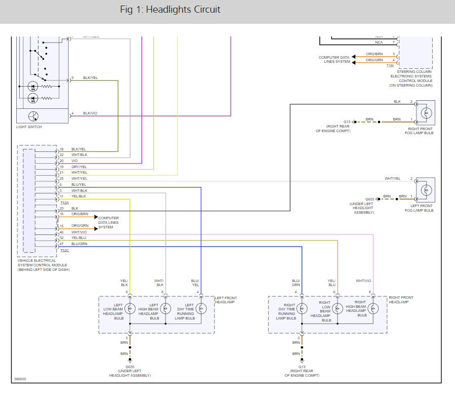
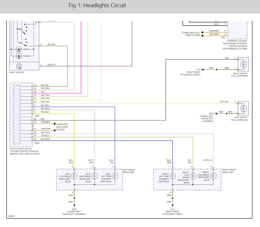
I'm having an issue with my car, one day the low beam headlights began to act funky and then continued to not work at all. I've checked all relays and fuses and everything seems to check out. Taillights and everything else work just fine. When I checked the two wires straight to the low beam bulb, I get power on both wires. When putting the switch on I still have power to both wires (light is not working of course). When I perform the same test for the high beam side. While off it receives power on both wires but when I turned the high beams on I get power in one wire and ground on the other. So my question would be how does this system work? Does the BCM supply a power and ground to turned the headlights on? If so would the module be at fault? I have all the diagrams I need but anything helps. I just want a better understanding how this system works.





