The passenger side low and high beam are not working?

Tiny
BHAMDOC1973
  • MEMBER
  • 2011 AUDI A3
  • 4 CYL
  • TURBO
  • 2WD
  • AUTOMATIC
  • 142,000 MILES
I changed it over from the other side but it still does not work.
Sunday, December 10th, 2023 AT 6:36 AM

19 Replies

Tiny
JACOBANDNICKOLAS
  • MECHANIC
  • 110,194 POSTS
Hi,

I need you to locate three wires at the light assembly. One is yellow, one is white, and the other is brown.

With the low beam lights on, check to see if there is power to the yellow wire. Then, check the same on the white wire with the high beam lights on. If you have power, then we need to check the brown wire.

The brown wire is the ground source for the lights. I need you to check it for continuity to ground.

Here is a link you may find helpful:

https://www.2carpros.com/articles/how-to-check-wiring

Let me know what you find,

Joe

See pics below.
Was this
answer
helpful?
Yes
No
Sunday, December 10th, 2023 AT 8:15 PM
Tiny
BHAMDOC1973
  • MEMBER
  • 2,018 POSTS
Nothing on yellow. White shows ground, brown is ground.
Was this
answer
helpful?
Yes
No
Monday, December 11th, 2023 AT 9:43 AM
Tiny
BHAMDOC1973
  • MEMBER
  • 2,018 POSTS
Sorry, this was not right, here is what I have. Also fuses under hood and on passenger dash side are all good. Also taillight brake light not working and turn signal as well, but I think it's the bulb and maybe not.
Was this
answer
helpful?
Yes
No
Monday, December 11th, 2023 AT 10:08 AM
Tiny
BHAMDOC1973
  • MEMBER
  • 2,018 POSTS
First one that had power was white sorry. Yellow was the one that had beeps for both power and ground, and sometimes just gave me ground when engine was off, and lights were on.
Was this
answer
helpful?
Yes
No
Monday, December 11th, 2023 AT 10:24 AM
Tiny
JACOBANDNICKOLAS
  • MECHANIC
  • 110,194 POSTS
Hi,

The only one that should show a ground is the brown wire. The yellow and white wires should have 12v based on if the high beam is selected or the low beam is. You need to select one or the other for there to be a change.

Yellow = Low Beam

White = High Beam

Brown = constant ground path.

If you are getting a ground via one of the other two (other than the white or yellow) there has to be a short to ground.

Let me know if that is what you are getting.

Take care,

joe
Was this
answer
helpful?
Yes
No
Monday, December 11th, 2023 AT 8:21 PM
Tiny
BHAMDOC1973
  • MEMBER
  • 2,018 POSTS
Oh, I forgot to select high beam when checking the other wire, maybe that's why it was acting weird. I'll double check both.
Was this
answer
helpful?
Yes
No
Tuesday, December 12th, 2023 AT 5:16 AM
Tiny
BHAMDOC1973
  • MEMBER
  • 2,018 POSTS
With low beam on brown has ground, yellow shows 1.2 but does not light up or say volts. Same when I turn high beam and white wire just says 1.2.
Was this
answer
helpful?
Yes
No
Thursday, December 14th, 2023 AT 12:00 PM
Tiny
JACOBANDNICKOLAS
  • MECHANIC
  • 110,194 POSTS
Hi,

I'm not familiar with the tester you are using. Does it indicate 1.2v? If that is the case, we need to trace the wiring back to where the power is being lost. Also, when you checked for voltage, where did you get the ground? If you used the brown wire, check to see if you get the same results if you use the battery negative. A weak ground can cause this as well.

Let me know.

Joe
Was this
answer
helpful?
Yes
No
Thursday, December 14th, 2023 AT 8:23 PM
Tiny
BHAMDOC1973
  • MEMBER
  • 2,018 POSTS
Like I said it soes not say volts or beep to show ground or power like it should, only shows this number. I used the battery negative for ground and battery positive for power to power the probe.
Was this
answer
helpful?
Yes
No
Friday, December 15th, 2023 AT 4:03 AM
Tiny
BHAMDOC1973
  • MEMBER
  • 2,018 POSTS
Power Probe III Circuit Tester - PP3CS in Flames- Voltmeter https://a.co/d/22OuLox
Was this
answer
helpful?
Yes
No
Friday, December 15th, 2023 AT 2:34 PM
Tiny
JACOBANDNICKOLAS
  • MECHANIC
  • 110,194 POSTS
I'm not sure what to tell you. If it isn't indicating anything other than the number, I'm not sure what that indicates as well.

Joe
Was this
answer
helpful?
Yes
No
Friday, December 15th, 2023 AT 3:44 PM
Tiny
BHAMDOC1973
  • MEMBER
  • 2,018 POSTS
Yes, its weird. Every once in a while when testing an issue I get that. That tells me there is a problem. Ugh
Was this
answer
helpful?
Yes
No
Friday, December 15th, 2023 AT 3:49 PM
Tiny
JACOBANDNICKOLAS
  • MECHANIC
  • 110,194 POSTS
Hi,

The frustrating part is we don't know what kind of fault. Are you able to check it with a multimeter or even a test light?

Joe
Was this
answer
helpful?
Yes
No
Friday, December 15th, 2023 AT 3:52 PM
Tiny
BHAMDOC1973
  • MEMBER
  • 2,018 POSTS
Just tested it with the test light, with low beam on power on green, ground on both yellow and white as well as brown. But the light is very dim, not like when I test the ground on brown, much less, so same results as by the probe which means something isn't right. If fuse was blown I would not get anything on any the wires.
Was this
answer
helpful?
Yes
No
Friday, December 15th, 2023 AT 4:14 PM
Tiny
JACOBANDNICKOLAS
  • MECHANIC
  • 110,194 POSTS
Hi,

It sounds like we have a short to ground. You should only have a ground path via the brown wire. Also, if the light is dim and you know the ground is good, we aren't getting the power needed.

You need to check if the same power is present at the electrical system control module under the dash. This would be done with the connector disconnected and checked at the module pins.

Let me know your thoughts.

Joe
Was this
answer
helpful?
Yes
No
Friday, December 15th, 2023 AT 11:02 PM
Tiny
BHAMDOC1973
  • MEMBER
  • 2,018 POSTS
Had a friend come help me, all grounds okay. The yellow wire which controls the low beam, when the car is off there is nothing on the good side of the car that works but is ground on the side that has the issue. When you turn the low beam on the good side of the car goes power and same for the other side. So, that wire must be touching ground somewhere, as in how is it possible to be ground and then changes to power when light is on. We gave power to the yellow wire to see if bulb would come on and it did. Is there a way to find out where the relay is? I looked everywhere. He thinks the relay, maybe the issue. But I told him if all the fuses are good how is that possible.
Was this
answer
helpful?
Yes
No
Thursday, January 4th, 2024 AT 2:12 PM
Tiny
JACOBANDNICKOLAS
  • MECHANIC
  • 110,194 POSTS
Hi,

I need you to redescribe the ground portion. If you have ground in the faulty side power wire with things off but don't in the good side, that does sound like a short to ground. Either that is the issue, or the electrical system module has failed internally. Keep in mind, there could be a connector issue at the module causing it as well.

As far as a relay, there isn't one for the lighting. The rear light issue could also be related to the same problem.

Let me know.

Take care,

Joe
Was this
answer
helpful?
Yes
No
Thursday, January 4th, 2024 AT 5:58 PM
Tiny
BHAMDOC1973
  • MEMBER
  • 2,018 POSTS
Yes, there is ground where there should not be. Isn't it possible since there is no relay that the switch has issues? Also where is the module so I can check the connection?
Was this
answer
helpful?
Yes
No
Thursday, January 4th, 2024 AT 6:06 PM
Tiny
JACOBANDNICKOLAS
  • MECHANIC
  • 110,194 POSTS
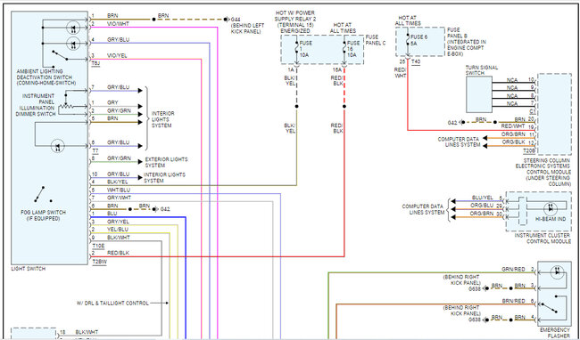
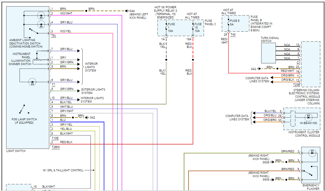
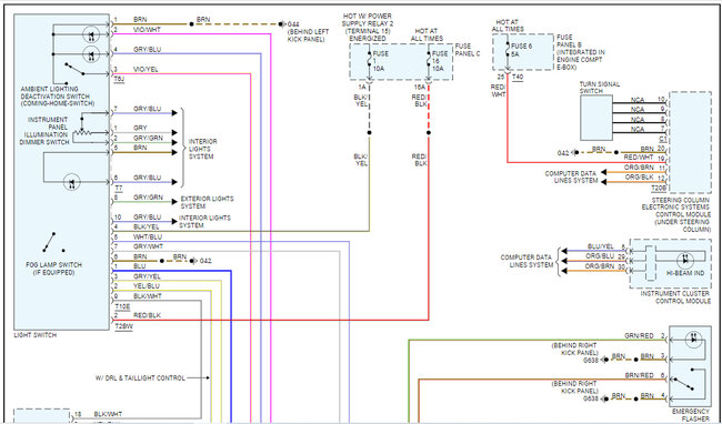
It is under the dash, left side. I attached a pic below. Sorry, but it is the best one I could find. LOL

Let me know if this helps.

Joe

See pic below.
Was this
answer
helpful?
Yes
No
Thursday, January 4th, 2024 AT 7:02 PM

Please login or register to post a reply.