Headlight bulb installation

Tiny
DJ123
  • MEMBER
  • 2000 DODGE CARAVAN
  • 260,000 MILES
How do you put the headlight bulb in! I got the old one out with enough finagling but no luck putting new back in. That lock ring deal is a real nightmare!
Tuesday, February 25th, 2020 AT 11:21 AM

15 Replies

Tiny
JACOBANDNICKOLAS
  • MECHANIC
  • 110,192 POSTS
Hi,

Here are the directions specific to your vehicle:

____________________

2000 Dodge or Ram Truck Grand Caravan FWD V6-3.3L VIN R
Procedures
Vehicle Lighting and Horns Headlamp Headlamp Bulb Service and Repair Procedures
PROCEDURES
REMOVAL
1. Release hood latch and open hood.
2. From behind radiator closure panel, disconnect wire connector from back of headlamp bulb base.
3. Rotate headlamp bulb retaining ring counter-clockwise.

Headlamp Bulb

Pic 1

4. Remove retaining ring from headlamp.
5. Pull headlamp bulb from back of headlamp.

INSTALLATION

CAUTION: Do not touch the glass of halogen bulbs with fingers or other possibly oily surface, reduced bulb life will result.

1. From behind radiator closure panel, insert headlamp bulb into back of headlamp.
2. Engage retaining ring onto headlamp.
3. Rotate headlamp bulb retaining ring clockwise.
4. Connect wire connector into headlamp bulb base.

____________________

If the bulb doesn't want to fit fully into the housing, make sure the o-ring hasn't stuck in the light assembly (some of these didn't have one). Also, if you look at the bulb, you will notice the tabs that push in are different sizes. Make sure it is in the correct position.

Let me know if this helps or if you have other question.

Joe
Was this
answer
helpful?
Yes
No
Tuesday, February 25th, 2020 AT 4:07 PM
Tiny
KASEKENNY
  • MECHANIC
  • 18,907 POSTS
Yeah they are a little tricky when you can't see it. You have to do it from feel but the trick I have found is look through the lens on the front to get the bulb in the opening. Then just start turning it clockwise until the locking tabs grab and lock it in place. Don't worry about trying to line it up going in because again, you can't see it. Just get it in there and then turning it clockwise will get it to lock once it is lined up.

Let me know if you still have trouble and we can try something else.
Was this
answer
helpful?
Yes
No
Tuesday, February 25th, 2020 AT 4:07 PM
Tiny
DJ123
  • MEMBER
  • 24 POSTS
My question is, is the bulb suppose to be integrated with lock ring when installing or separate?
Was this
answer
helpful?
Yes
No
Tuesday, February 25th, 2020 AT 6:47 PM
Tiny
JACOBANDNICKOLAS
  • MECHANIC
  • 110,192 POSTS
When I do it, I place the bulb in the locking ring and then as a unit, place it into the assembly and tighten. Then the wiring needs attached.

Let me know exactly what you are having trouble with as far as installing.

Joe
Was this
answer
helpful?
Yes
No
Tuesday, February 25th, 2020 AT 6:55 PM
Tiny
DJ123
  • MEMBER
  • 24 POSTS
Okay, I got it in but new problem! It's dim! Tried switching with opposite side still dim!
Was this
answer
helpful?
Yes
No
Sunday, March 1st, 2020 AT 1:05 PM
Tiny
DJ123
  • MEMBER
  • 24 POSTS
And why so many diff bulbs with same basic design! A 9004 would work but the slots are different! An excuse to make me rich?
Was this
answer
helpful?
Yes
No
Sunday, March 1st, 2020 AT 3:38 PM
Tiny
KASEKENNY
  • MECHANIC
  • 18,907 POSTS
Just so I understand what happened when you switched the bulb. You swapped bulbs side to side and the side that had the dim bulb was still dim with the other bulb in it? Or the dim bulb was still dim when you put it on the other side and the other bulb worked on both sides?
Was this
answer
helpful?
Yes
No
Sunday, March 1st, 2020 AT 6:17 PM
Tiny
DJ123
  • MEMBER
  • 24 POSTS
Switched bulbs side to side same side stayed dim drivers side. Don't know if it makes a difference it's a G C Sport model.
Was this
answer
helpful?
Yes
No
Sunday, March 1st, 2020 AT 6:57 PM
Tiny
JACOBANDNICKOLAS
  • MECHANIC
  • 110,192 POSTS
Make sure nothing has been damaged on the connector. If it's dim, something isn't making a good connection or there is a bad ground. Did the original bulb do the same or did it burn out?
Was this
answer
helpful?
Yes
No
Sunday, March 1st, 2020 AT 7:55 PM
Tiny
DJ123
  • MEMBER
  • 24 POSTS
Will check connector. As I recall bulb burned out. 2001 has a headlight module I guess wondered if 2000 has 1. And if not then must have separate grounds?
Was this
answer
helpful?
Yes
No
Sunday, March 1st, 2020 AT 8:04 PM
Tiny
JACOBANDNICKOLAS
  • MECHANIC
  • 110,192 POSTS
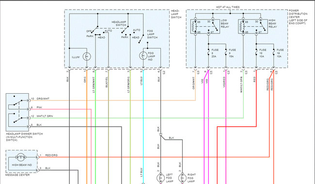
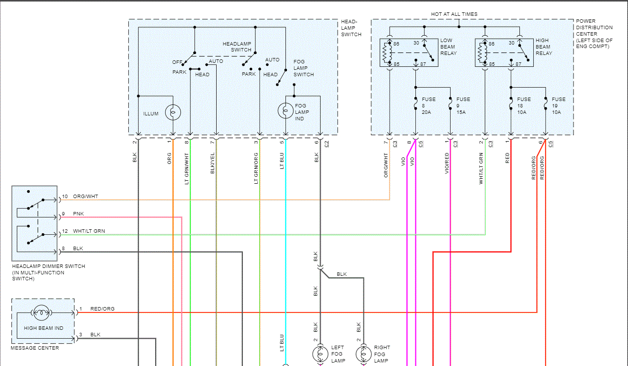
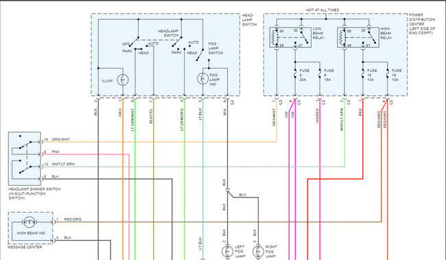
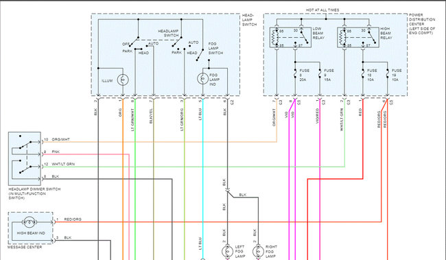
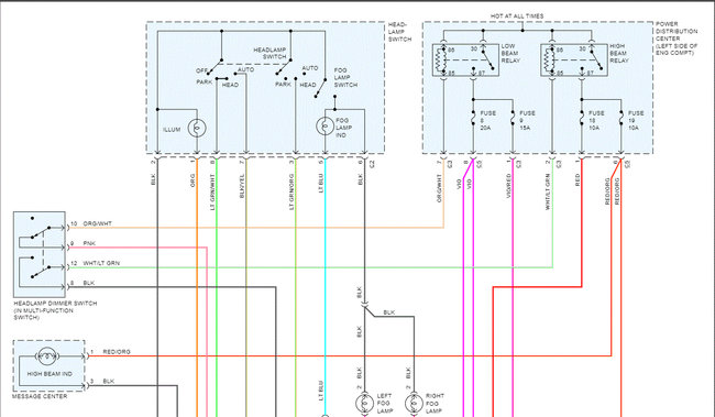
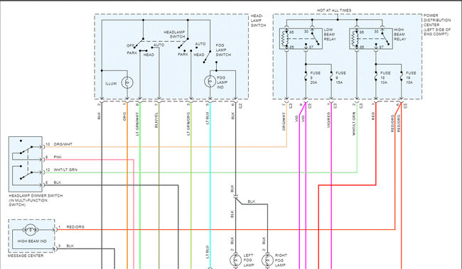
If you look at pic 1, it shows grounds for the head lights. The remaining pics are the entire schematic for the headlamps. I overlapped them so you could follow.

If your vehicle has daytime running lights, let me know. That has a different design.

Let me know if this helps.
Joe
Was this
answer
helpful?
Yes
No
+1
Sunday, March 1st, 2020 AT 8:32 PM
Tiny
DJ123
  • MEMBER
  • 24 POSTS
By kickpanel they mean inside van, correct?
Was this
answer
helpful?
Yes
No
Monday, March 2nd, 2020 AT 3:11 AM
Tiny
DJ123
  • MEMBER
  • 24 POSTS
So I went under hood to peel back insulator on wires was surprised at how small the wires were (16/18) in the process I was pulling on them and then I turned on lights and it's working! So the connector must not be a snug fit on pins or there is some corrosion will try and clean/improve connection later.
Was this
answer
helpful?
Yes
No
Monday, March 2nd, 2020 AT 6:39 AM
Tiny
KASEKENNY
  • MECHANIC
  • 18,907 POSTS
Great news. As Joe mentioned loose connections and corrosion create resistance which dims the bulb. More than likely it is a connection issue due to you moving it and it started working. Worse case scenario you can get what is called a connector kit for that bulb and then just cut the wires about 4 inches behind the current connector and splice on the new one.
Was this
answer
helpful?
Yes
No
Monday, March 2nd, 2020 AT 3:34 PM

Please login or register to post a reply.