Wednesday, October 18th, 2023 AT 5:10 PM
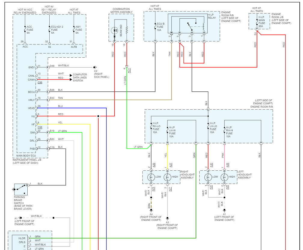
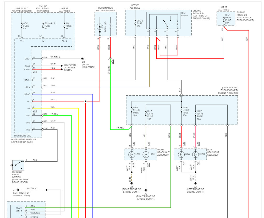
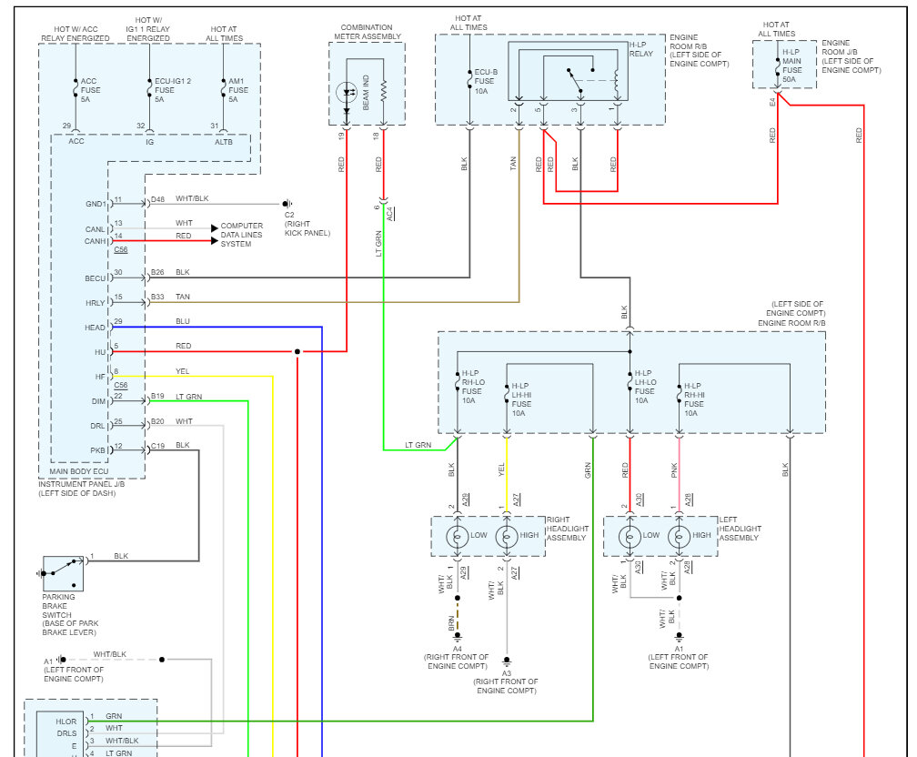
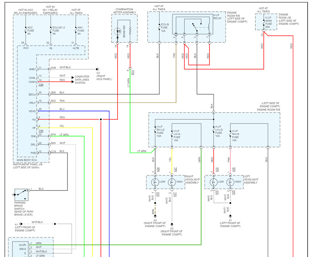
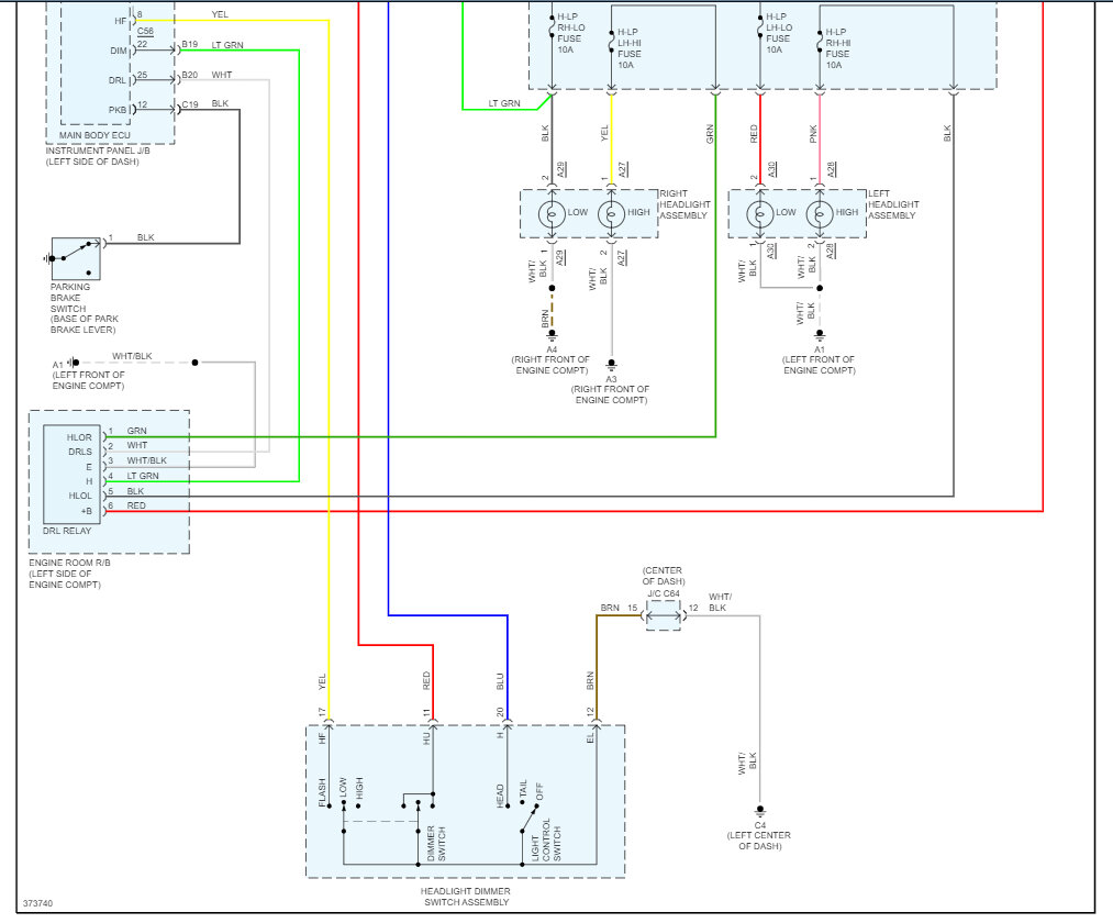
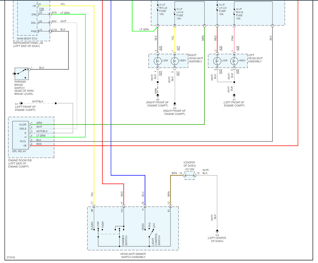
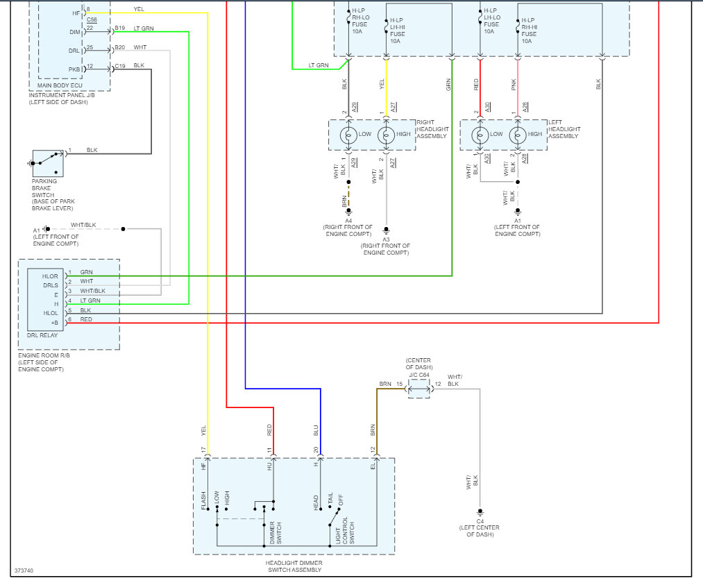
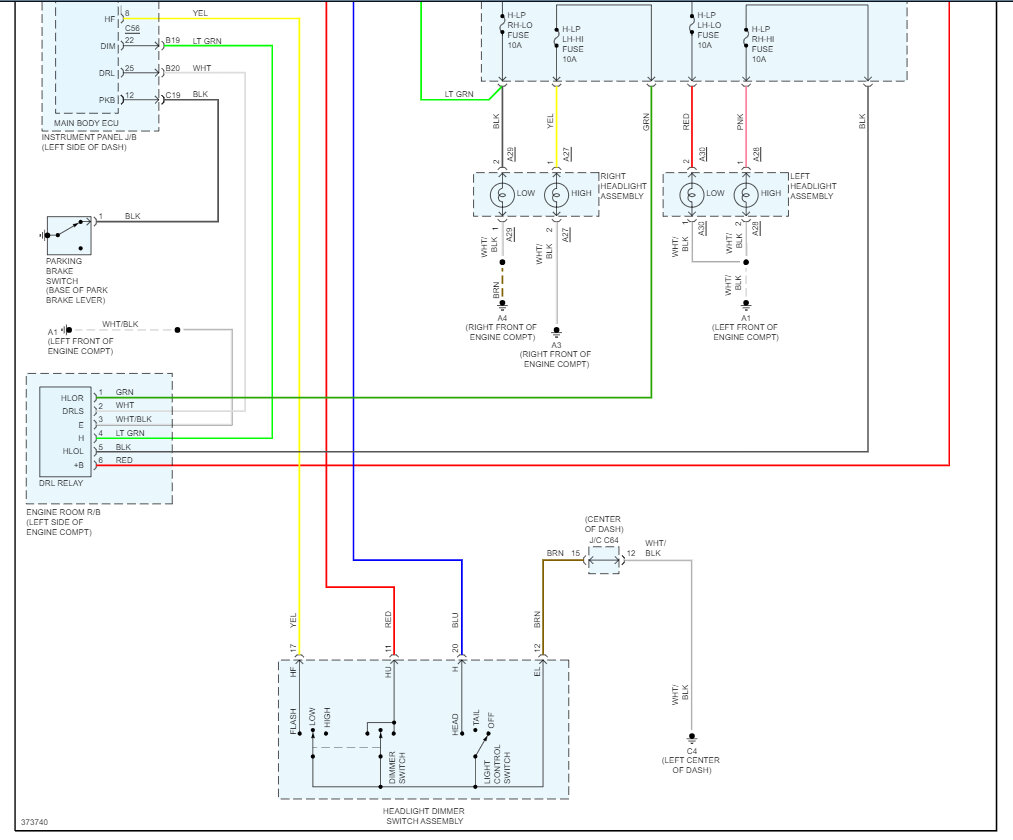
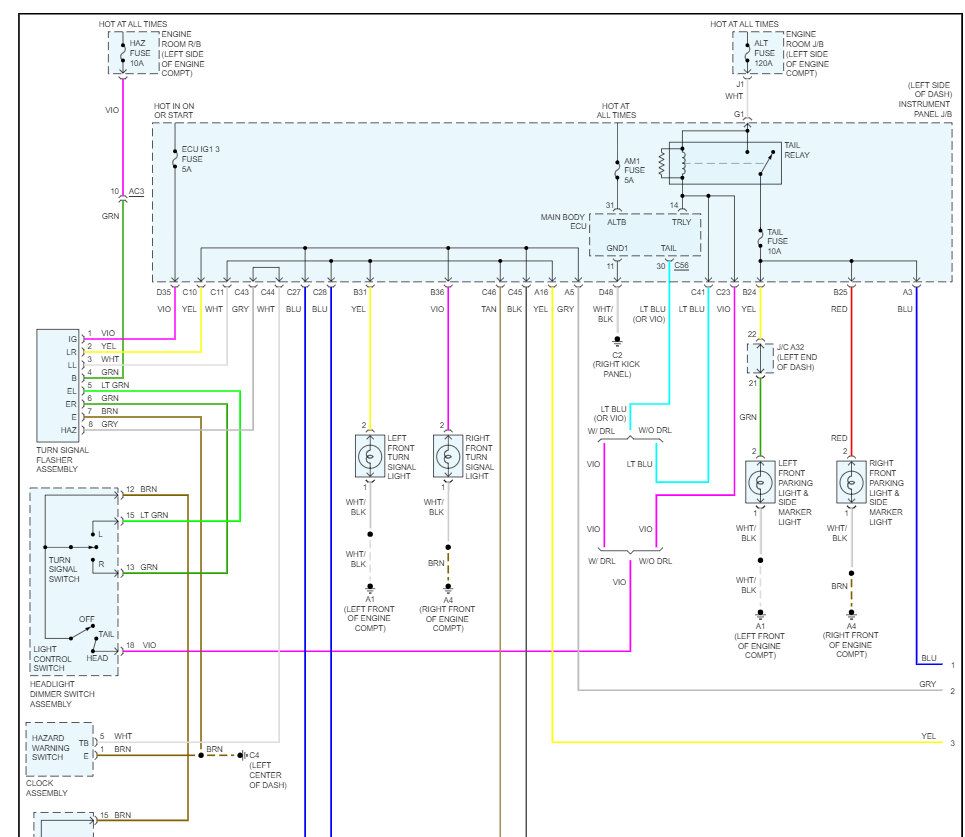
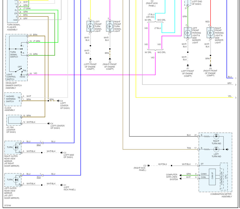
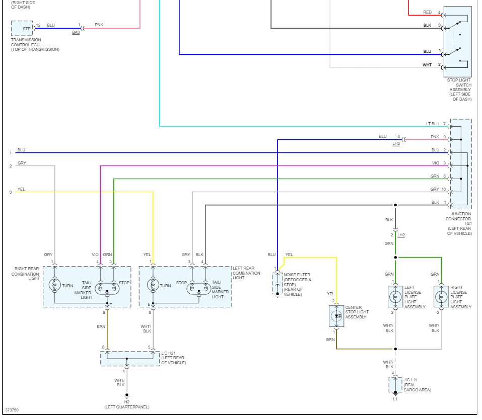
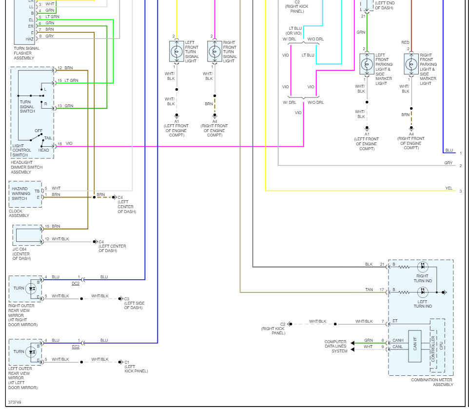
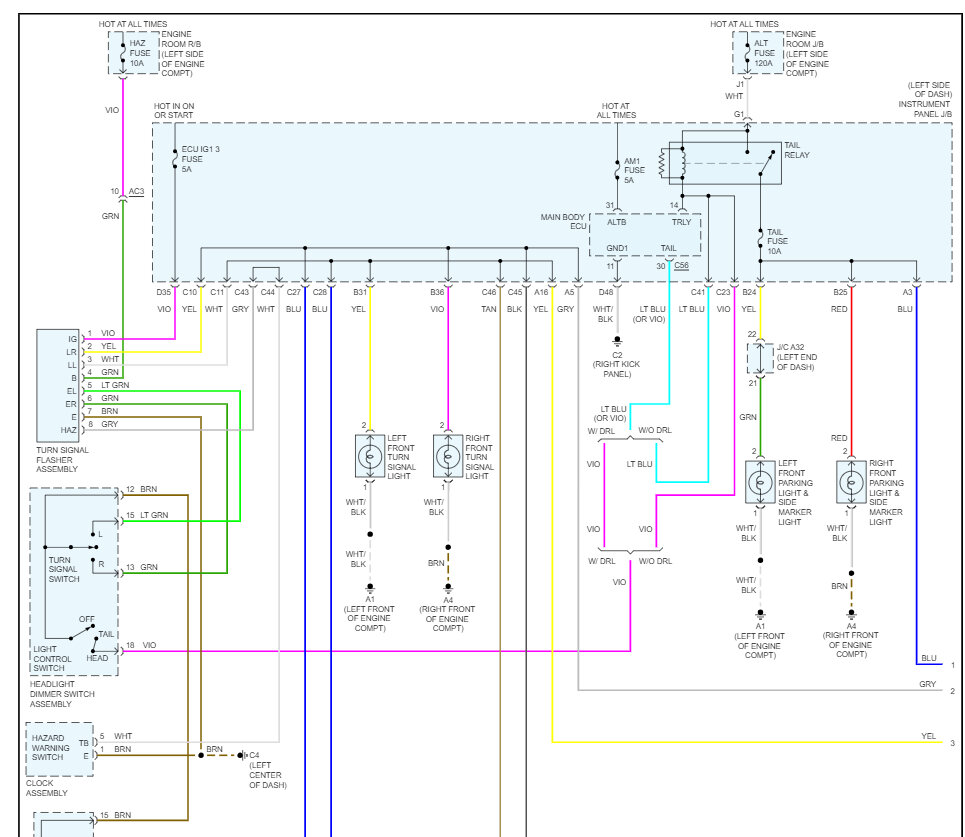
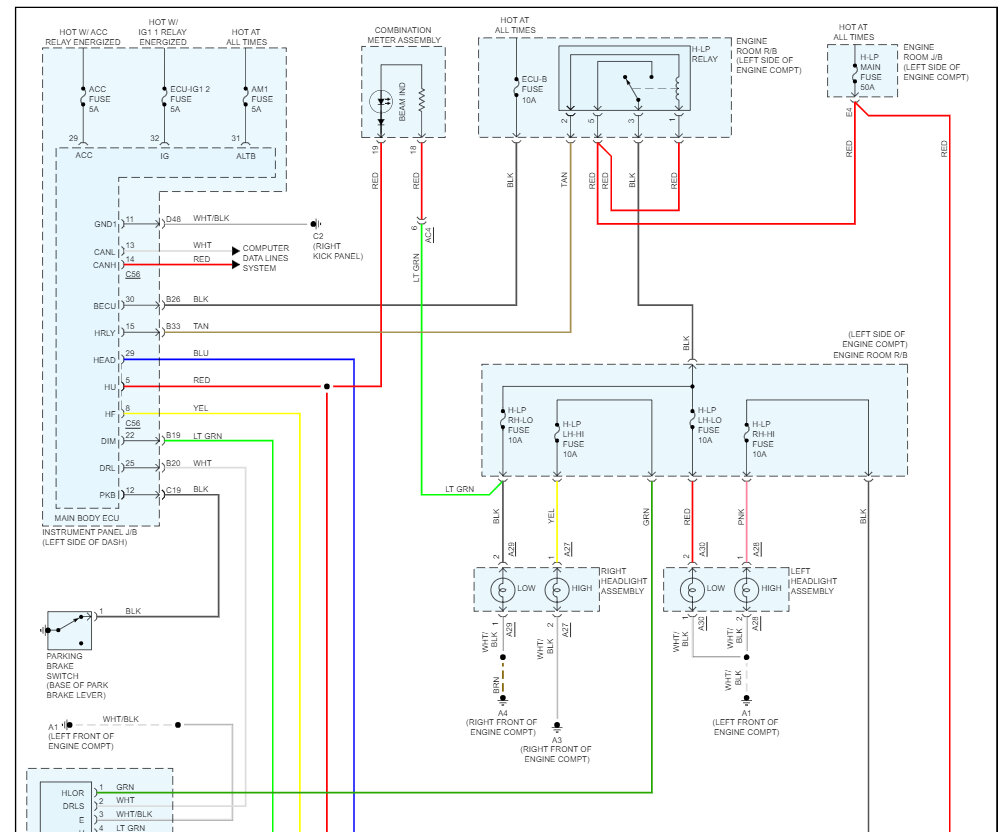
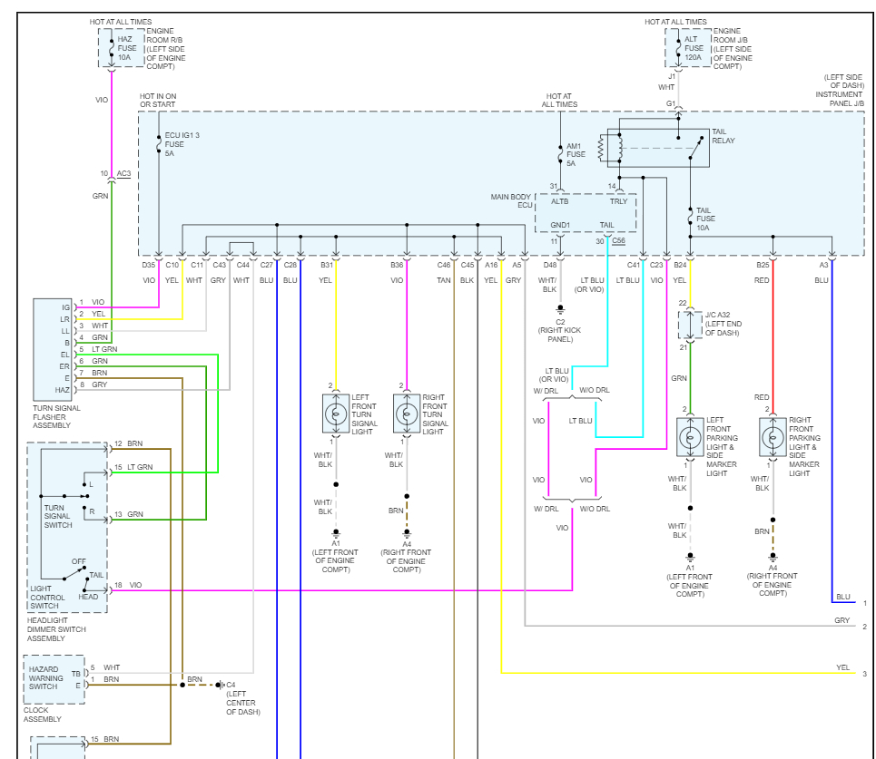
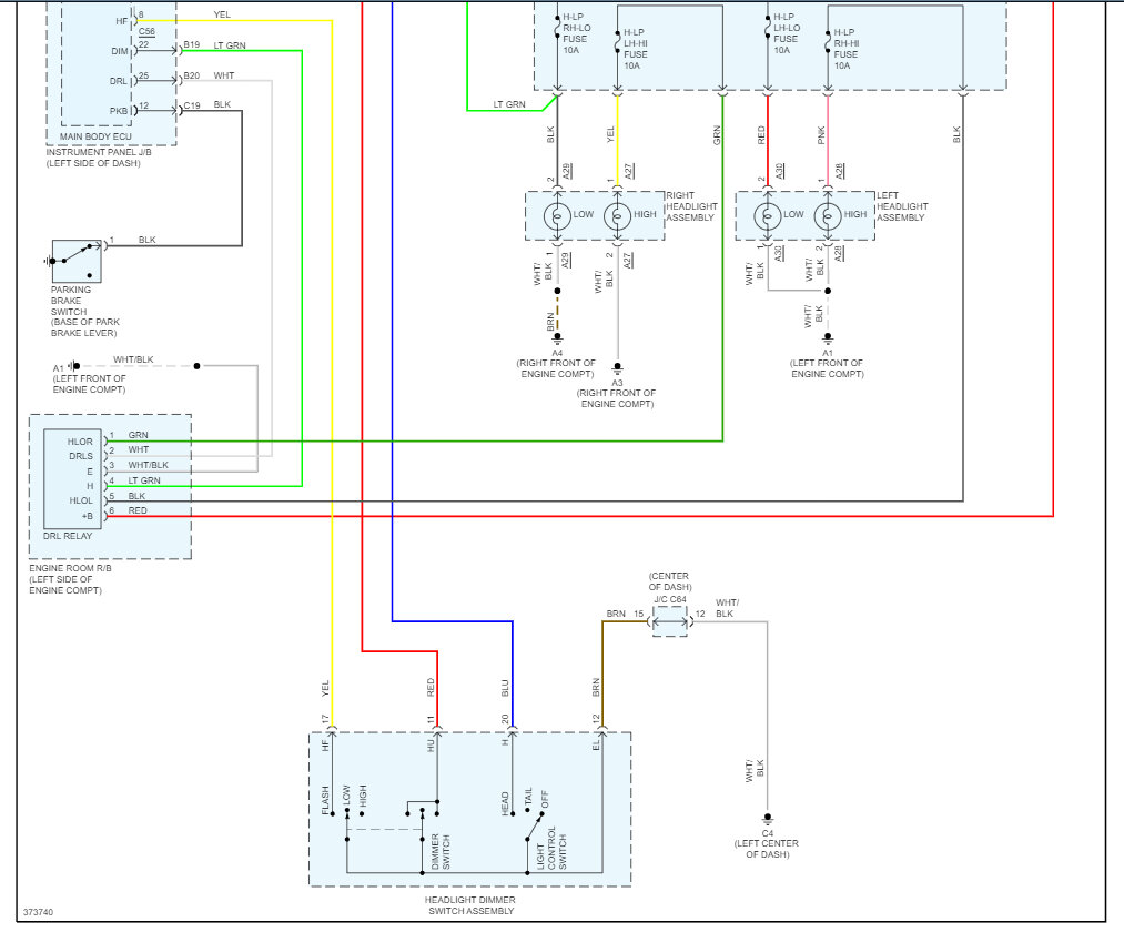
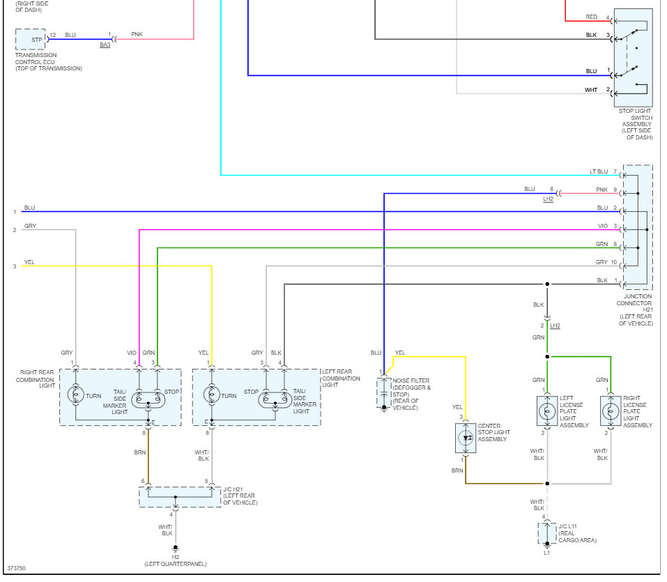
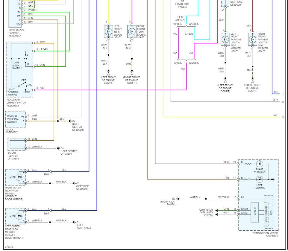
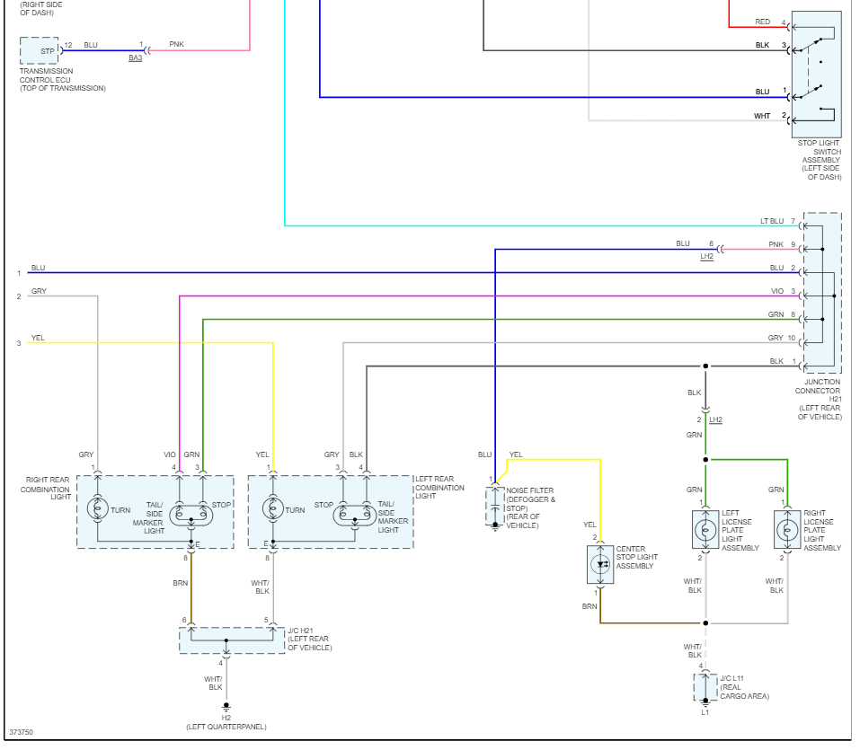
Low beams and rear running lights on passenger side used to work until I replaced the high beam headlight connector and now I am completely dead apart from brake lights and blinkers. Have tested it with a multimeter power is making it to the connector, the bulb is brand new - What would cause it to affect the other bulbs/connectors? Please help!







