HOME
ASK A QUESTION
REPAIR GUIDES
BECOME A MEMBER
LOG IN
Login with Facebook
OR
Remember me
NOT A MEMBER?
FORGOT PASSWORD?
CONTACT US
PRIVACY POLICY
TERMS AND CONDITIONS
☰
Home
SAAB
9-3
Exterior Light
Headlight
Relay
Location
Headlight relay location
JANKRISTIAN52
MEMBER
2005 SAAB 9-3
2.0L
4 CYL
TURBO
AUTOMATIC
100,000 MILES
Which relay is for headlights?
Tuesday, November 12th, 2019 AT 3:42 AM
1 Reply
KASEKENNY
MECHANIC
18,907 POSTS
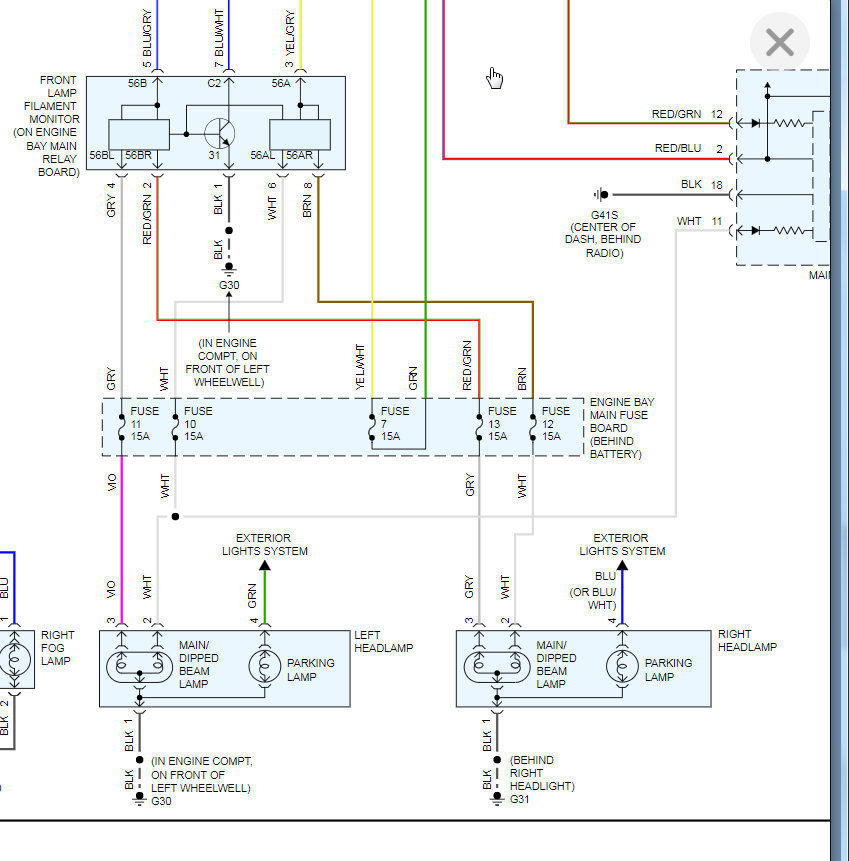
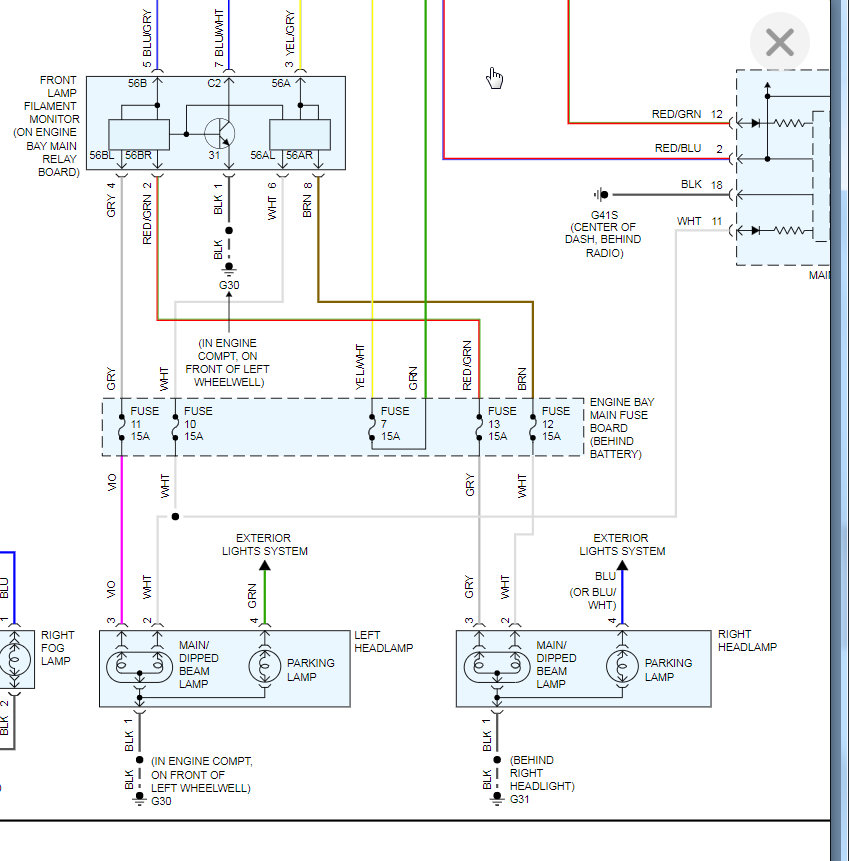
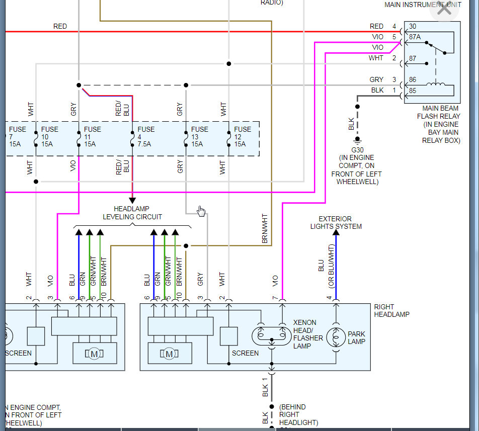
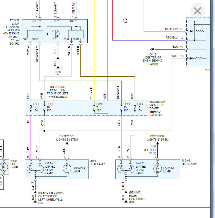
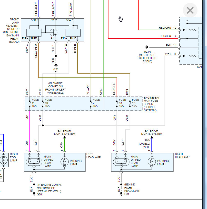
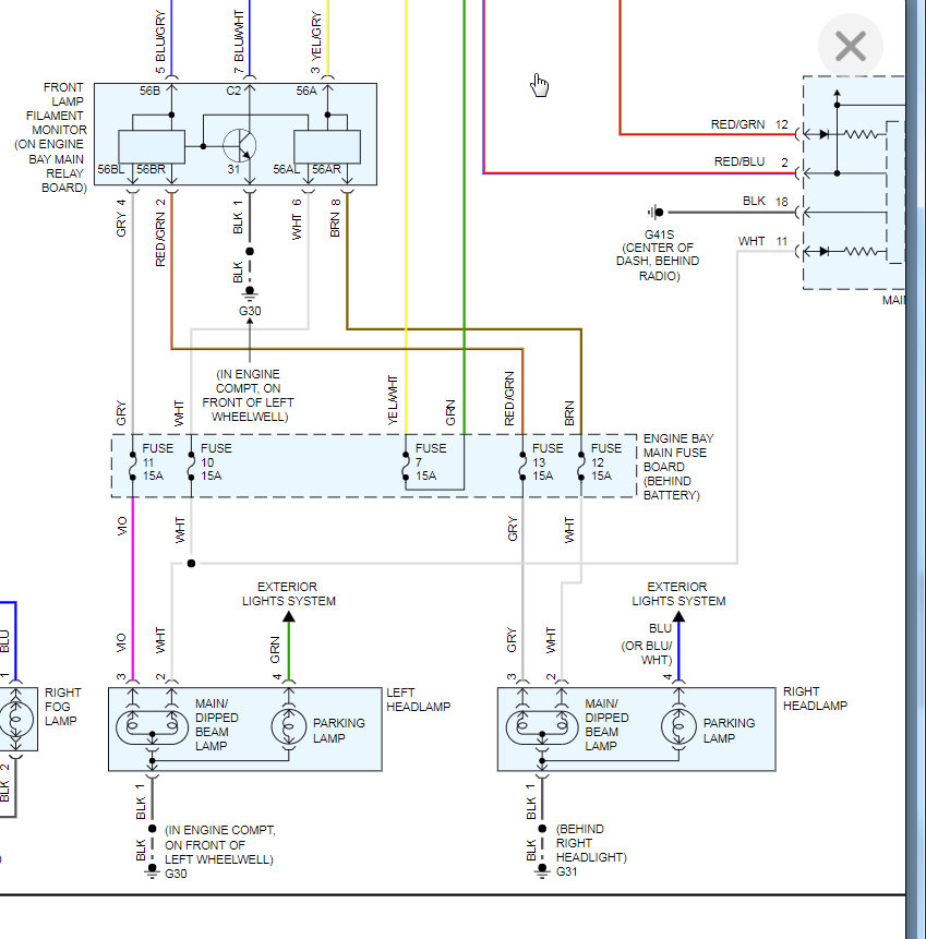
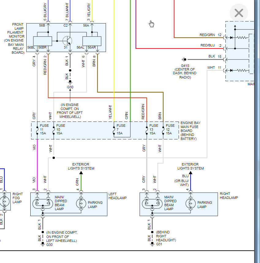
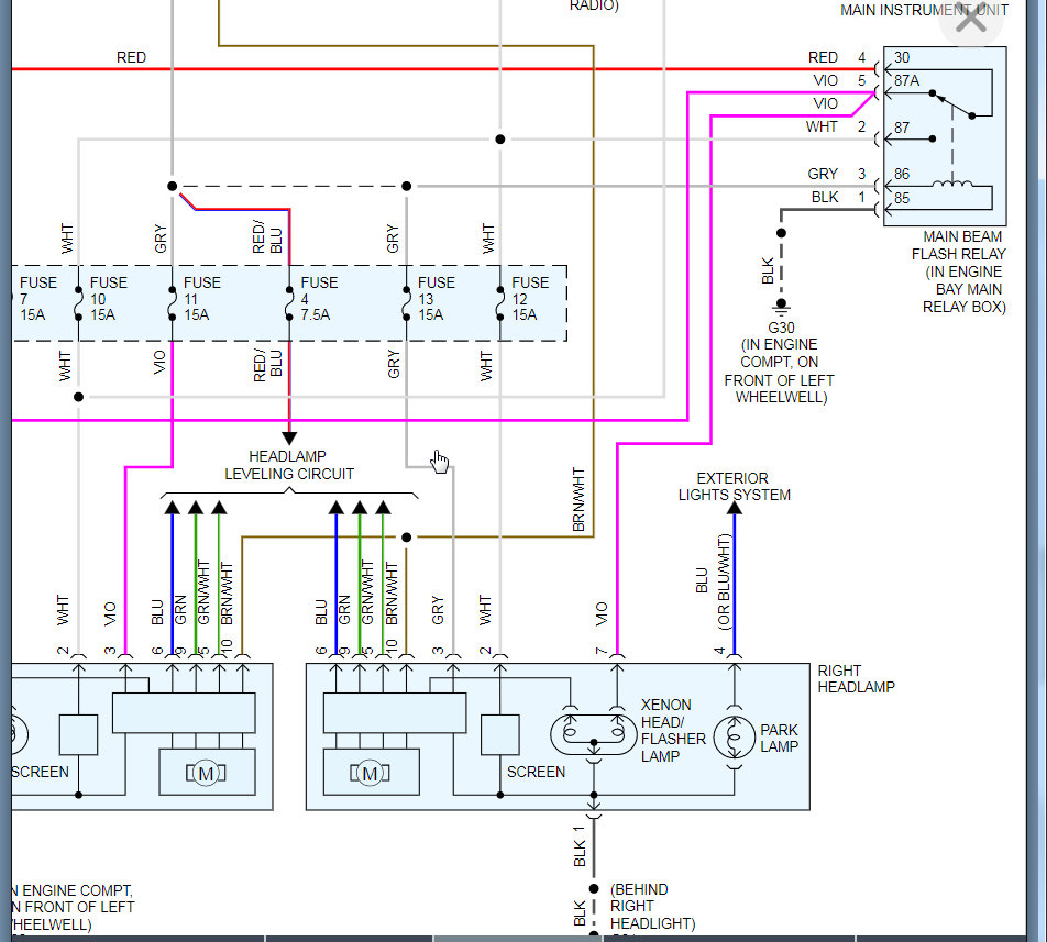
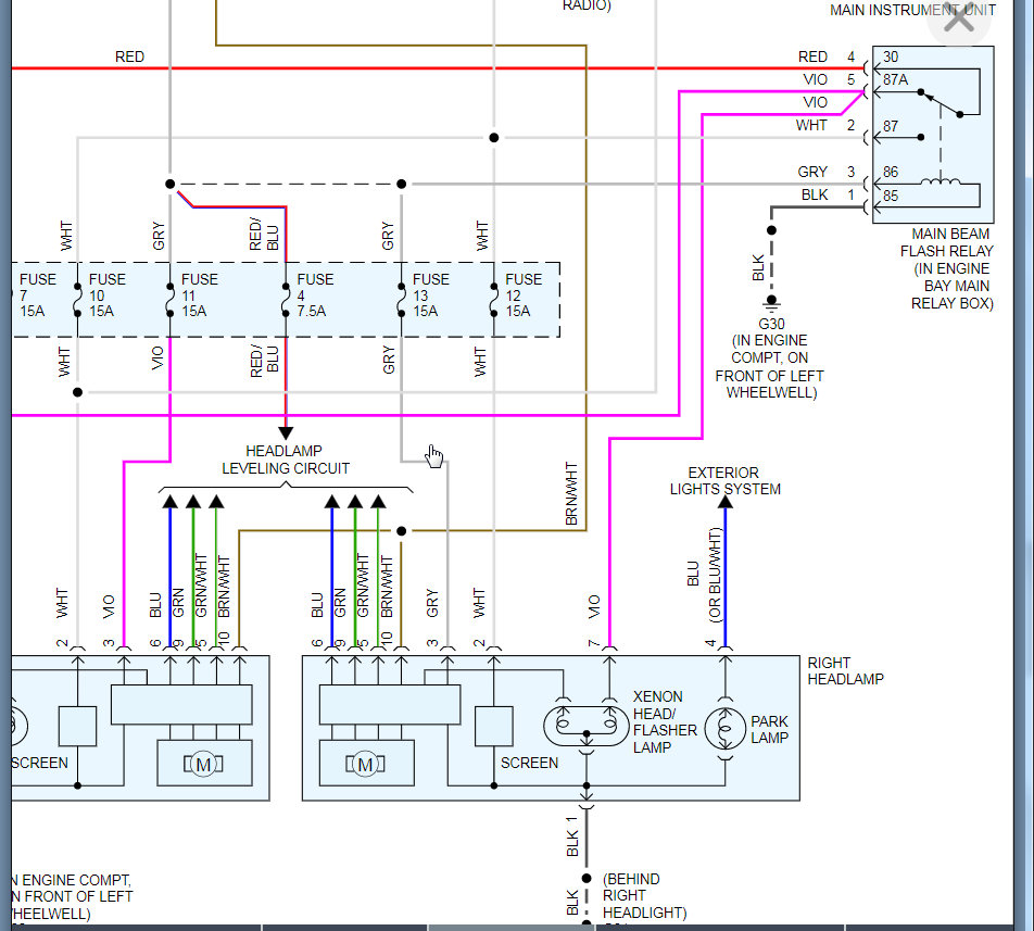
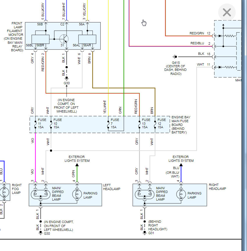
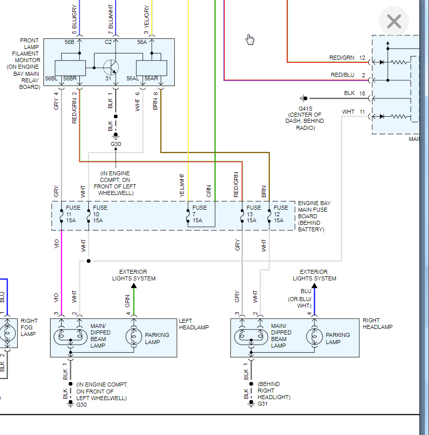
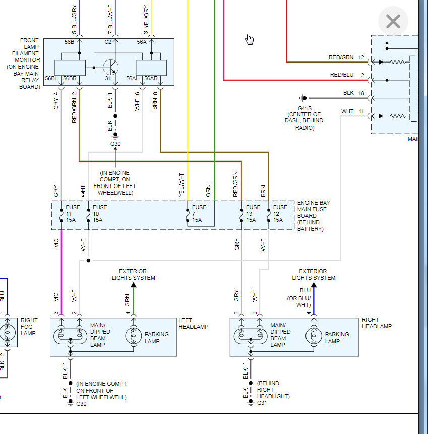
The first wiring diagram is for Xenon lamps and the second is without. Then the rest of the attachments are the various relays. Let me know if you have any other questions. Thanks
Images (Click to make bigger)
Was this
answer
helpful?
Yes
No
-1
Tuesday, November 12th, 2019 AT 2:12 PM
Please
login
or
register
to post a reply.
Related Headlight Relay Location Content
My Low Beam Headlights Keep Going Out Even With New...
Headlights Out Even With New Bulbs. Also Brake Lights Go Out As Well.
Asked by
Lovely1256
·
1 ANSWER
2005
SAAB 9-3
Headlight Problem
I Have Changed Bulb Checked Fuse In Bonnet But My Left Hand Headlights Still Dont Work Is There Another Fuse Box And Which Fuse Would It Be...
Asked by
laza
·
1 ANSWER
2005
SAAB 9-3
2002 Saab 9-3 Randomly Blows Headlight Fuse
2002 Saab 9-3 Randomly Blows Headlight Fuse. Tried New Headlight Bulb And Fuse Of Course. Sometimes Last For Days And Other Times Weeks.
Asked by
lotsoffear
·
3 ANSWERS
2002
SAAB 9-3
1999 Saab 9-3 Repair Question Headlights Not Working
I Replace Both Head Lamps Because They Were Out And The New Ones Don't Work Either. I Checked The Fuses And They Look Good. I Replace The...
Asked by
robdightman
·
1 ANSWER
1999
SAAB 9-3
2008 Saab 9-3 Saab Problems
I Am Replacing The Fixed Head Light Washer Nozzle On The Passenger Side Of My Saab And I Have No Clue Where To Start So Any Advise Would...
Asked by
Russell81
·
2 ANSWERS
4 IMAGES
2008
SAAB 9-3
VIEW MORE
Ask a Car Question. It's Free!
Headlight Dim or Dull
Have a Dim Headlight? - Try Replacing This!
Turn Signals Blink Fast