HOME
ASK A QUESTION
REPAIR GUIDES
BECOME A MEMBER
LOG IN
Login with Facebook
OR
Remember me
NOT A MEMBER?
FORGOT PASSWORD?
CONTACT US
PRIVACY POLICY
TERMS AND CONDITIONS
☰
Home
Chevrolet
Malibu
Exterior Light
Headlight
Wiring
Headlamp wiring harness diagram
JOSHUA ROA
MEMBER
2004 CHEVROLET MALIBU
100,000 MILES
Need diagram of the headlamp wiring harness.
Saturday, May 19th, 2018 AT 5:22 PM
1 Reply
JACOBANDNICKOLAS
MECHANIC
110,192 POSTS
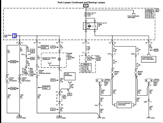
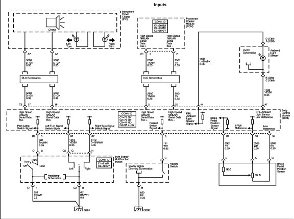
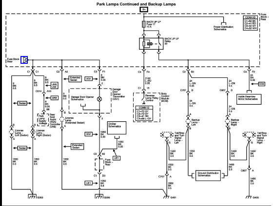
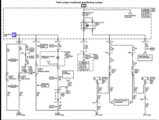
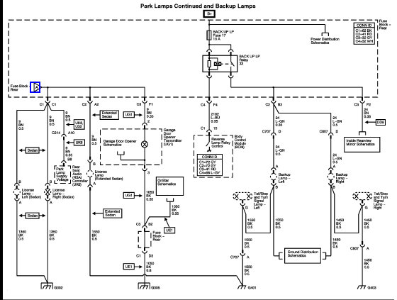
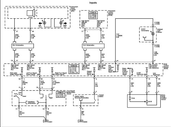
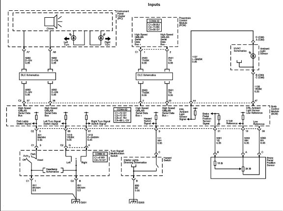
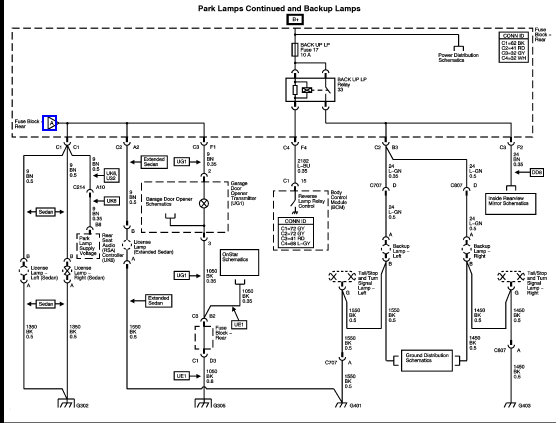
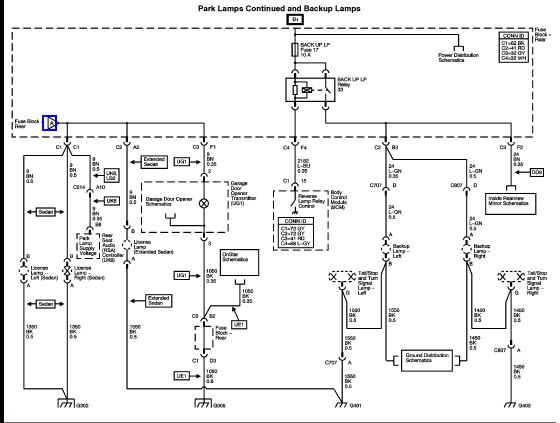
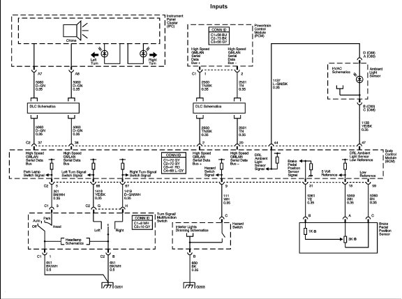
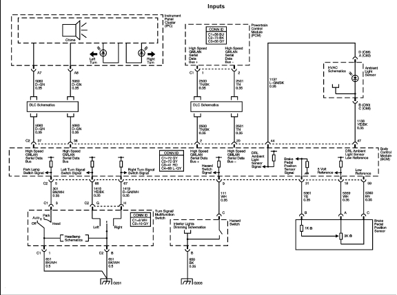
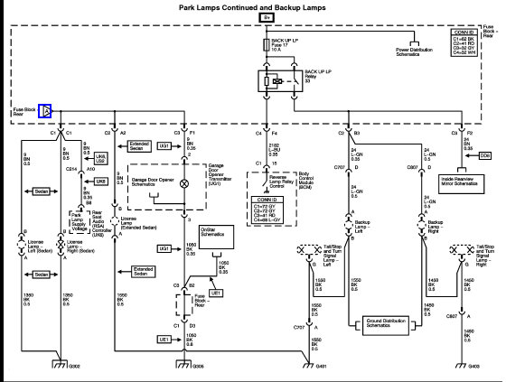
Hi and thanks for using 2CarPros. Com. The first schematic I attached is for the head lights. I then attached schematics for all exterior lighting.
I hope this is what you are looking for. Let me know if it helps or if you have other questions.
Take care,
Joe
Images (Click to make bigger)
Was this
answer
helpful?
Yes
No
+1
Saturday, May 19th, 2018 AT 10:36 PM
Please
login
or
register
to post a reply.
Related Headlight Wiring Content
2009 Chevrolet Malibu Passenger Low Beam Headlight Out
I Want To Know How To Change The Bulb. I Was Able To Purchase The Replacement Bulb But How Do I Get To It To Change It. Should I Go From...
Asked by
willeasem
·
1 ANSWER
4 IMAGES
2009
CHEVROLET MALIBU
2003 Chevy Malibu Heating Cooling Problems
Heater Problem 2003 Chevy Malibu Front Wheel Drive Automatic 75000 Miles Quite The Complicated Problem: A Few Weeks Ago I Recharged...
Asked by
XvExecutorvX
·
3 ANSWERS
11 IMAGES
2003
CHEVROLET MALIBU
2001 Chevy Malibu Dim Headlight
I Was In A Car Accident, And Just Fixed My Car. But, Now My Right Head Light Is Dim, And I Replaced The Plugs And Bulbs.I Think It May Be...
Asked by
brentlyboy007
·
1 ANSWER
2001
CHEVROLET MALIBU
99 Chevy Malibu
I Just Bought This Car. The Passenger Side High And Low Beam Headlights Are Dim, Much Dimmer Than The Driver Side Lights.
Asked by
monticellorob
·
2 ANSWERS
1999
CHEVROLET MALIBU
2003 Chevy Malibu Head Lights
Electrical Problem 2003 Chevy Malibu My Left Headlight Only Works When I Turn On The High Beams. I Think It May Be The Switch Can't...
Asked by
grinch1964
·
3 ANSWERS
2003
CHEVROLET MALIBU
VIEW MORE
Ask a Car Question. It's Free!
Headlight Dim or Dull
Have a Dim Headlight? - Try Replacing This!
Turn Signals Blink Fast