Sunday, February 5th, 2023 AT 7:48 PM
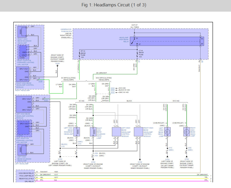
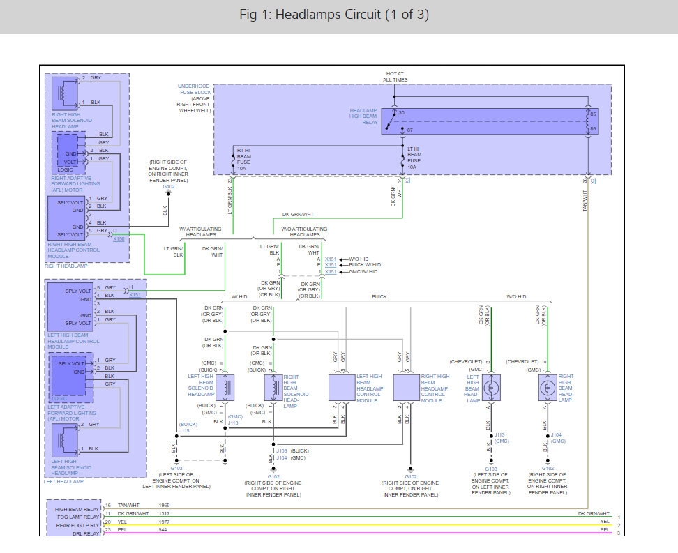
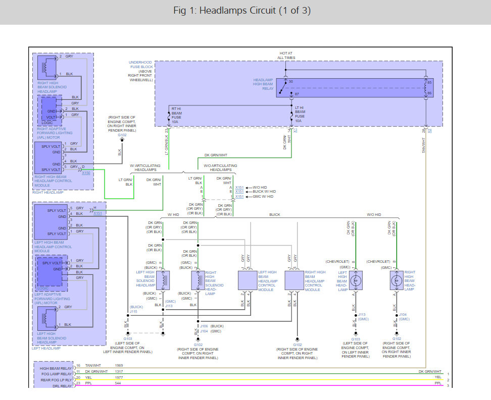
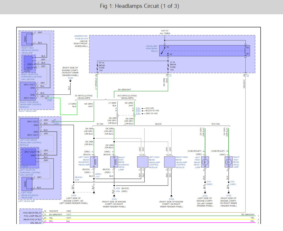
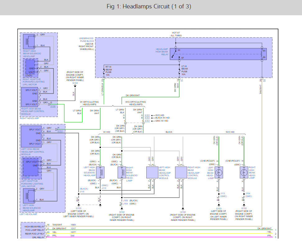
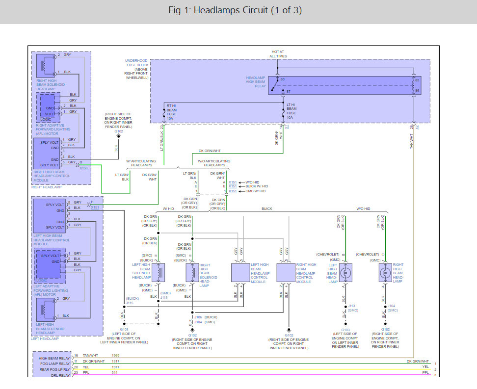
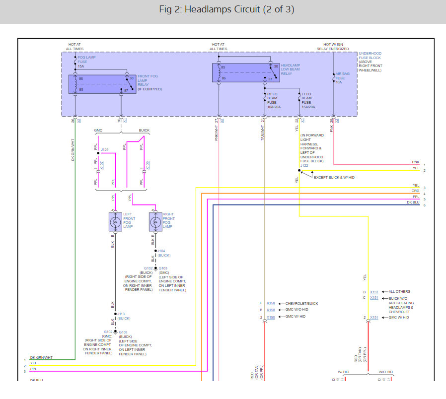
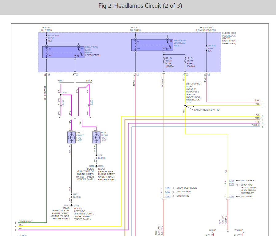
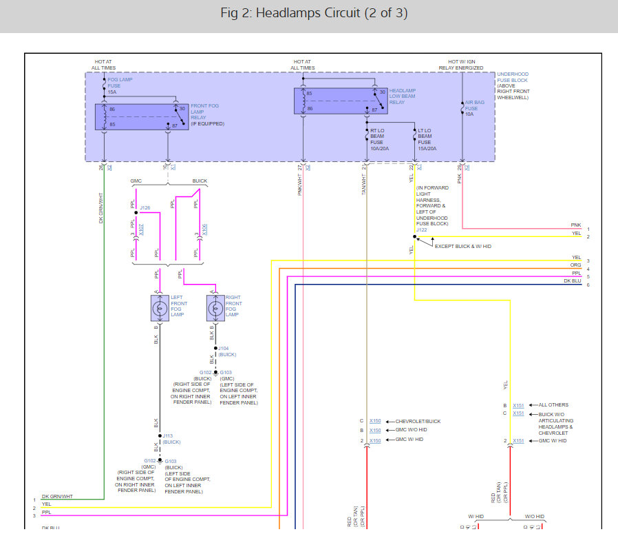
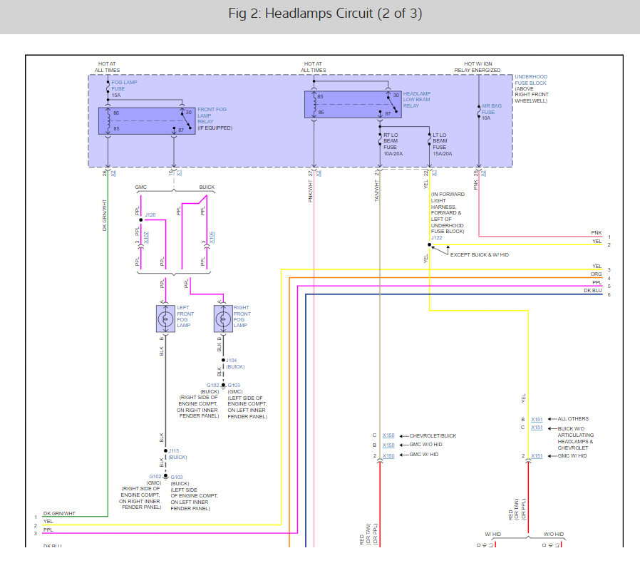
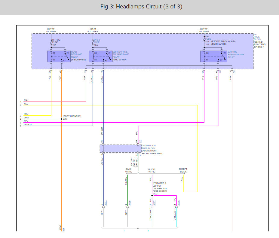
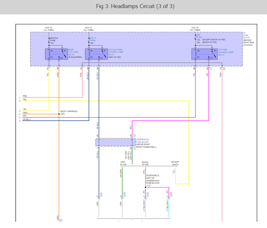
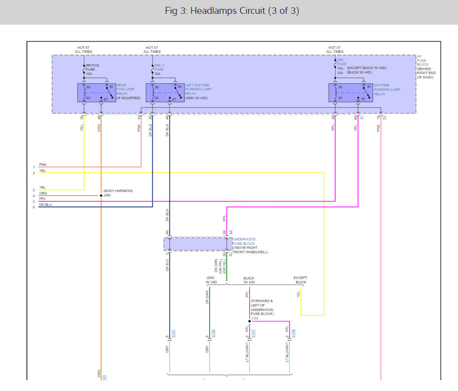
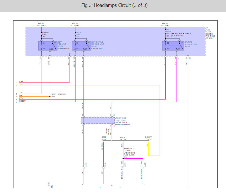
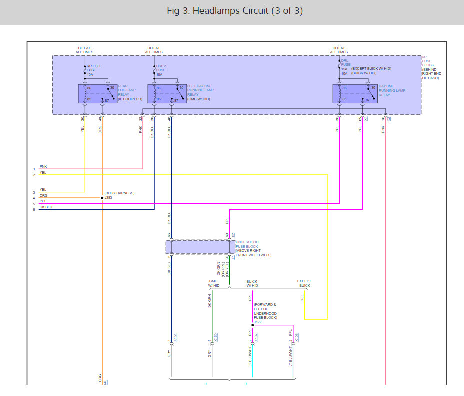
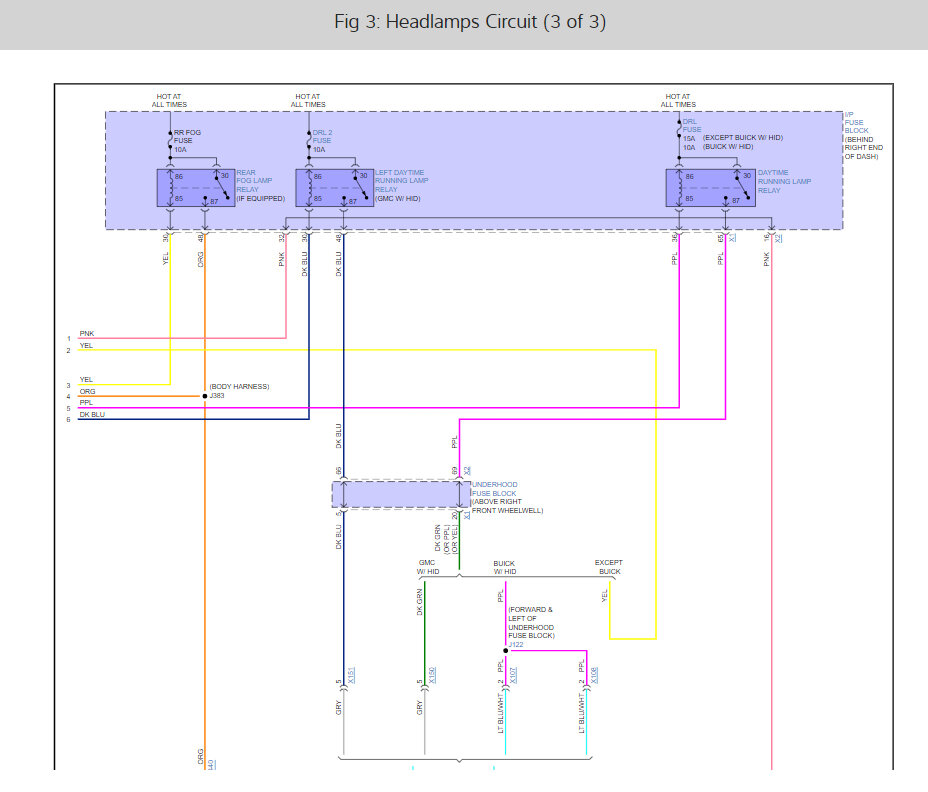
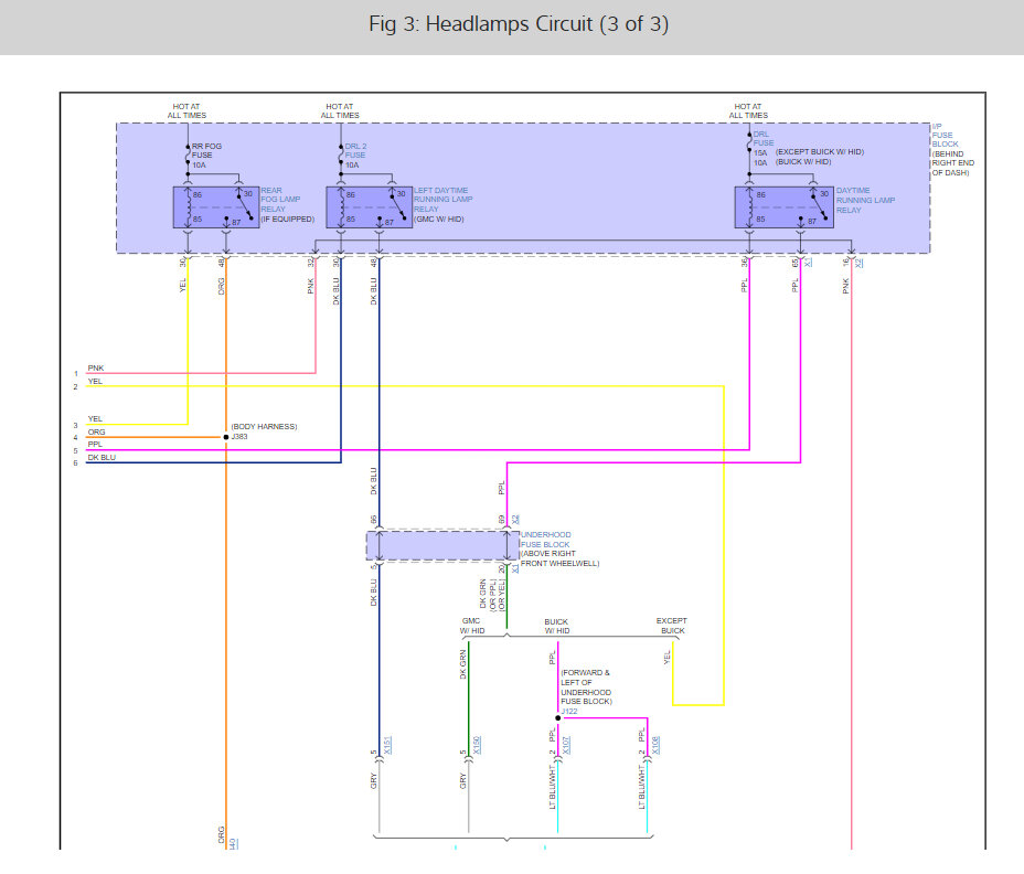
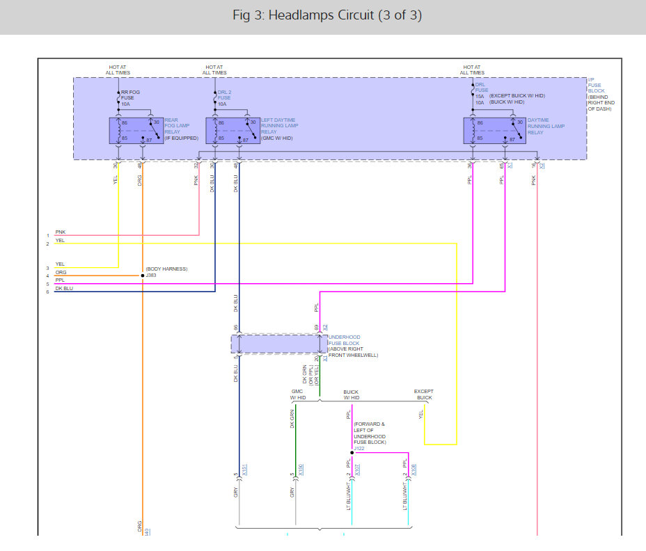
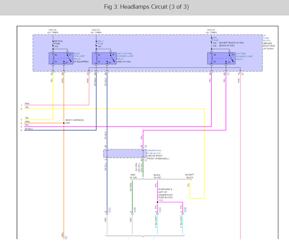
When I noticed my right front headlight was not working, I got to the back of my headlight assembly removed plug going into assembly and reinstalled it. Now the headlight works, but now when I put my right turn signal the headlight flashing with the turn signal, when I put the high beams on the high beam doesn’t work on right side and low beam doesn’t work either. All the bulbs are correct. Also, when the turn signal is on the front turn signal gets very dim when the headlight is flashing. Also, I’m wondering if my headlight assembly is causing this problem, because when I looked first when I had a problem the headlight was not working, or it was very dim and parking lamp was very dim. When I removed the plug from assembly everything seemed to be fine, but then when I put the right turn signal the headlight was also flashing with the turn signal on right side.














