Head torque specs

Tiny
SARINA JONES
  • MEMBER
  • 2014 CHEVROLET CRUZE
  • 1.4L
  • 4 CYL
  • 2WD
  • AUTOMATIC
  • 123,358 MILES
I'm trying to find torque specs for head bolts in foot pounds and the pattern for my car listed above ltz rs.
Tuesday, March 3rd, 2020 AT 9:00 PM

4 Replies

Tiny
SCGRANTURISMO
  • MECHANIC
  • 4,897 POSTS
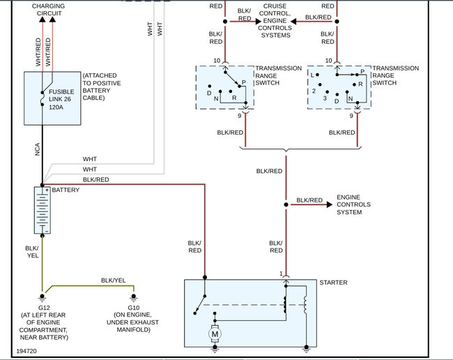
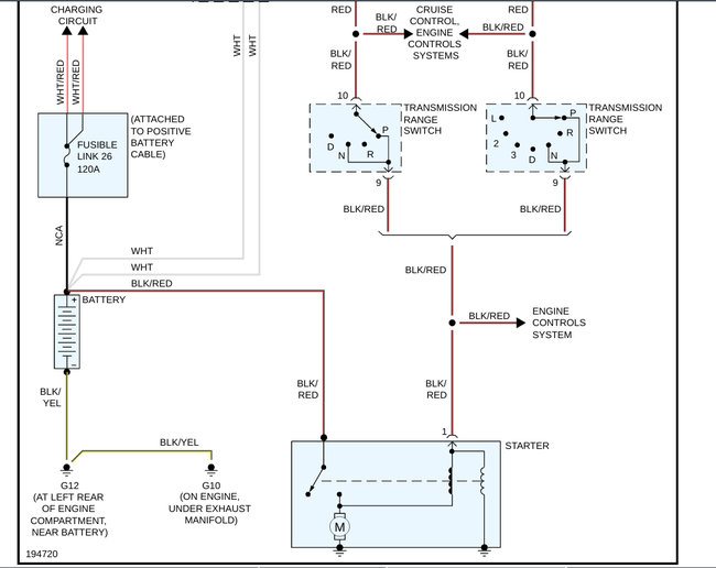
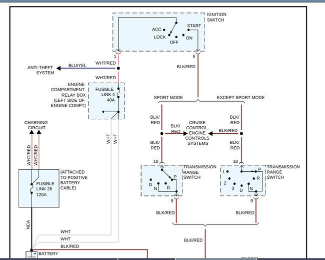
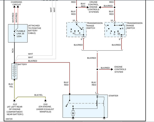
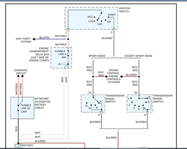
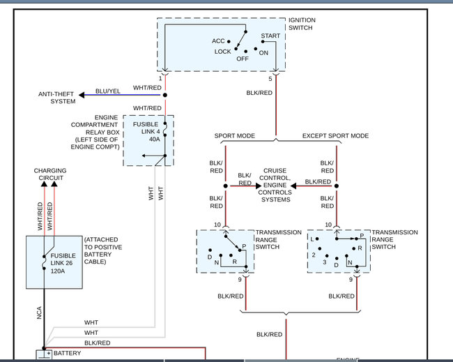
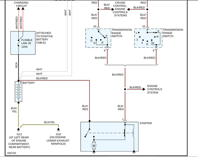
Hello,

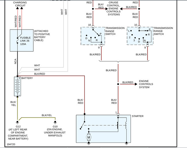
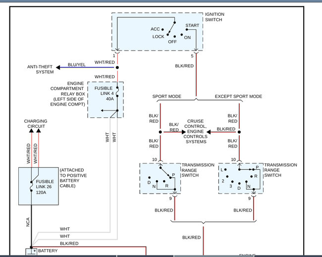
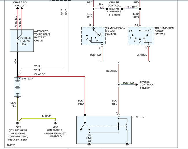
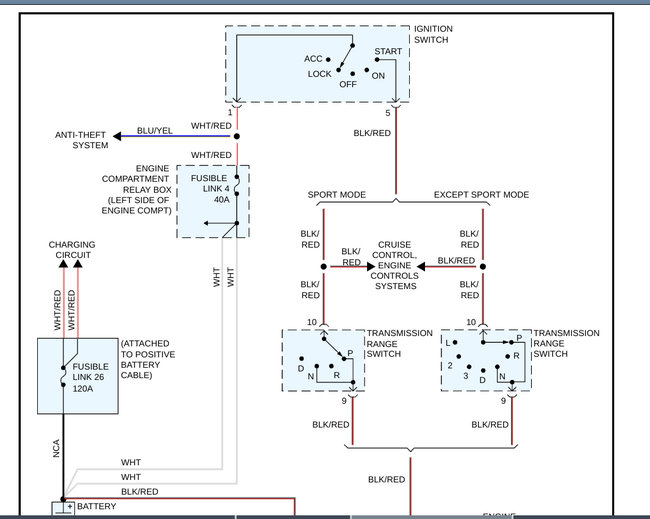
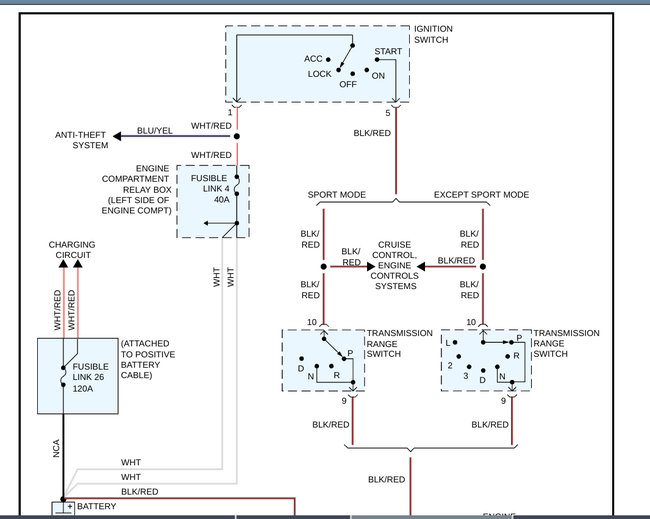
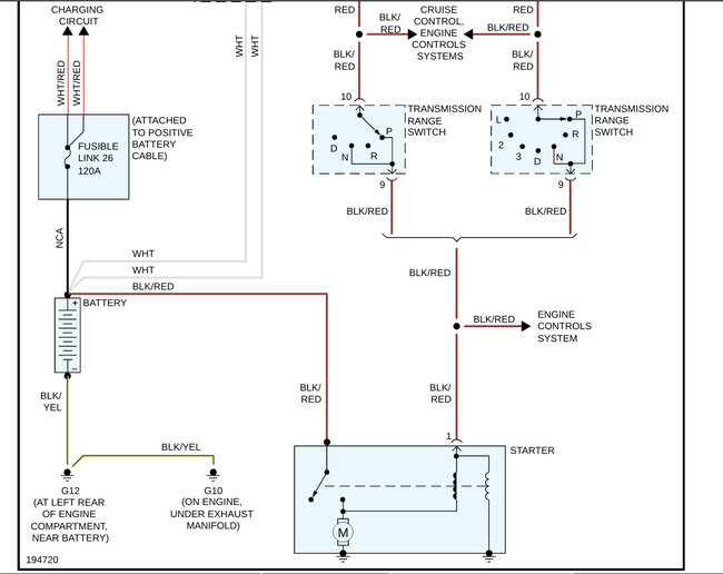
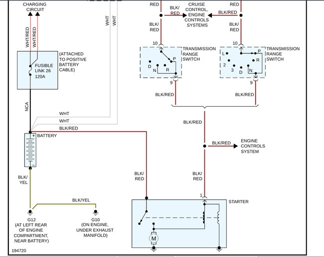
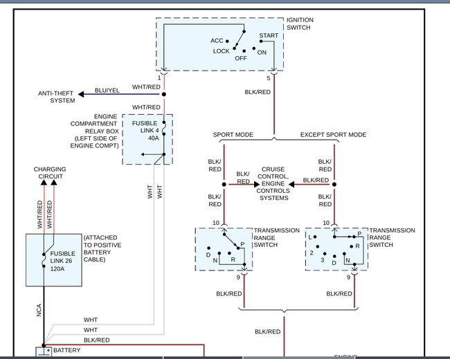
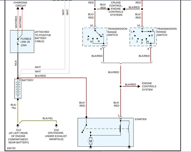
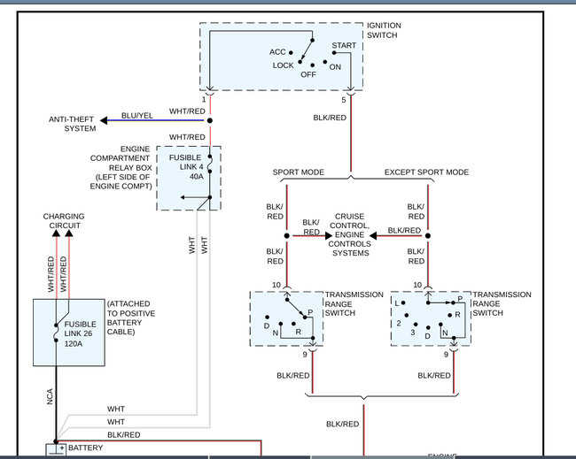
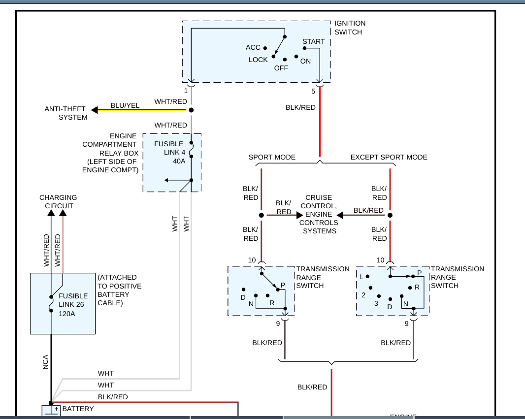
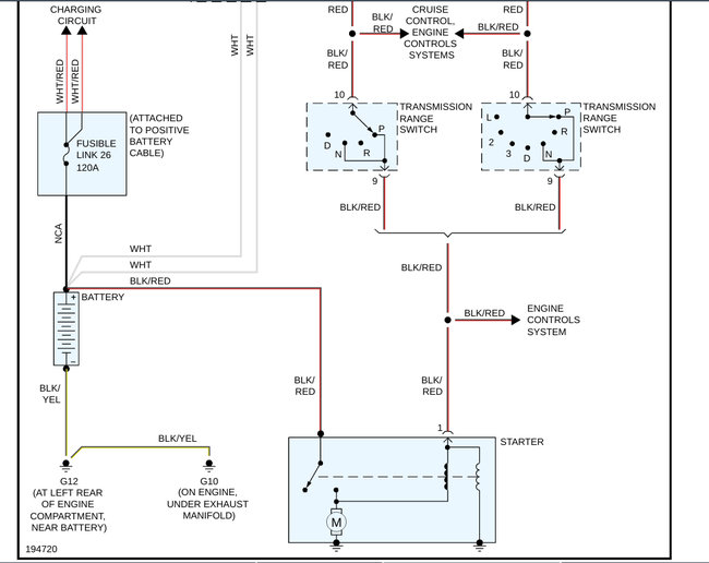
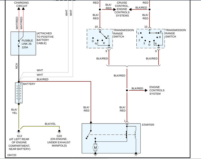
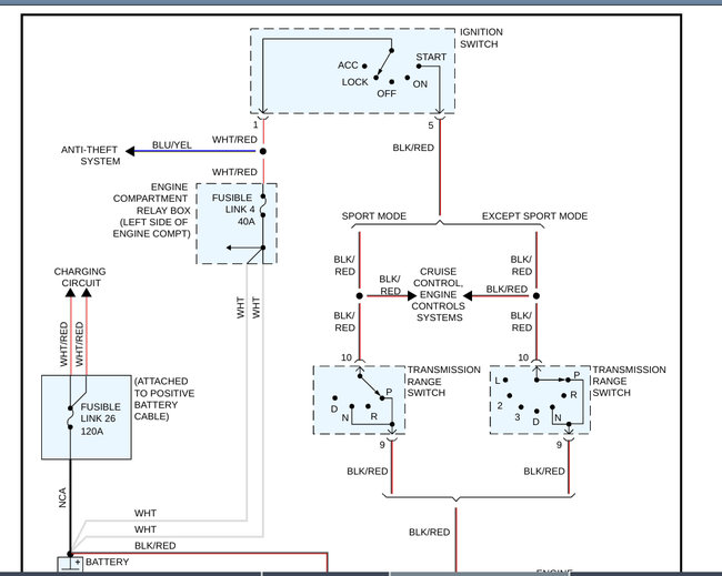
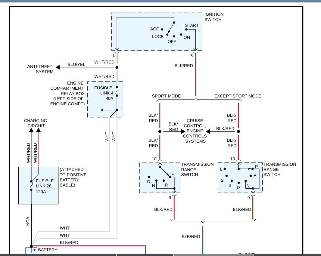
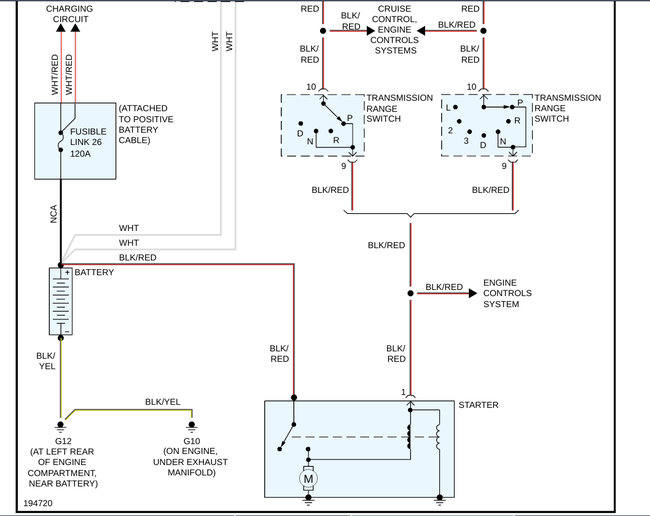
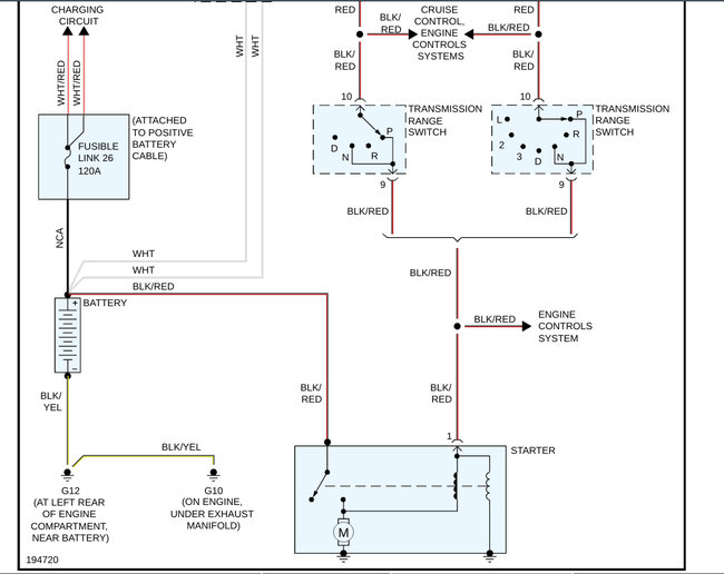
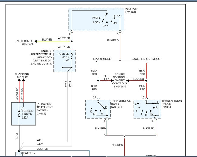
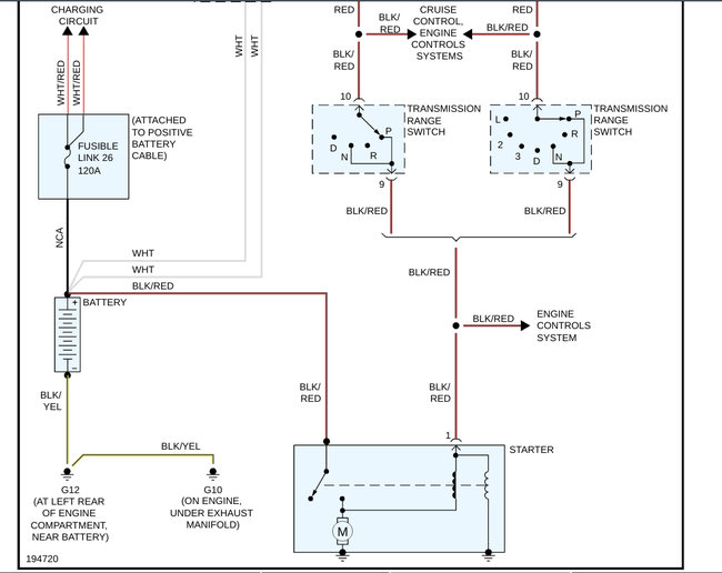
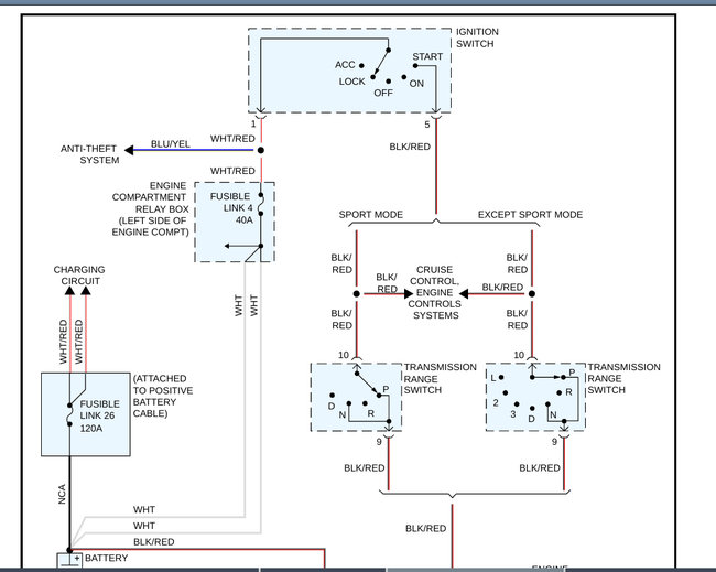
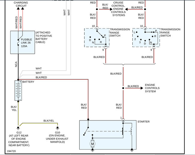
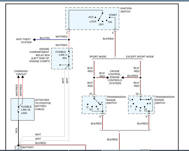
I have included the information that you requested in the diagrams down below. I hope that this helps.

Thanks,
Alex
2CarPros
Was this
answer
helpful?
Yes
No
+3
Tuesday, March 3rd, 2020 AT 9:09 PM
Tiny
SARINA JONES
  • MEMBER
  • 3 POSTS
Yes, but can I have the full instructions?
Was this
answer
helpful?
Yes
No
Tuesday, March 3rd, 2020 AT 9:26 PM
Tiny
SCGRANTURISMO
  • MECHANIC
  • 4,897 POSTS
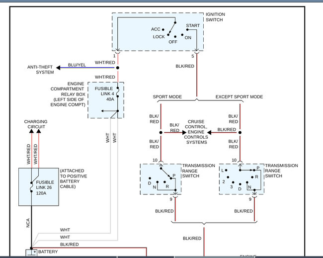
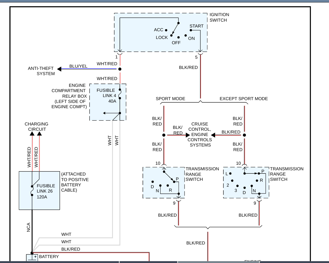
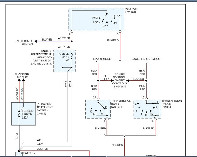
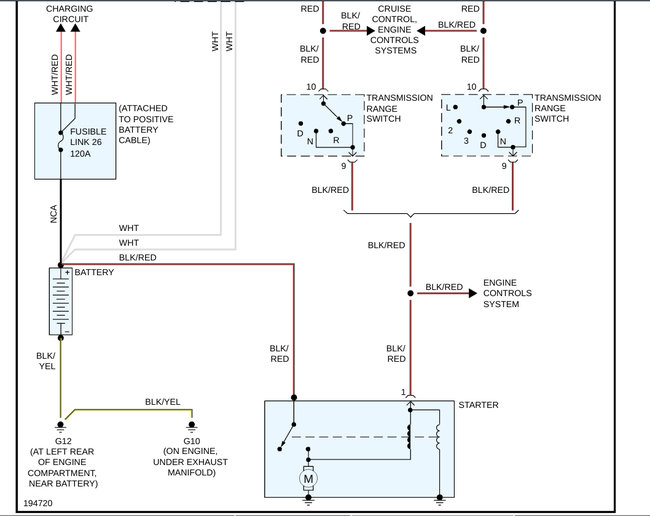
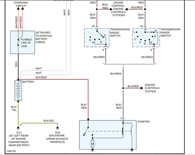
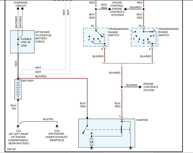
Hello again,

Okay, I have included the instructions for the removal and installation of your vehicle's cylinder head assembly in the diagrams down below. Please go through this guide and get back to us with how everything turns out.

Thanks,
Alex
2CarPros
Was this
answer
helpful?
Yes
No
+1
Wednesday, March 4th, 2020 AT 2:31 AM
Tiny
SARINA JONES
  • MEMBER
  • 3 POSTS
Awesome. Thank you so much.
Was this
answer
helpful?
Yes
No
Wednesday, March 4th, 2020 AT 5:29 AM

Please login or register to post a reply.