Headlights flashing?

Tiny
PHIP9283
  • MEMBER
  • 2015 DODGE DURANGO
  • 3.6L
  • 6 CYL
  • 4WD
  • AUTOMATIC
  • 168,000 MILES
When I start my vehicle the driver's side headlight will sometimes flash 3 to 4 times and then usually stay off but sometimes come back on and stay on. I have tried new headlights, but they do the same thing.
Monday, November 25th, 2024 AT 10:13 AM

5 Replies

Tiny
AL514
  • MECHANIC
  • 5,595 POSTS
Hello, that's a pretty strange looking issue, the head lights are controlled directly from the Body Control module, Ill post a wiring diagram of it, but you might have a full system scan done of the entire vehicle to see if there are any trouble codes stored in any modules. It looks like the flashing is happening in some time sequence, I'll look over the security system and see how that might operate the head lamps when triggered. Is this the Base model or Premium model with HID headlamps?
Was this
answer
helpful?
Yes
No
-1
Monday, November 25th, 2024 AT 11:11 AM
Tiny
PHIP9283
  • MEMBER
  • 2 POSTS
I am not sure about the headlights. I think it's the base model because it has just regular bulbs in it.
Was this
answer
helpful?
Yes
No
Monday, November 25th, 2024 AT 11:42 AM
Tiny
AL514
  • MECHANIC
  • 5,595 POSTS
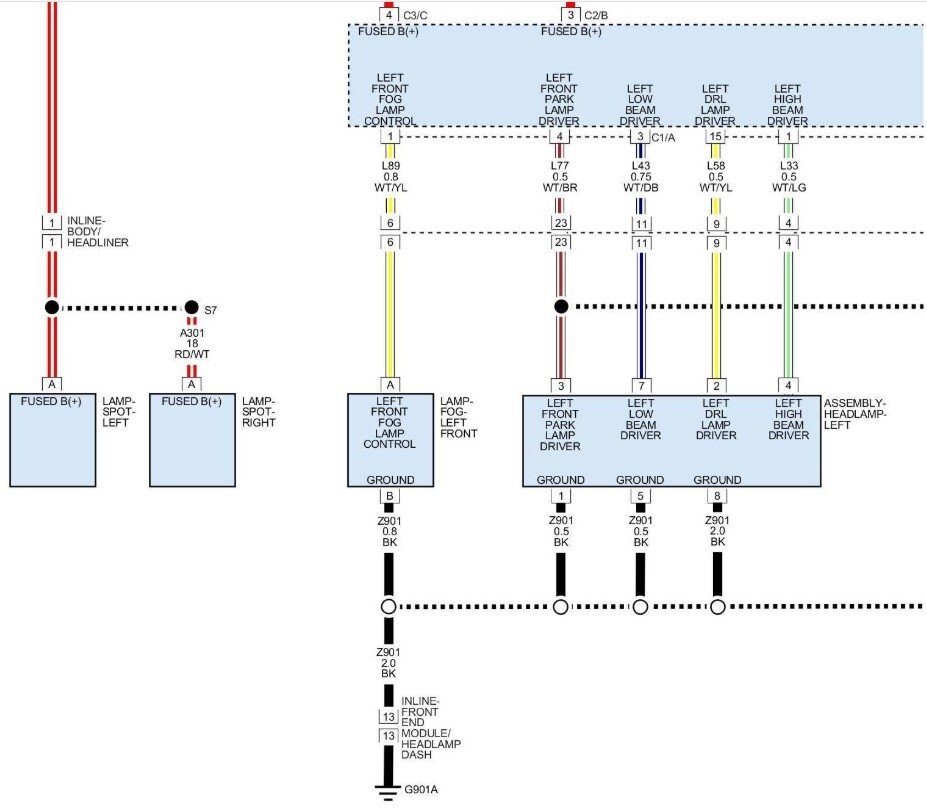
This is the Driver side (left) head lamp circuit, you can see both the high and low beam are controlled by the Body Control Module, there is a Technical Service Bulletin for a software update for the BCM due to head lamps flickering. But it doesn't say anything about just one side flashing, but there are some special operations listed in diagram 3, having to do with the Low beam coming on as a default if no input is detected from the head lamp switch or a loss of communications on the CAN bus network, in either case the BCM needs to be checked for any stored trouble codes, it's the module flashing that head lamp for some reason, it might be that the driver (transistor) inside the BCM for that head lamp is starting to fail, another possibility is these circuits are monitored in some cases for excessive current flow or low current flow and the BCM can shut down certain circuits to protect modules. So that might be what's going on here. You mentioned sometimes it stays on and sometimes not, being that it's not both head lamps, the BCM might be trying to turn on that head lamp, detecting something it doesn't like, shutting it down, turning it back on, and you get this strange cycle happening. But really a scan tool checking the BCM is where I would start, to see in live data if anything looks out of place or codes stored.
Was this
answer
helpful?
Yes
No
Monday, November 25th, 2024 AT 12:25 PM
Tiny
AL514
  • MECHANIC
  • 5,595 POSTS
This is the code from the BCM for the 2015 Durango?
Was this
answer
helpful?
Yes
No
Monday, November 25th, 2024 AT 10:09 PM
Tiny
AL514
  • MECHANIC
  • 5,595 POSTS
Here is the service info on the B162A-11 (Left Side Low Beam Head Lamp Control Circuit Fault) and a test light check to do on the white/blue wire at the driver side head lamp connector. This is the BCM intentionally shutting down that circuit due to a low voltage condition which can be a short to ground, or internal BCM fault.

https://www.2carpros.com/articles/how-to-use-a-test-light-circuit-tester
Was this
answer
helpful?
Yes
No
Monday, November 25th, 2024 AT 11:15 PM

Please login or register to post a reply.