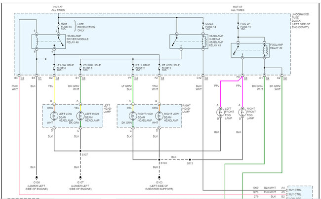
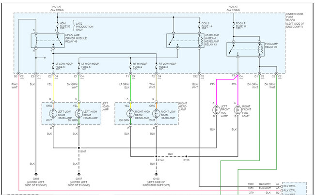
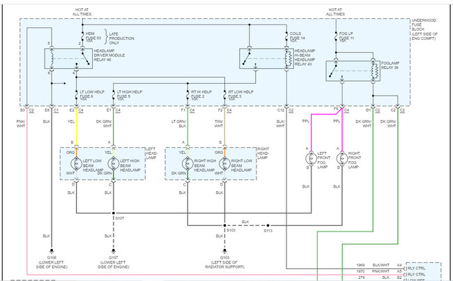
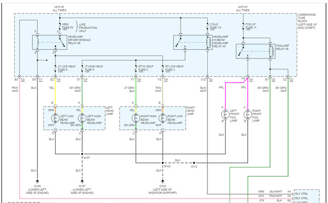
Sunday, May 14th, 2023 AT 2:58 PM
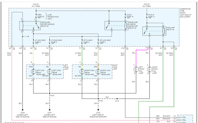
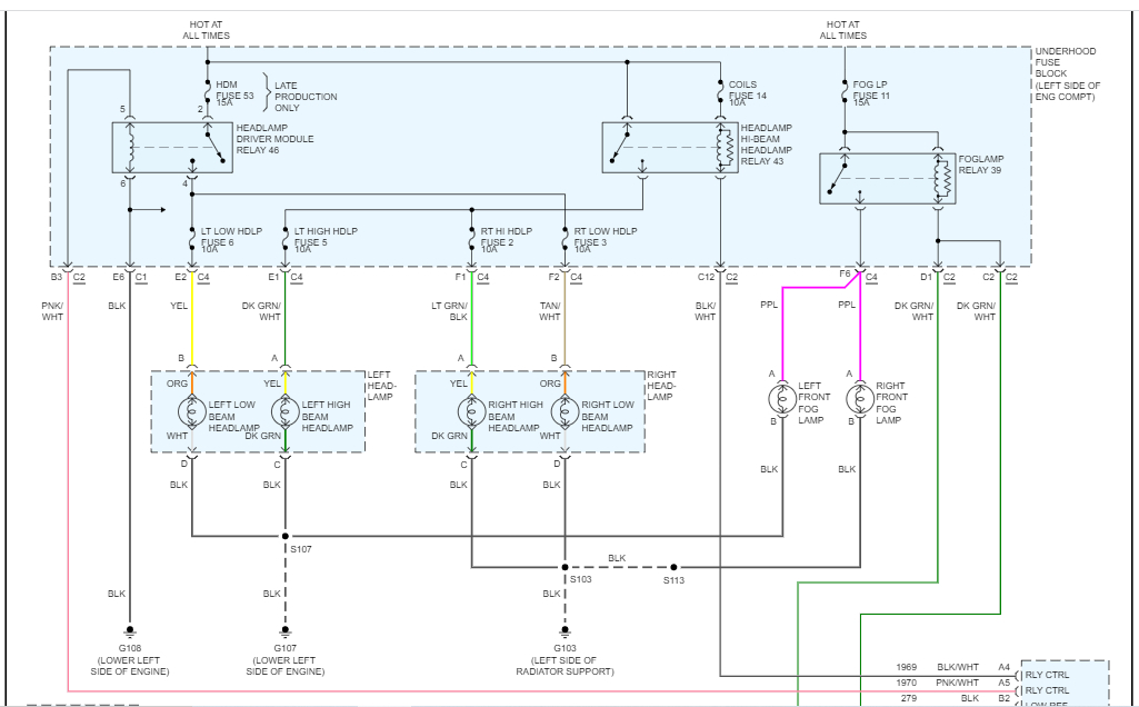
It's not really a problem but I'm trying to find where all the lights for my vehicle listed above. I would like to know where all my headlights are on, can anyone help? I haven't found any.





