Friday, July 6th, 2018 AT 8:16 PM
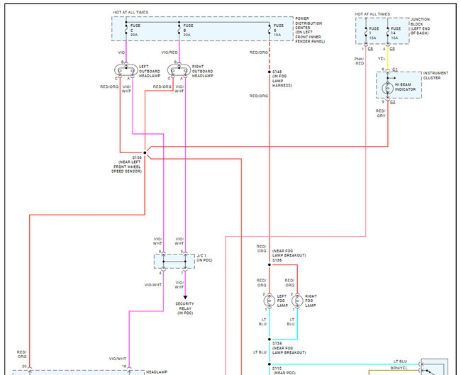
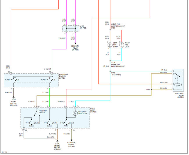
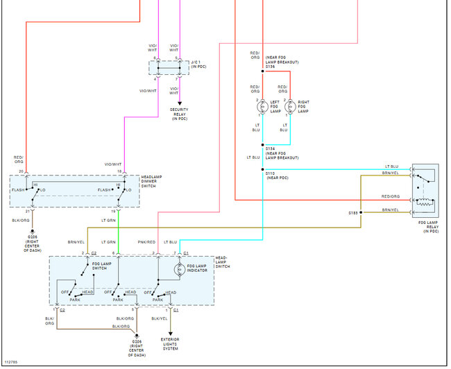
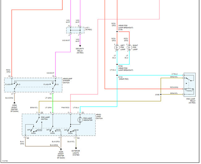
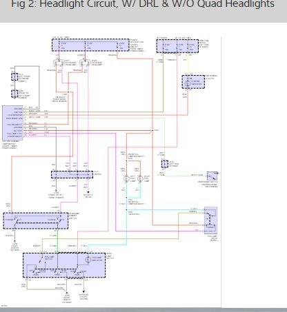
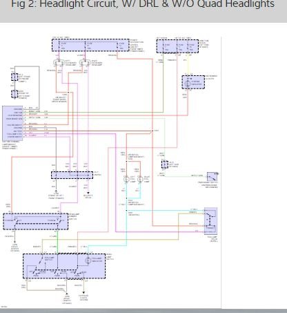
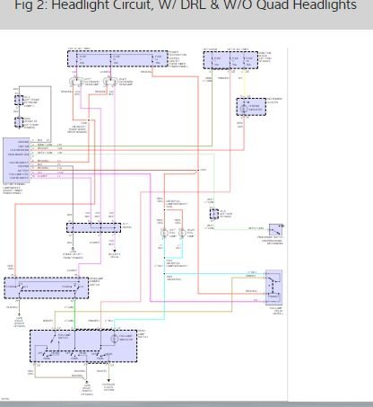
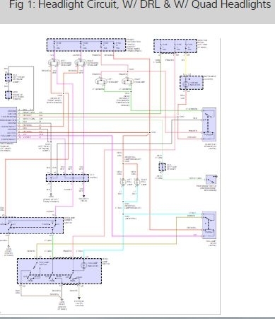
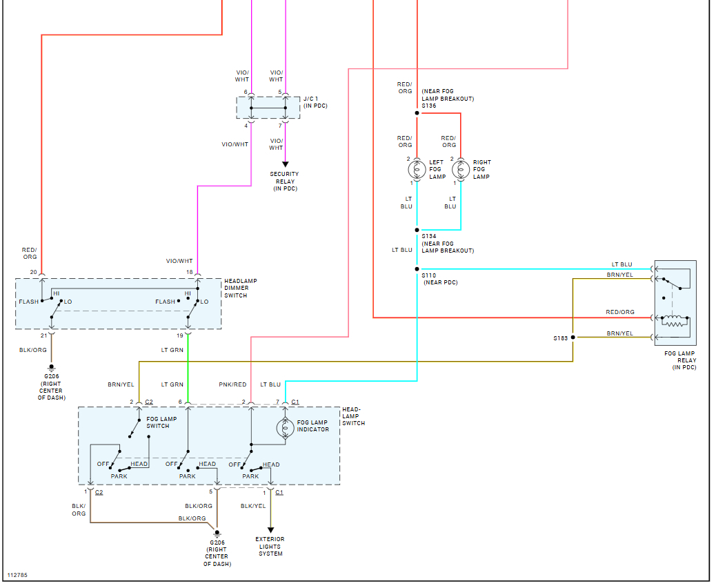
I am looking for a wire diagram for the head light switch that will show me both the head lights and dome /cargo light thanks. I have no fog lights no DRL's and no dual beam.





