Headlight and tail light not working

Tiny
BLESSING EWOBOR
  • MEMBER
  • 2010 LEXUS ES 350
  • 6 CYL
  • 2WD
  • AUTOMATIC
  • 206,535 MILES
Hello, the vehicle's headlight and the tail light are not functioning. I have checked the fuse, I couldn't see anything wrong with it. Please could you help me with the circuit diagram?
Friday, March 5th, 2021 AT 10:35 AM

7 Replies

Tiny
JACOBANDNICKOLAS
  • MECHANIC
  • 110,194 POSTS
Hi,

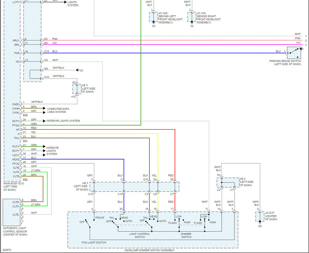
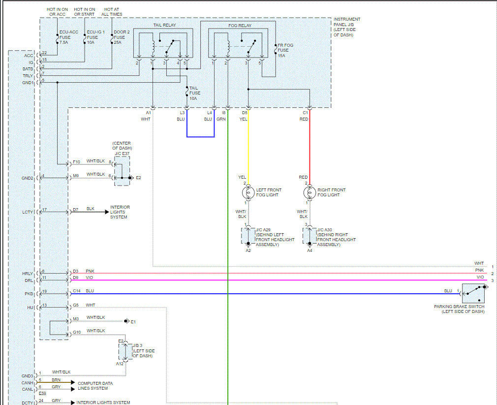
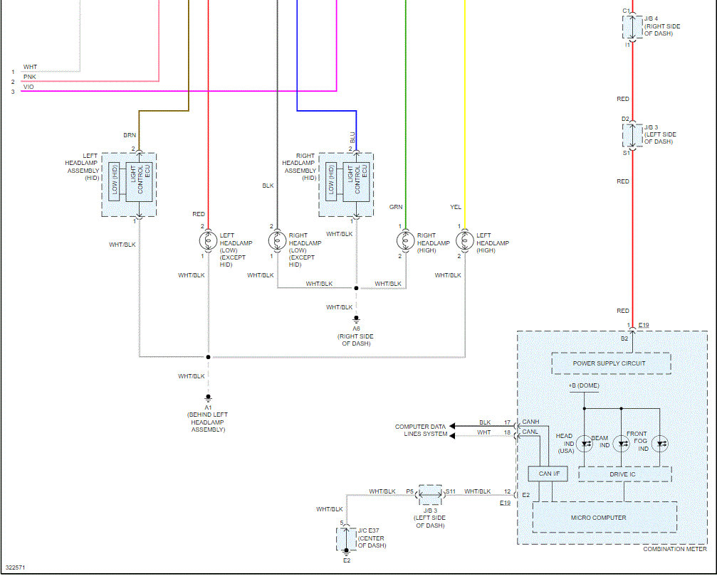
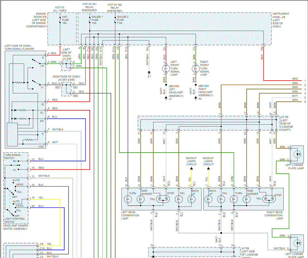
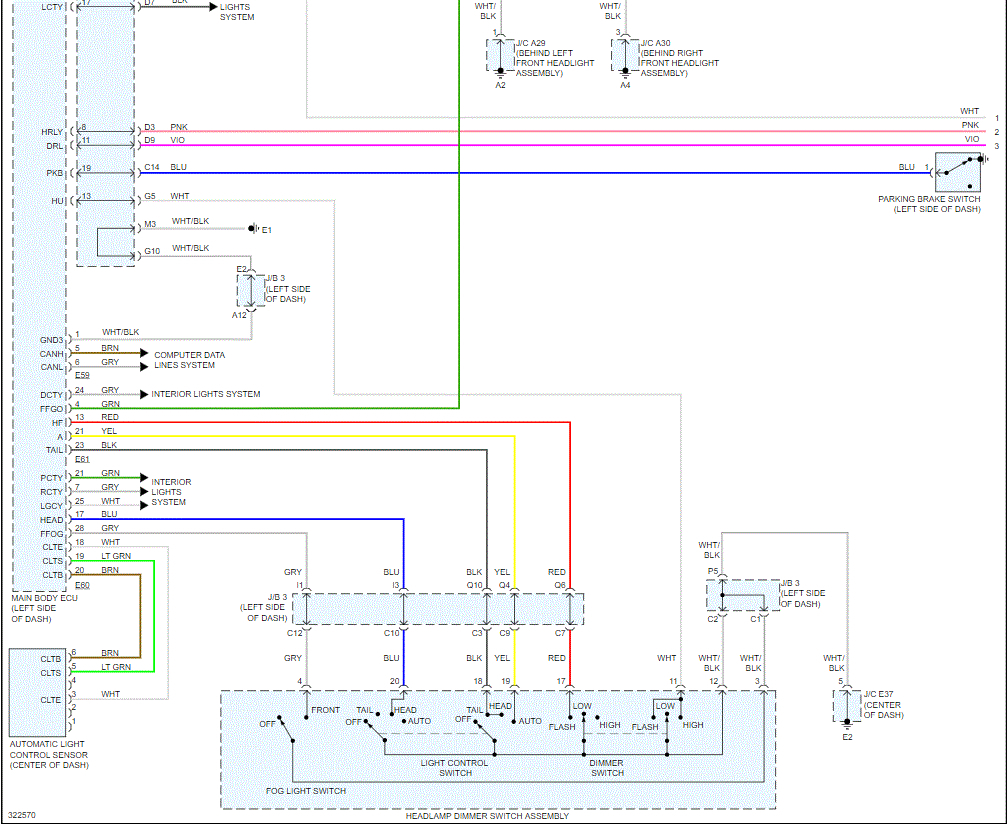
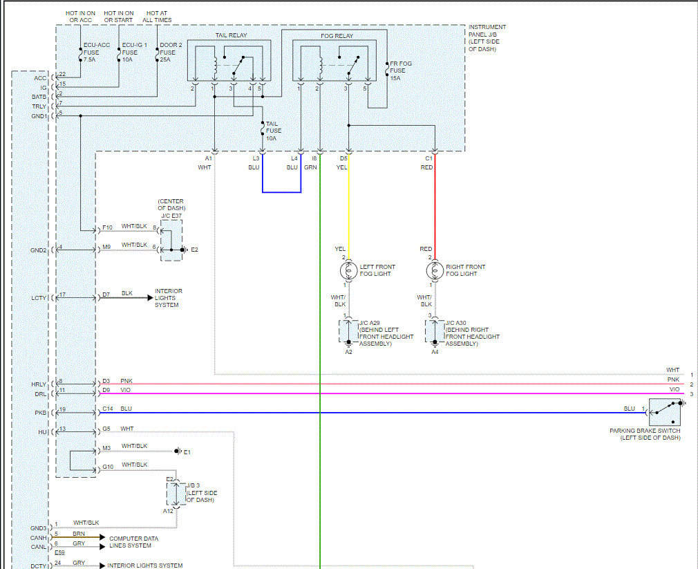
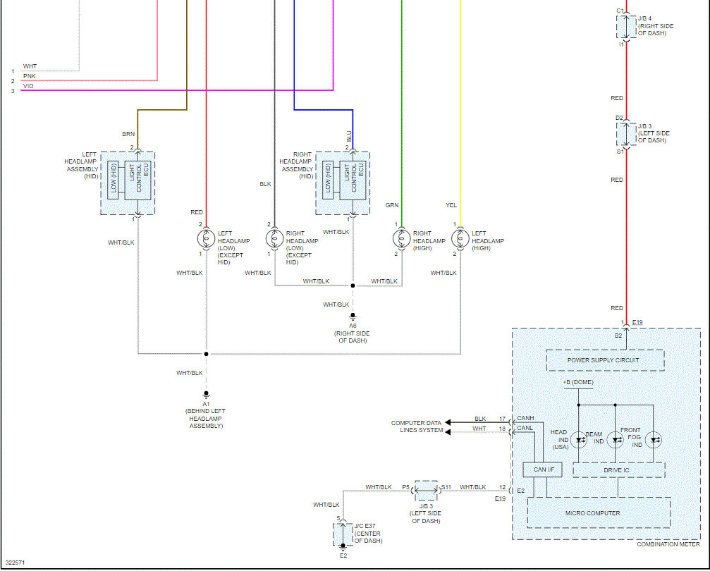
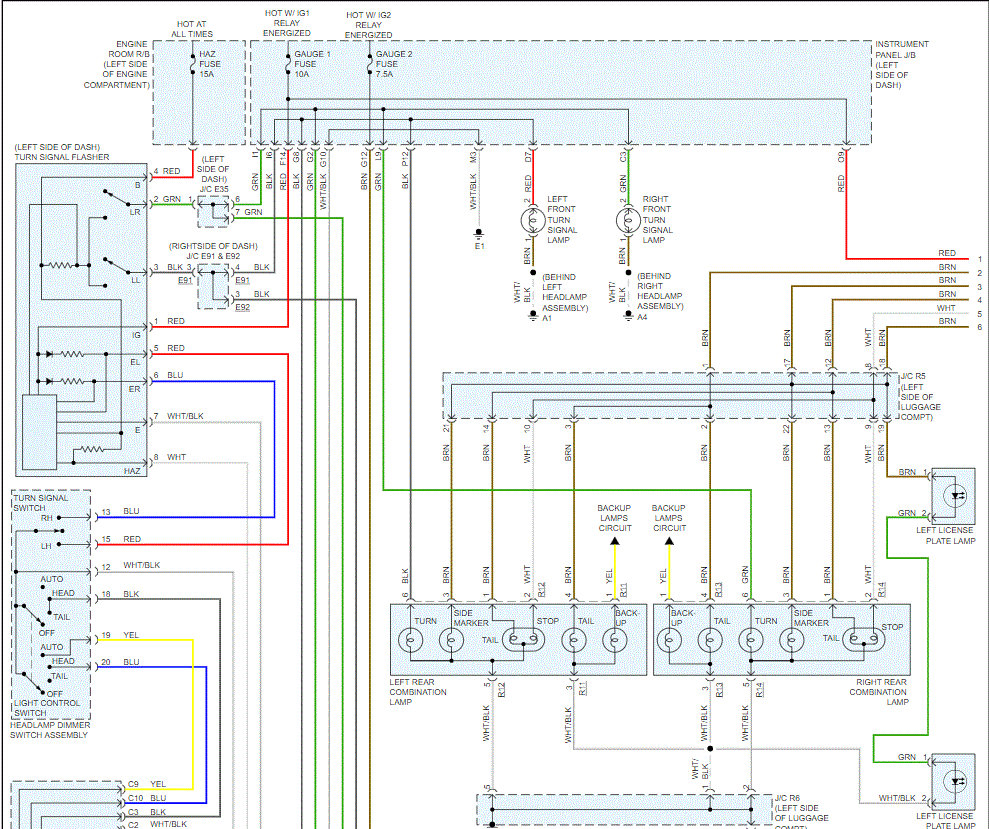
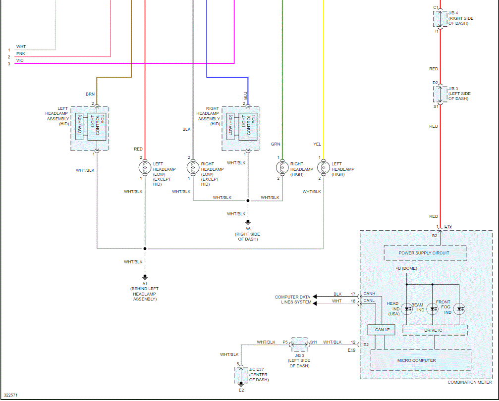
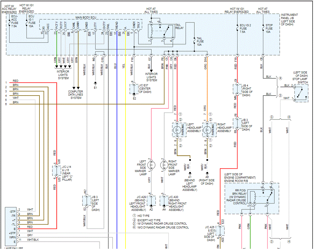
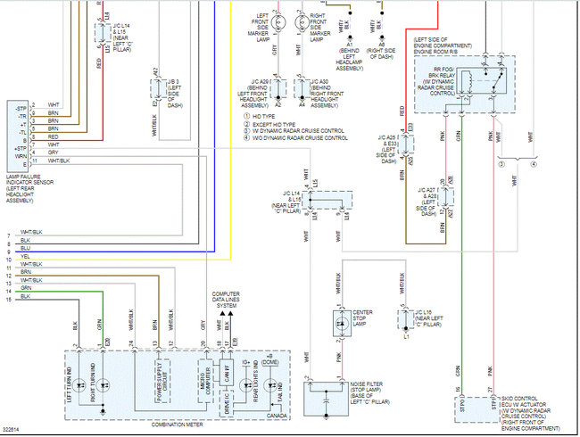
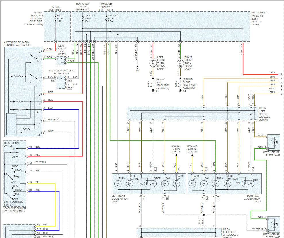
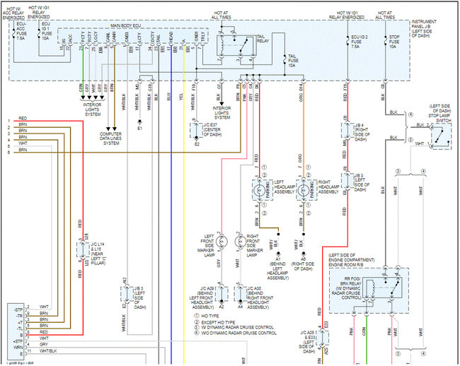
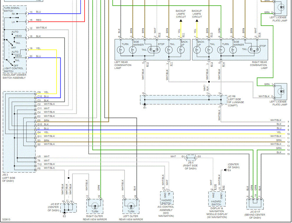
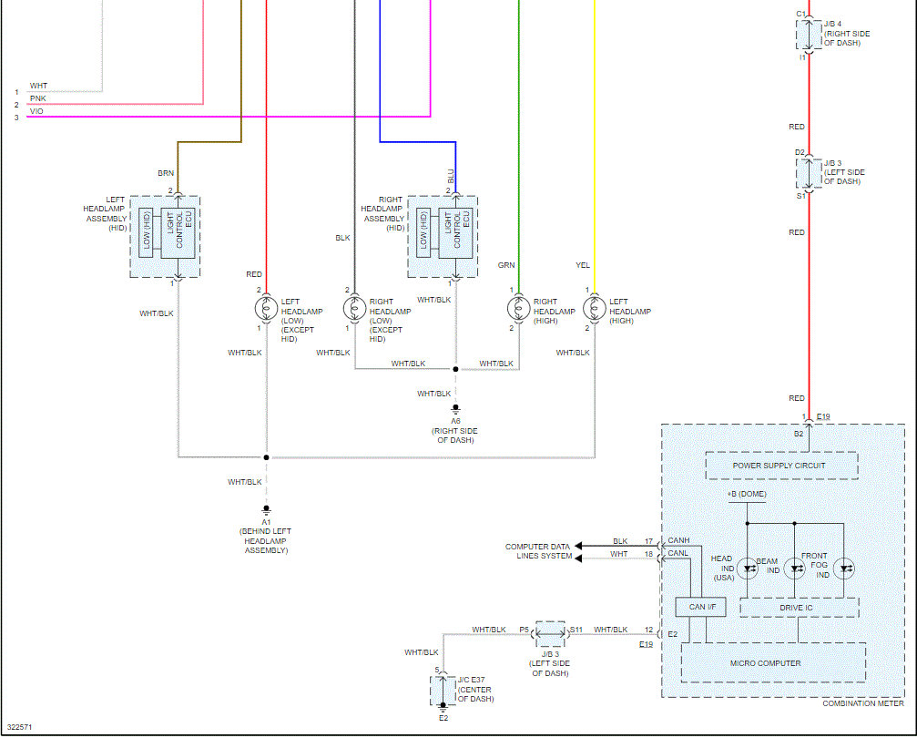
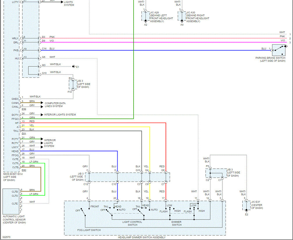
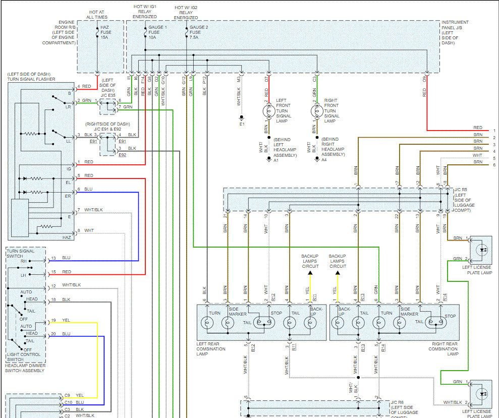
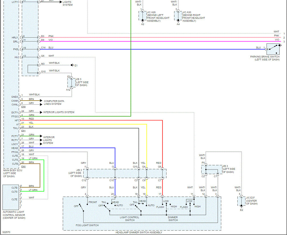
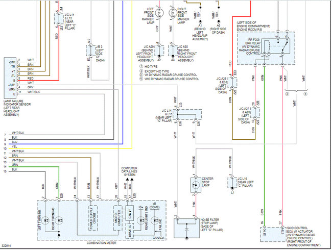
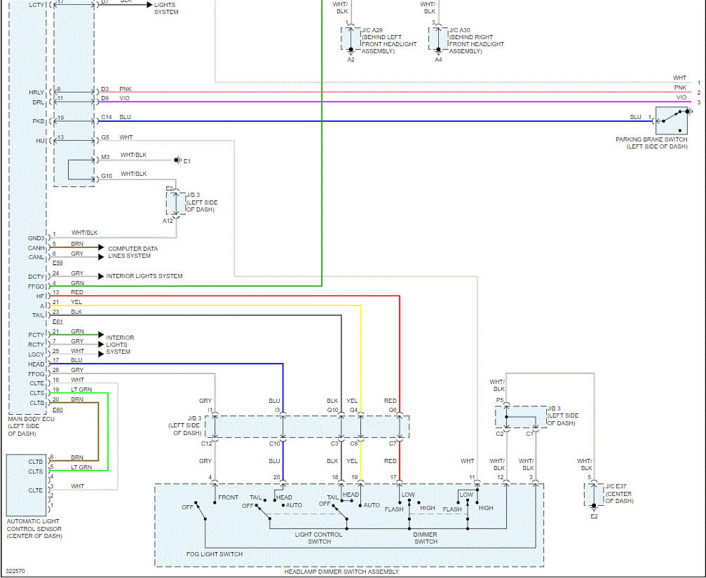
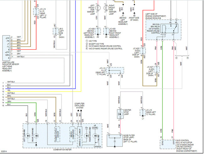
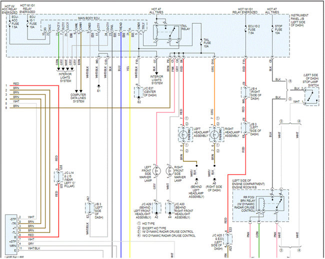
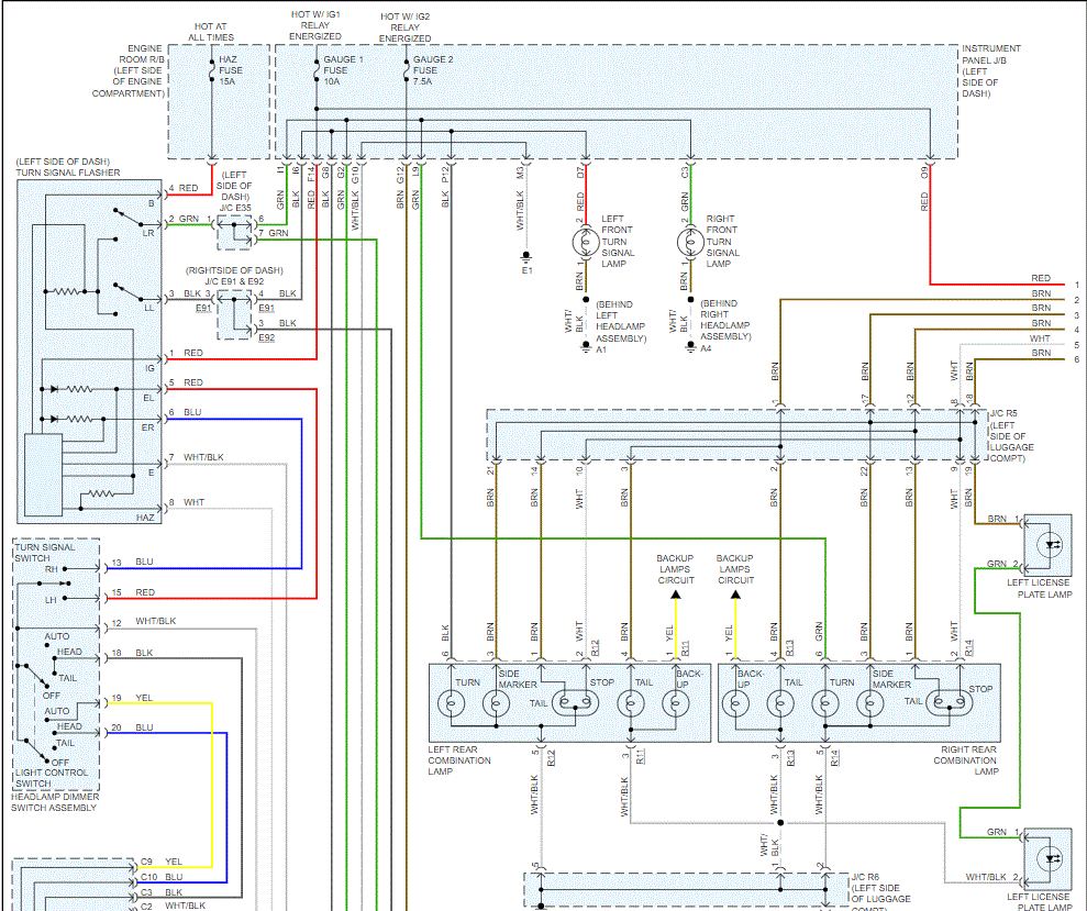
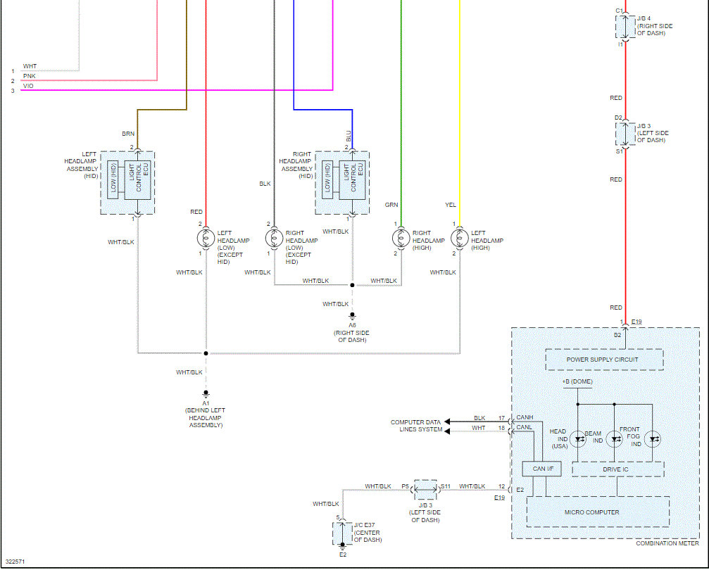
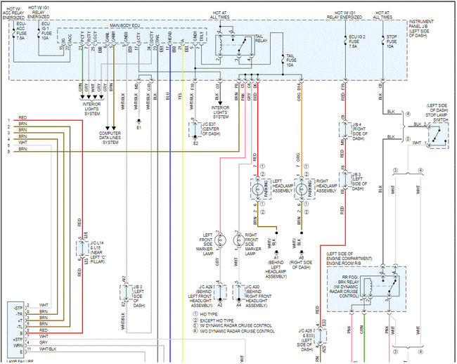
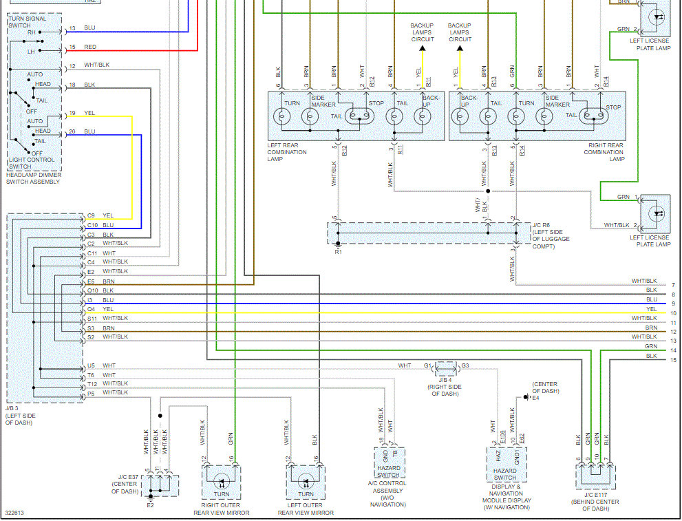
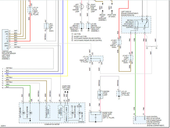
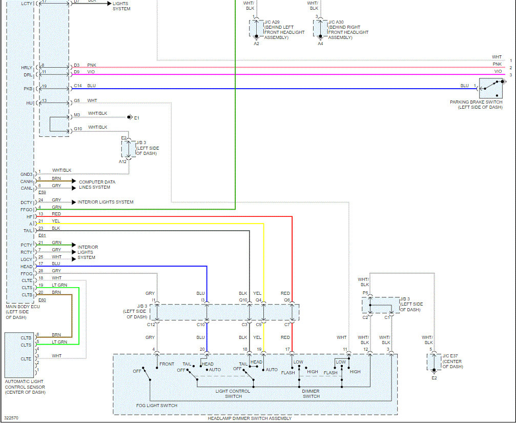
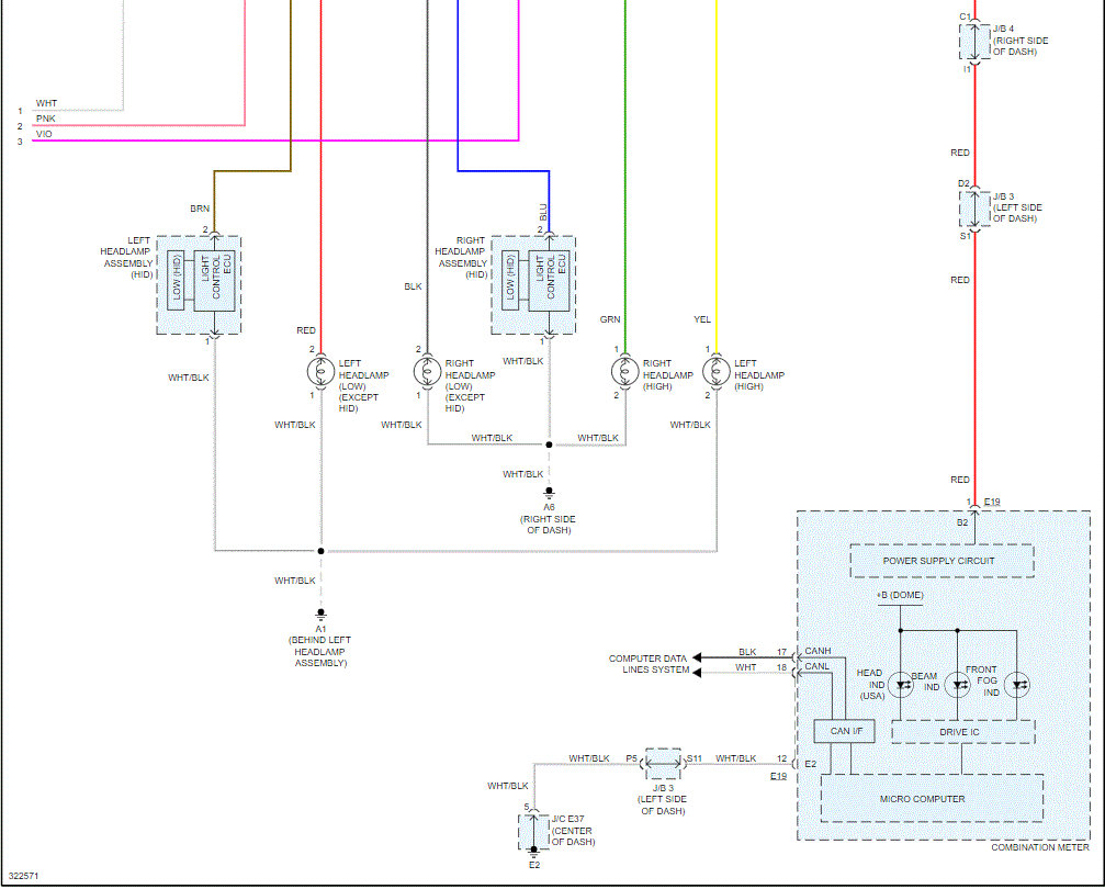
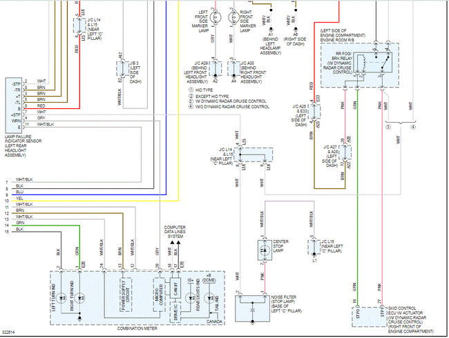
The wiring schematics are broken into two sections, headlamps and exterior lighting. The rear tail lamp issue will be under exterior lighting. The headlamp will be under headlamp.

_______________
ore rea
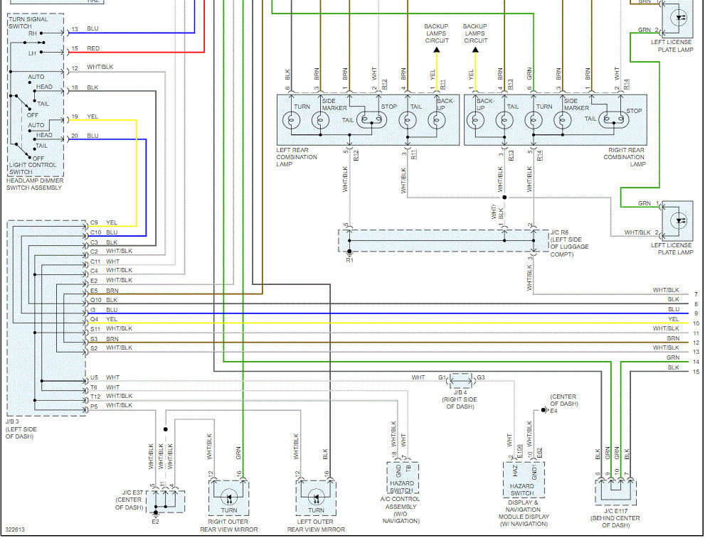
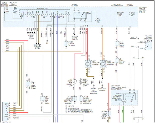
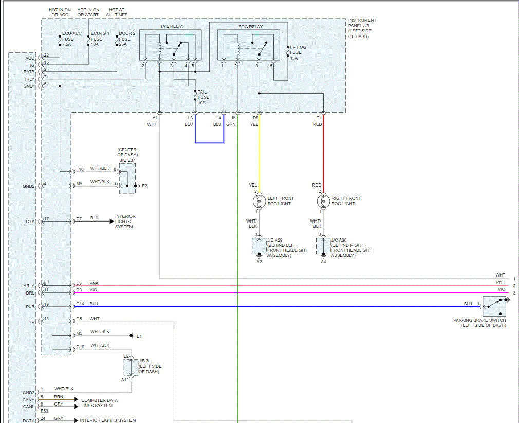
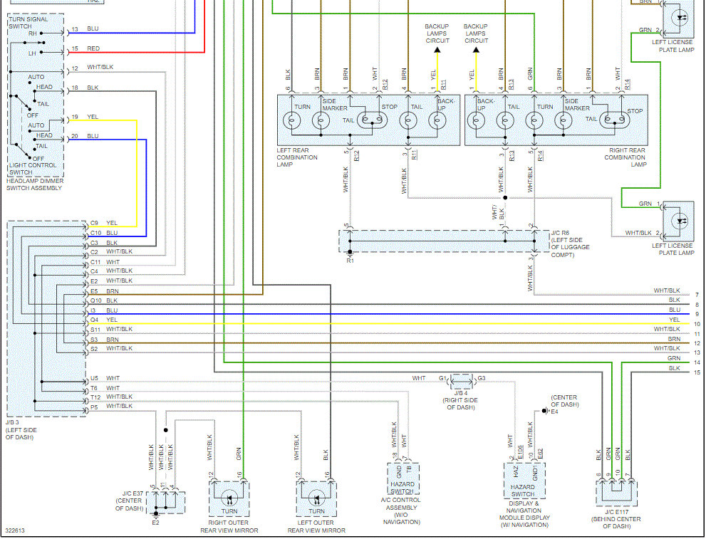
Pics 1, 2, 3, and 4 are for the headlamp. I cut the pic in half to make it more readable. I did, however, overlap them so you can follow it.

Pics 5,6,7 and 8 are the exterior lighting schematics. Again, I cut them in half to make it make them more readable and I overlapped them as well.

______________

Here is a link you may find helpful as well:

https://www.2carpros.com/articles/how-to-check-wiring

_____________

I hope this helps. Let me know if you have other questions.

Take care and God Bless,

Joe
Was this
answer
helpful?
Yes
No
Friday, March 5th, 2021 AT 9:45 PM
Tiny
BLESSING EWOBOR
  • MEMBER
  • 754 POSTS
Thank you.
Was this
answer
helpful?
Yes
No
Sunday, March 7th, 2021 AT 11:50 AM
Tiny
JACOBANDNICKOLAS
  • MECHANIC
  • 110,194 POSTS
You are very welcome. Let me know if I can help or if you have other questions.

Take care,

JOe
Was this
answer
helpful?
Yes
No
Sunday, March 7th, 2021 AT 6:11 PM
Tiny
BLESSING EWOBOR
  • MEMBER
  • 754 POSTS
Sir, is there any manual or sheet that list these meaning of the acronyms used in the circuit diagram? Sometimes they are difficult to understand.
Was this
answer
helpful?
Yes
No
Thursday, March 11th, 2021 AT 8:13 PM
Tiny
BLESSING EWOBOR
  • MEMBER
  • 754 POSTS
Does the fog light comes on with the tail light or is there any circuit description for these?
Was this
answer
helpful?
Yes
No
Thursday, March 11th, 2021 AT 8:16 PM
Tiny
BLESSING EWOBOR
  • MEMBER
  • 754 POSTS
With the switch removed, what should someone find on the F FOG, HEAD, TAIL, A is it ground or power?
Was this
answer
helpful?
Yes
No
Thursday, March 11th, 2021 AT 8:23 PM
Tiny
JACOBANDNICKOLAS
  • MECHANIC
  • 110,194 POSTS
I need to better understand. Where are you testing? Do you see something at the wiring schematics you are using? What colors are the wires? Most grounds will be black.

Let me know.
Joe
Was this
answer
helpful?
Yes
No
Friday, March 12th, 2021 AT 5:36 PM

Please login or register to post a reply.