Tuesday, August 22nd, 2023 AT 5:43 AM
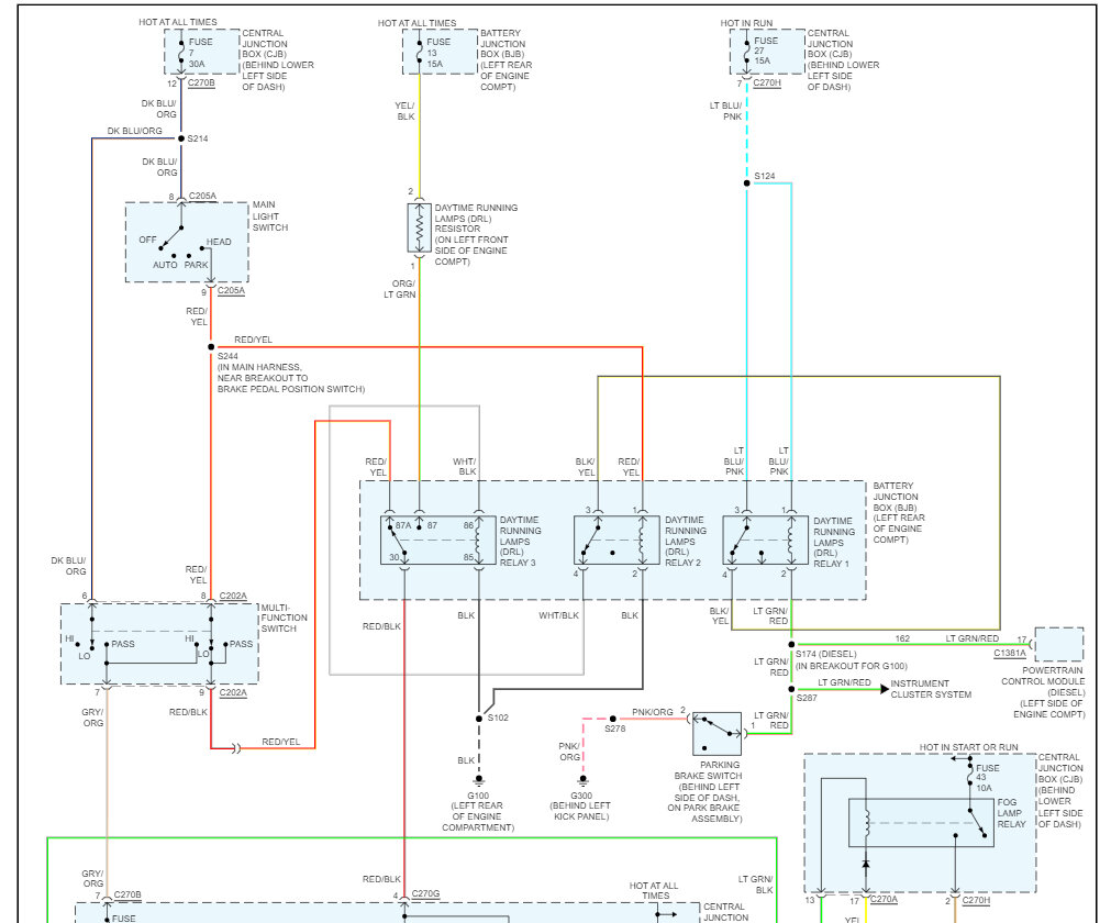
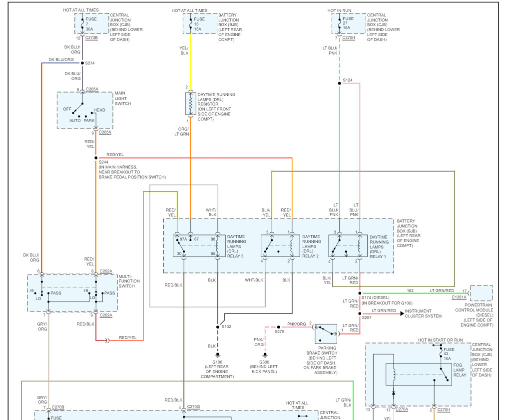
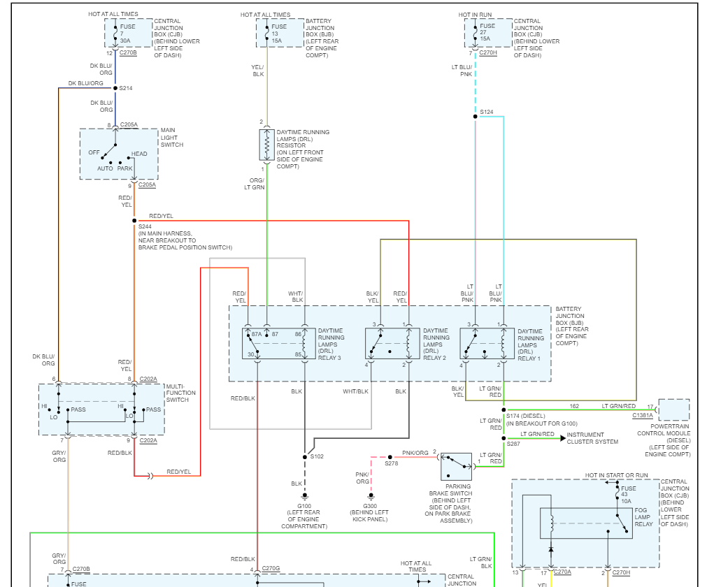
This truck is a Diesel Ford F550 super duty, the problem is the headlights work just on the passenger side but not the driver side. I checked all fuses and are good just I can't find which relay is feeding the headlight also the wiring looks.



