Head gasket replacement

Tiny
ABBY112
  • MEMBER
  • 2002 CHEVROLET S-10
  • 4.3L
  • V6
  • 4WD
  • AUTOMATIC
  • 130,000 MILES
This truck has a 4.3 Vortech engine. I need to know step by step how to replace driver side head gasket with torque specks and sequence.
Wednesday, May 4th, 2016 AT 10:31 PM

5 Replies

Tiny
HMAC300
  • MECHANIC
  • 48,601 POSTS
Due to space we cannot send this as it takes to much to copy and paste. Best bet here is to get a manual or you can rent one from us then print out whatever you need for your truck. I do not know what the cost is, but it is cheaper than buying one and you will always have it.
Was this
answer
helpful?
Yes
No
+3
Thursday, May 5th, 2016 AT 6:06 AM
Tiny
KEN L
  • MASTER CERTIFIED MECHANIC
  • 55,488 POSTS
Hi ABBY112,

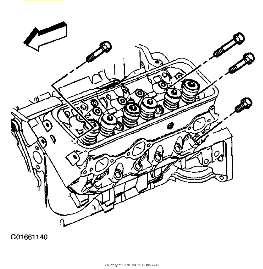
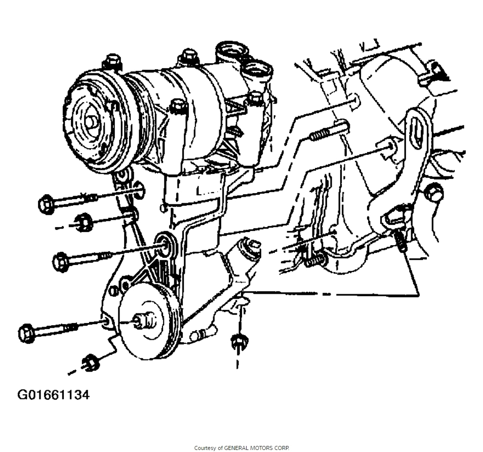
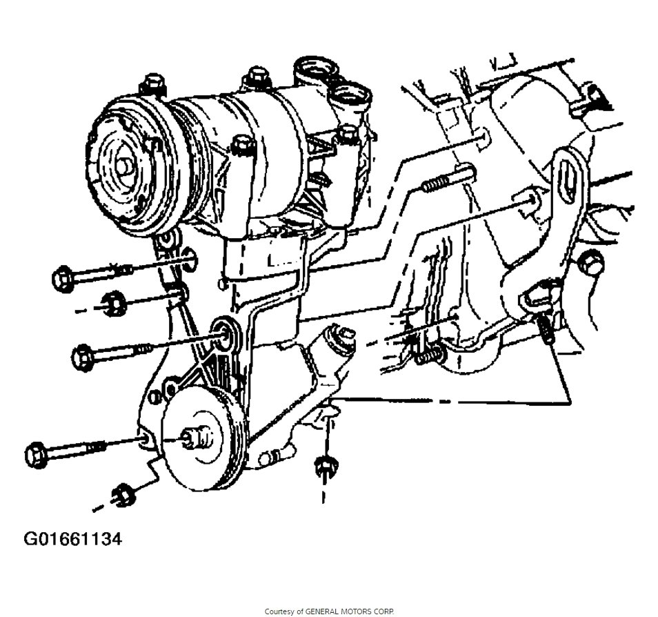
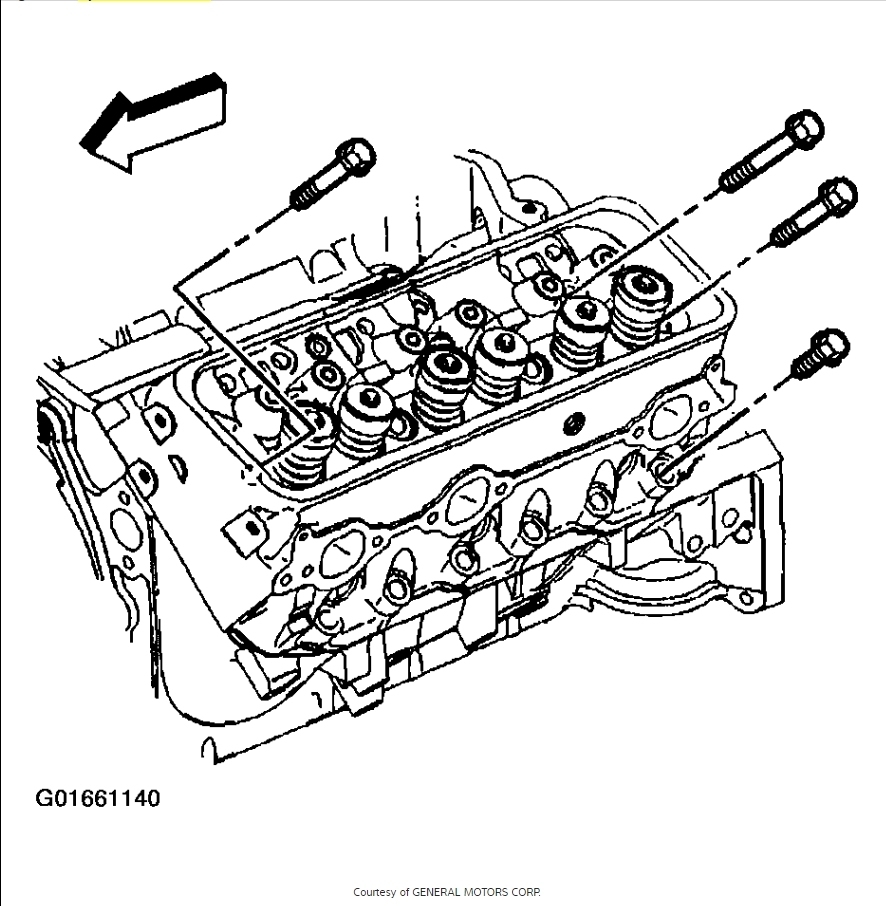
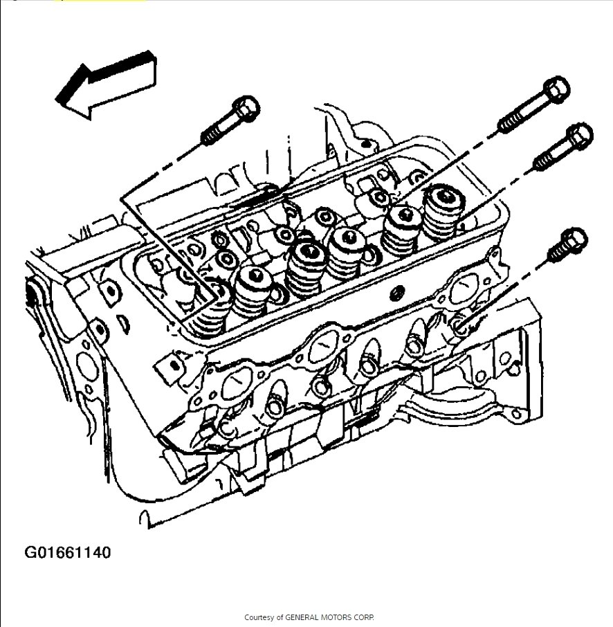
It is a long job but not too bad if you have the time, make sure you have the head resurfaced and use good quality gaskets. Disconnect the battery and drain the coolant before you begin, then remove the serpentine belt. Also remove the valve cover and rocker arms. Once the head is ready to be reinstalled clean all gasket surfaces thoroughly torque the bolts on the first pass to 22 pounds, then turn the long bolts 75 degrees, the medium bolts 65 degrees and the short bolts 55 degrees. Change the engine oil once completed, the images below should help with the rest.
Was this
answer
helpful?
Yes
No
+14
Thursday, May 5th, 2016 AT 5:15 PM
Tiny
ABBY112
  • MEMBER
  • 3 POSTS
Do you haft to make sure both cam lobes are at the very bottom when reinstalling then turn the motor over for the next 2 or just torque them all at once
Was this
answer
helpful?
Yes
No
-2
Saturday, May 7th, 2016 AT 9:43 AM
Tiny
ABBY112
  • MEMBER
  • 3 POSTS
For the rockers
Was this
answer
helpful?
Yes
No
+1
Saturday, May 7th, 2016 AT 9:44 AM
Tiny
KEN L
  • MASTER CERTIFIED MECHANIC
  • 55,488 POSTS
Hi ABBY112,

You can just torque them all at once, the excess oil with push from the lifters to make the correct valve lash.
Was this
answer
helpful?
Yes
No
Sunday, May 8th, 2016 AT 12:04 PM

Please login or register to post a reply.