Head gasket replacement?

Tiny
RABISUZU
  • MEMBER
  • 2004 ISUZU RODEO
  • 3.5L
  • 6 CYL
  • 2WD
  • AUTOMATIC
  • 105,000 MILES
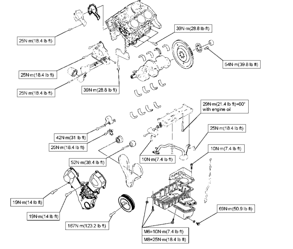
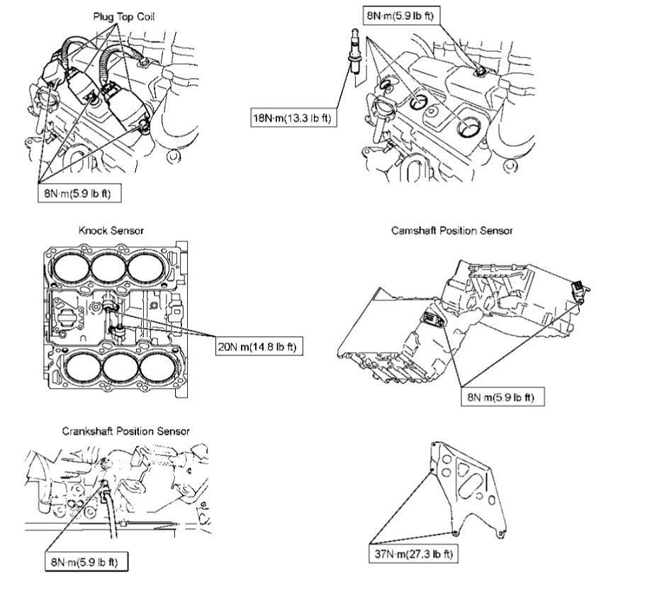
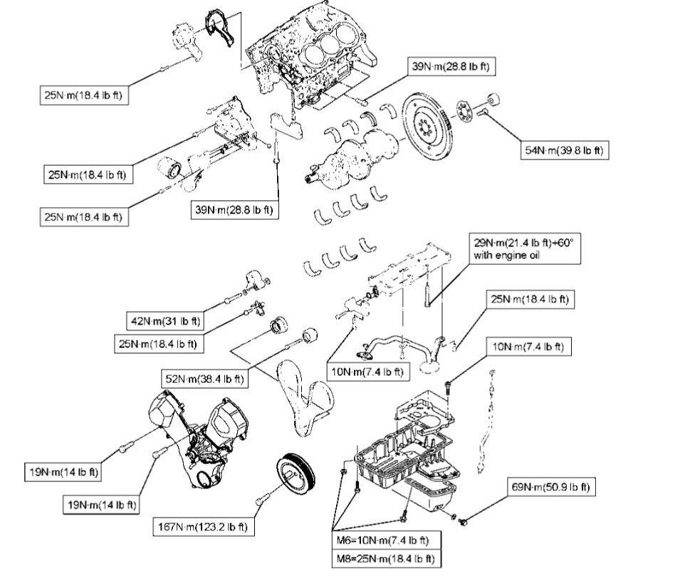
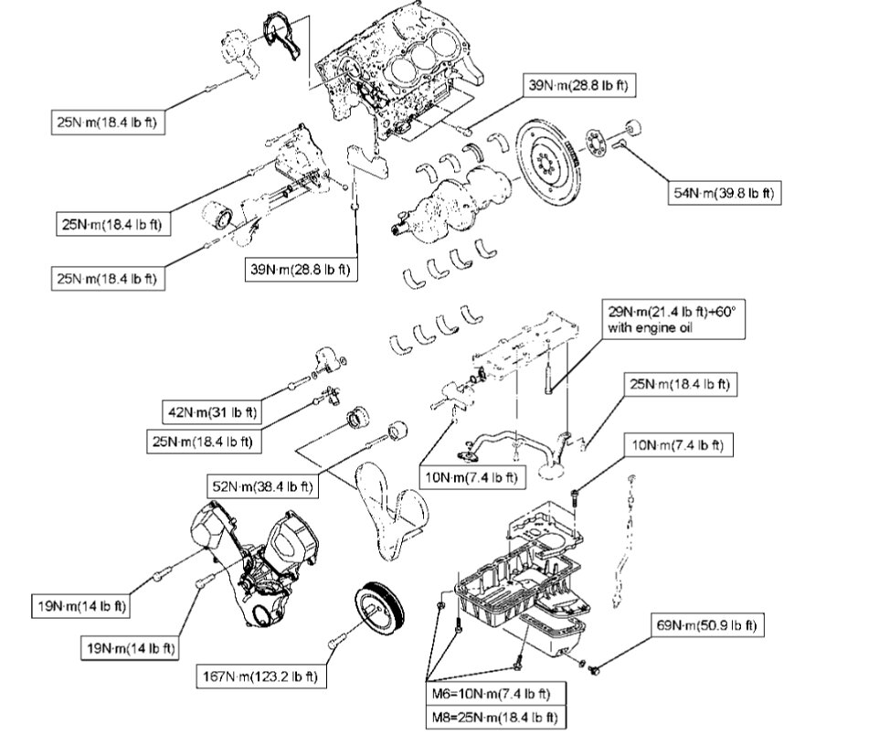
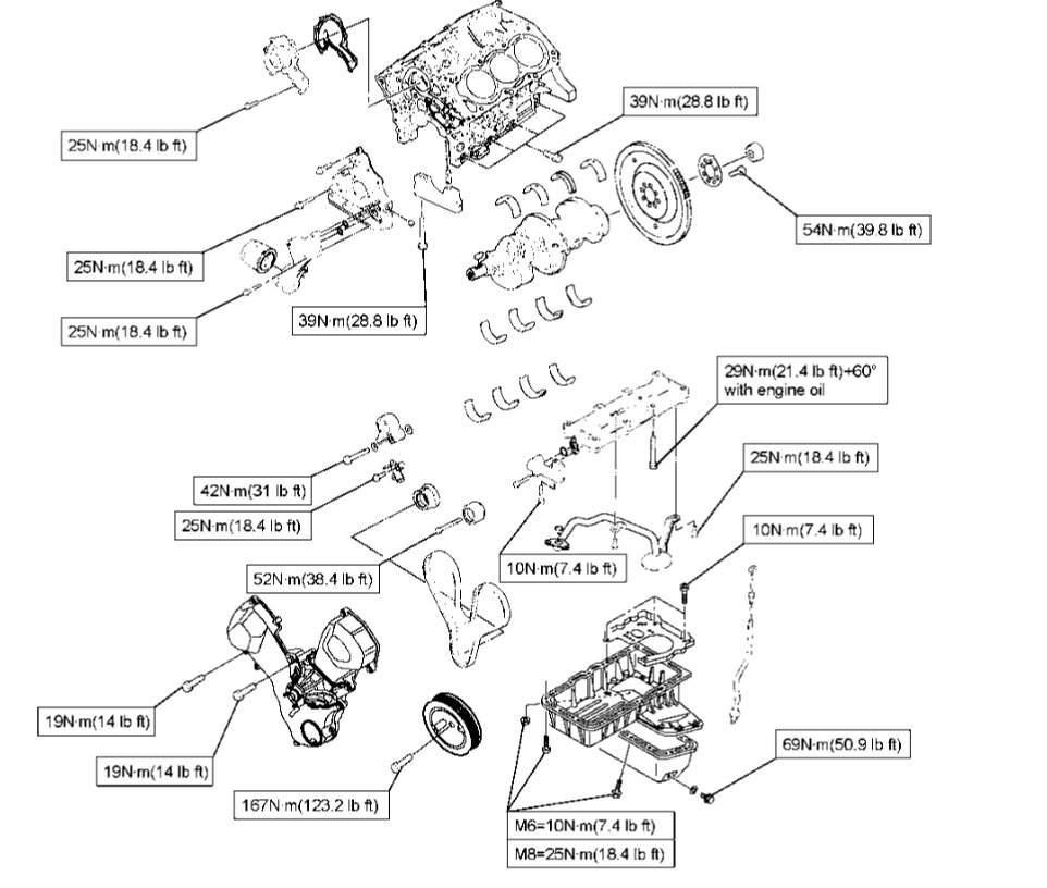
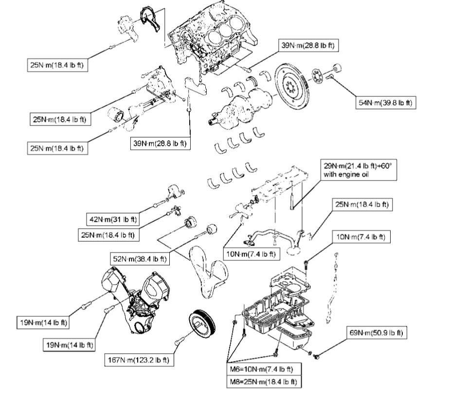
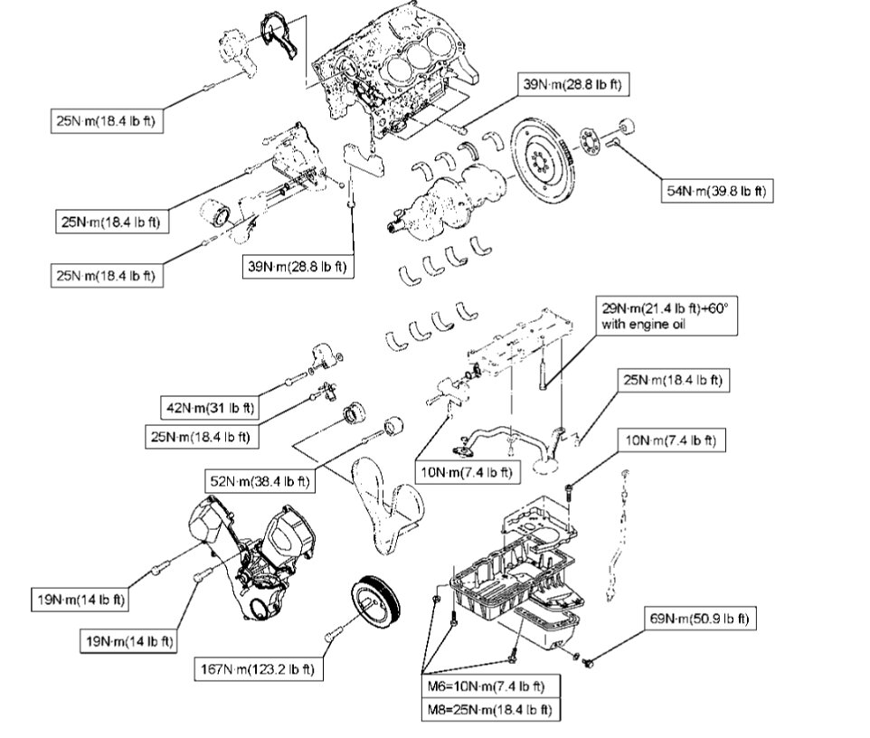
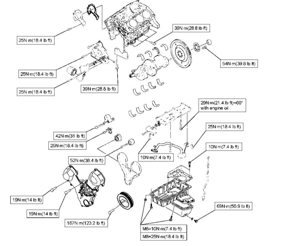
I have the vehicle listed above with the 3.5 6VE1 engine. It has jumped time due to a failure between dowel pin of intake camshaft and timing belt pulley of left cylinder head. This seems to be a common problem with this engine. Parts for this engine are rare and can’t be purchased at auto parts stores to my knowledge. This design engine with direct injection was only available for 10 months for the 2004 model, then discontinued. I was finally able to find a replacement cylinder head at a salvage yard that didn’t have the same issues. I had both right and left heads overhauled and now I’m ready to install them. I have researched all sources I know of for a repair manual for the 2004 Isuzu Rodeo 3.5 6VE1 engine and I am unable to locate one. As you may know, there are many differences between the 3.5 6VE1 and 3.2 6VD1 engines that were used in the 2004 Isuzu Rodeo. I was able to find directions for timing the crank and camshafts to install a new timing belt. I wasn’t able to find directions for bolt torque specifications for the 6VE1 engine. My most concern is the torque specs for the cylinder head bolts. A source for a repair manual for the 6VE1 engine would be great to locate, not only to resolve this issue but others in the future if were to occur.
If possible, could you please help with these matters? This project has been a nightmare.
Thanks,
RAB
Wednesday, June 7th, 2023 AT 6:46 AM

1 Reply

Tiny
KEN L
  • MASTER CERTIFIED MECHANIC
  • 55,404 POSTS
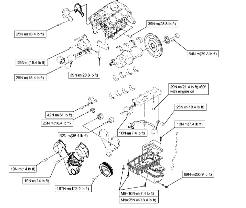
Here are the engine torque steps in the images below and information about the job itself: Check out the images (below). Please let us know if you need anything else to get the problem fixed.
Was this
answer
helpful?
Yes
No
Wednesday, June 7th, 2023 AT 11:54 AM

Please login or register to post a reply.