Head gasket replacement

1997 KIA SPORTAGE
200,000 MILES • 4 CYL • 4WD • AUTOMATIC
Avatar
SAM PARDUE
  • MEMBER
  • 1 POST
I need to lean or know how to replace the head gasket on my vehicle.
Nov 7, 2018 at 3:21 PM
Repair Safety Notice: This information is for general instructional purposes only. Vehicle repair can be dangerous. Verify all information, follow manufacturer service procedures, use proper tools and safety equipment, and consult a qualified repair shop when needed.
Advertisement
Avatar
JACOBANDNICKOLAS
  • CAR REPAIR CONTRIBUTOR
  • 110,190 POSTS
Hi and thanks for using 2CarPros.

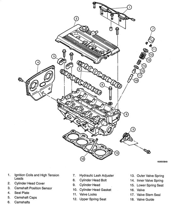
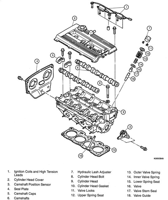
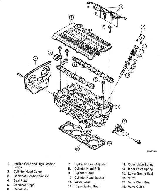
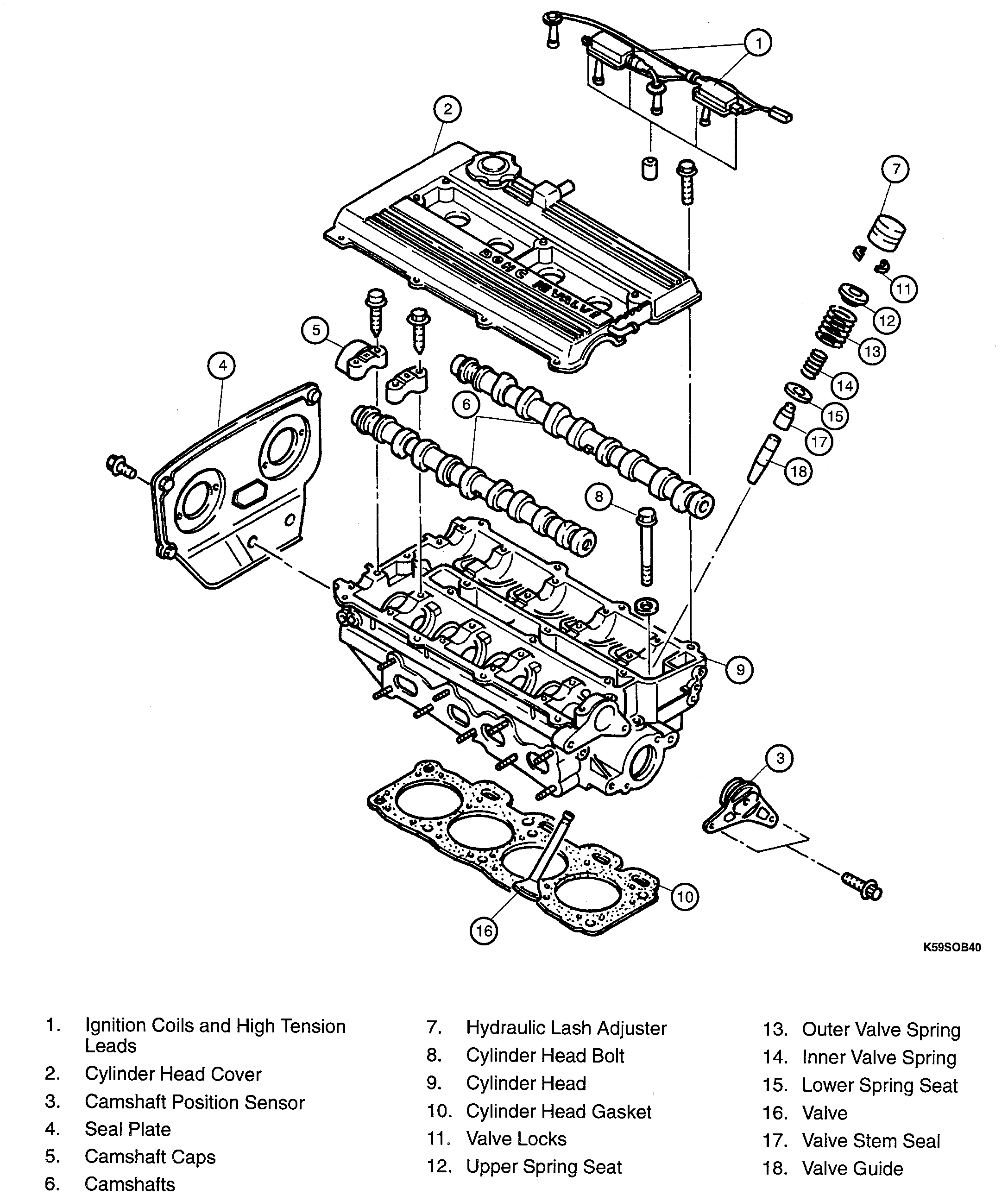
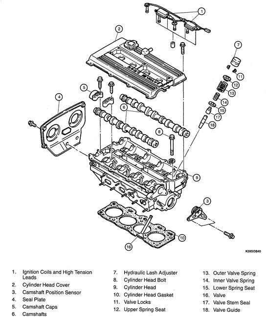
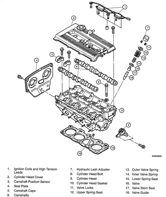
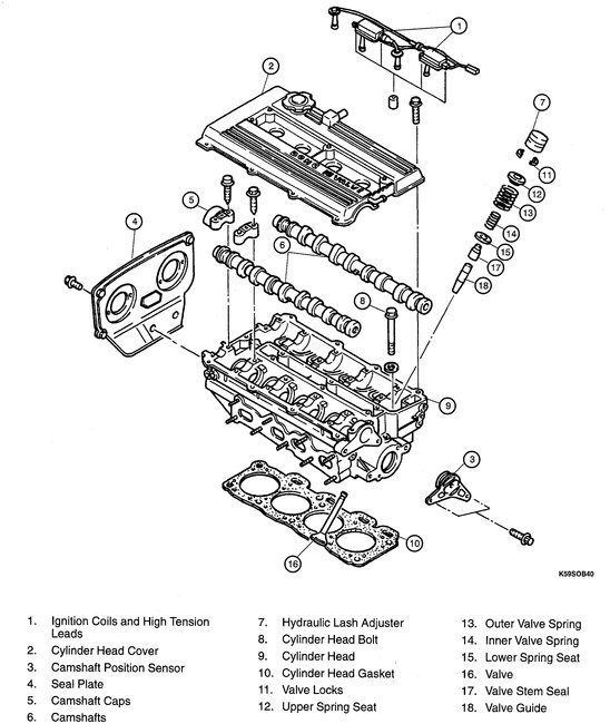
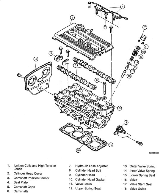
Here are the directions for replacing the head gasket. All attached pictures correlate with these directions.

_______________________
REMOVAL
1. Disconnect the negative battery cable.
2. Remove the cylinder head cover.
3. Remove the timing belt.

4. Remove the EGR solenoid connector located at the front of the dynamic chamber.

Fig. 4 Brake Booster Replacement

5. Remove the brake booster vacuum hose from the dynamic chamber.
6. Remove the fuel line from the pressure regulator and the return line located at the rear of the dynamic chamber.
7. Remove the cruise control vacuum hose from the intake manifold.
8. Remove the engine-to-body ground wire from the intake manifold and the harness bracket below it.
9. Remove the radiator cap.
10. Remove the radiator drain plug and drain the engine coolant into a suitable container.
11. Tighten the radiator drain plug.
12. Remove the vacuum line from the bottom of the EGR valve.
13. Remove the purge solenoid valve vacuum hose from the dynamic chamber.
14. Loosen the two clamps and disconnect the upper radiator hose.
15. Remove the three intake manifold support bracket bolts and bracket.
16. Remove the three converter inlet pipe flange locknuts.
17. Remove the ten cylinder head bolts and carefully lift the cylinder head off the cylinder block with the intake and the exhaust manifolds attached.
18. Disconnect the three wire harness connectors on the back of the cylinder head and remove the cylinder head assembly from the vehicle.


INSTALLATION
1. Place the new cylinder head gasket in position.
2. Place cylinder head with manifolds installed over cylinder block and attach the three wire harness connectors to the back of the head.
3. Lower cylinder head onto cylinder block.
4. Install the ten cylinder head bolts.

Cylinder Head Bolt Tightening Sequence
5. Tighten the cylinder head bolts to specification. Follow the pattern shown, and tighten in 3 equal steps to 50-64 ft. lbs. (80-87 Nm).
6. Install cylinder head cover.
7. Install the timing belt.
8. Install the three converter inlet pipe flange locknuts and tighten to 24 ft. lbs. (33 Nm).
9. Install the upper radiator hose and tighten the two clamps.
10. Fill radiator and install cap.
11. Install the vacuum hose from the intake manifold to the charcoal canister.
12. Install the purge solenoid vacuum hose to the dynamic chamber.
13. Install the vacuum line to the EGR valve.
14. Install the engine-to-body ground wire and the harness bracket to the intake manifold. Tighten retainer to 14-18 ft. lbs. (19-25 Nm).
15. Install the fuel line to the pressure regulator and the return line to the fuel rail located at the rear of the dynamic chamber.
16. Install the brake booster vacuum hose to the dynamic chamber.
17. Reconnect the EGR solenoid connector.
18. Reconnect the negative battery cable.

____________________________

Let me know if this helps. If you have other questions, let me know.

Take care,
Joe
Nov 7, 2018 at 7:09 PM
Advertisement