Wednesday, May 1st, 2013 AT 5:58 AM
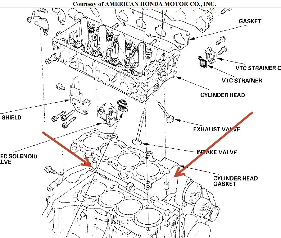
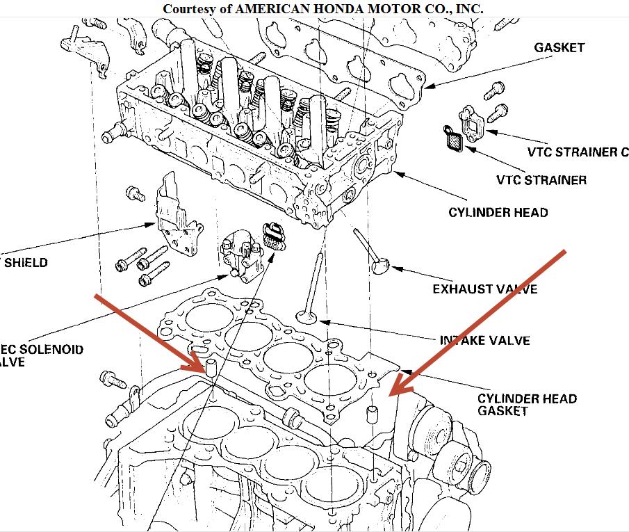
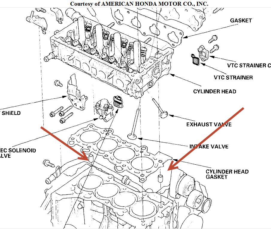
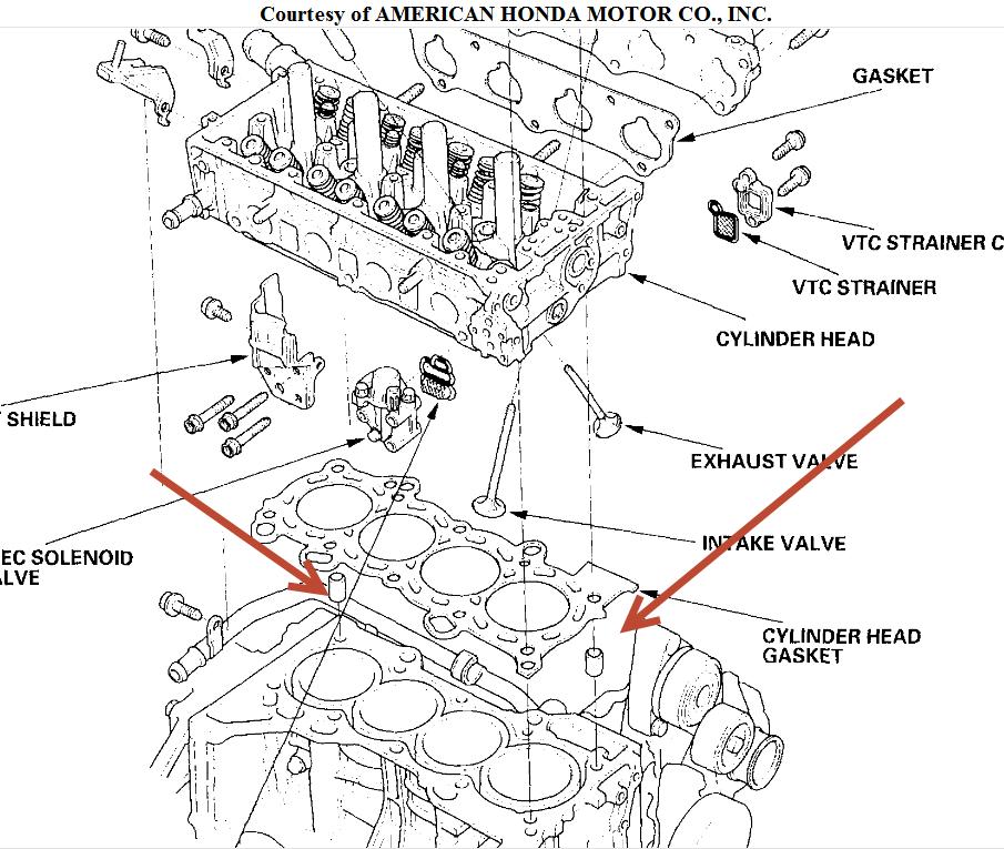
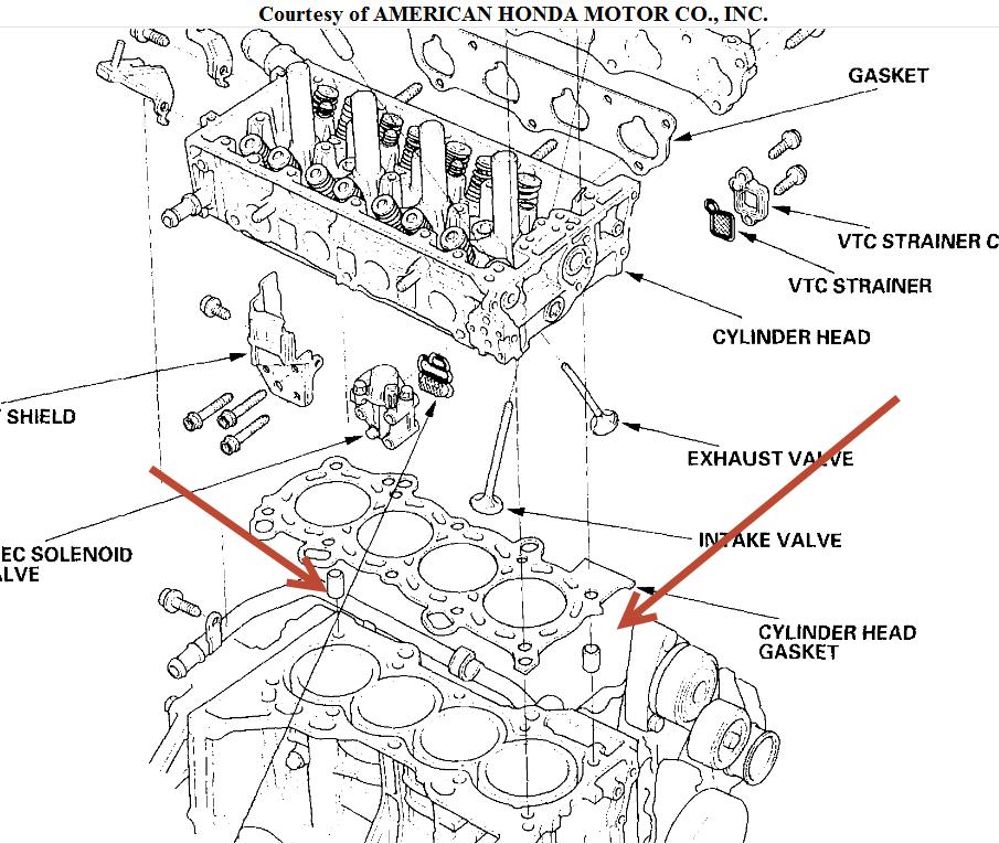
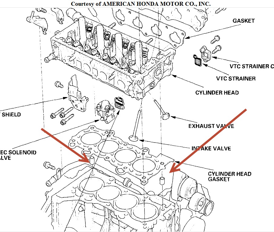
I have a 2003 RAV 4. I am changing the head gasket which is a chore and I am down to the gasket itself. I got all 10 bolts off but the darn thing will not come out. What step am I missing? It seems to have something else holding it on/in there, but it is loose and moves but doesn't come off. HELP!



