HOME
ASK A QUESTION
REPAIR GUIDES
BECOME A MEMBER
LOG IN
Login with Facebook
OR
Remember me
NOT A MEMBER?
FORGOT PASSWORD?
CONTACT US
PRIVACY POLICY
TERMS AND CONDITIONS
☰
Home
Toyota
Other
Exterior Light
Hazard Light
Switch
Bypassing hazard light switch
DANIEL FARRINGTON
MEMBER
2001 TOYOTA
1.8L
4 CYL
2WD
AUTOMATIC
200,000 MILES
Need to bypass hazard light switch so turn signal work on my Toyota Opa. Please help
Monday, April 10th, 2017 AT 4:36 PM
1 Reply
KEN L
MASTER CERTIFIED MECHANIC
55,322 POSTS
Hello, Daniel,
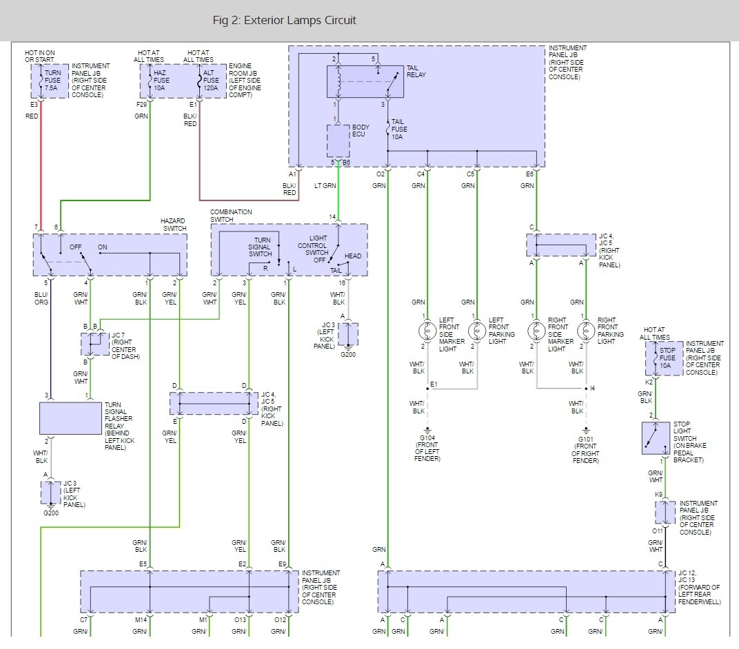
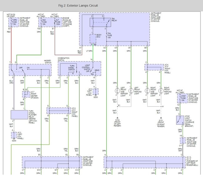
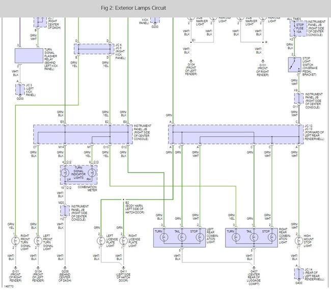
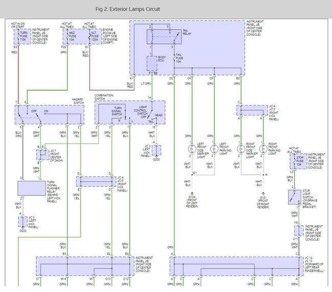
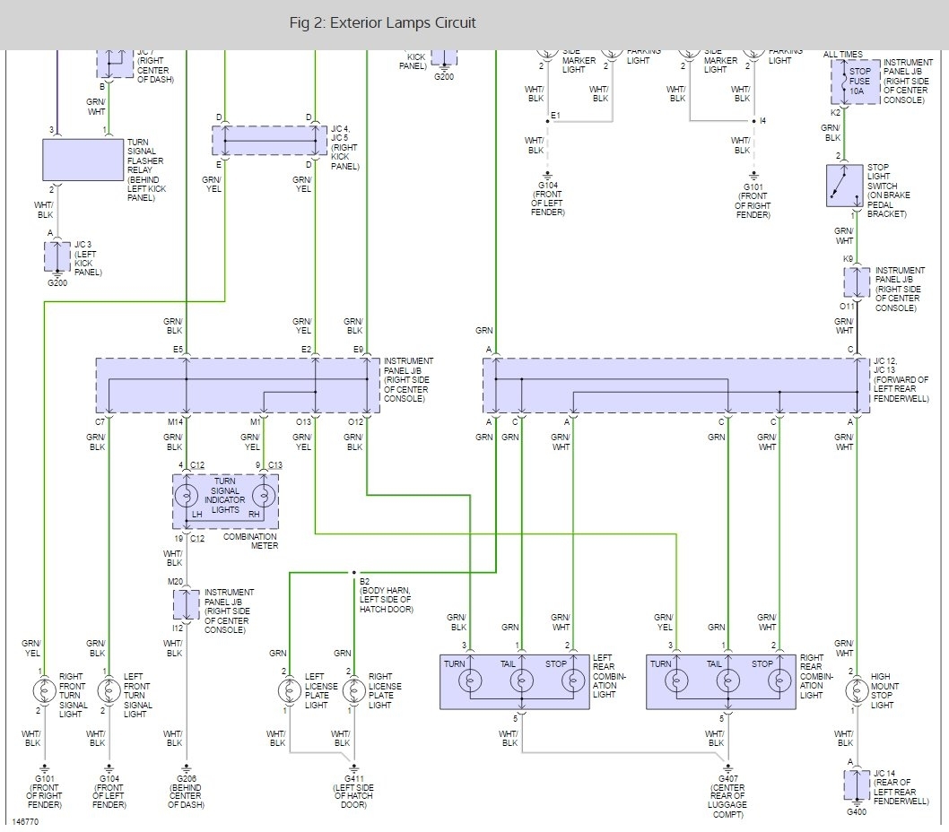
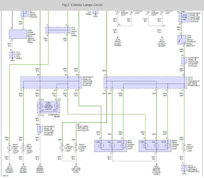
I founds these hazard and turn signal wiring diagrams for you.
Please let me know if you need anything else to get the problem fixed.
Best, Ken
Images (Click to make bigger)
Was this
answer
helpful?
Yes
No
Wednesday, April 12th, 2017 AT 7:09 PM
Please
login
or
register
to post a reply.
Related Hazard Light Switch Content
2004 Toyota Brake Light("!") Indicato
Hi, I Have A 2004 Toyota Solara V6 Standard Model, Hardtop Not The The Convertible. The Check Brake Light Came On And I Looked At The...
Asked by
Toyotaowner001
·
1 ANSWER
2004
TOYOTA OTHER
92 Toyota Cellica Flip Lights
The Right Flip-up Light On My Toyota Is Stuck Down. Where Exactly Is The Motor So I Can Manually Crank It Up? And Once It Is Up, Is It...
Asked by
oderus
·
2 ANSWERS
1992
TOYOTA OTHER
Ask a Car Question. It's Free!
How to Use a Test Light
Turn Signals Blink Fast
Have a Dim Headlight? - Try Replacing This!