Hazard lights inoperable

Tiny
93CHEVY1500
  • MEMBER
  • 1993 CHEVROLET 1500
  • 5.7L
  • V8
  • 2WD
  • AUTOMATIC
  • 235,000 MILES
All lights work. Turn signals work normally. When hazard button is pressed, hazards do not come on. When brake pedal is pressed turn signals come on but do not flash. Any help?
Thursday, October 10th, 2019 AT 6:14 AM

10 Replies

Tiny
JACOBANDNICKOLAS
  • MECHANIC
  • 110,194 POSTS
Welcome to 2CarPros.

When you press the brakes, which lights come on, exterior signal (front and rear) or the signal indicator lights on the instrument panel? First, there is a good chance the hazard switch is bad. As far as the signal lights, if you mean they stay on but stop flashing when the brake is applied, we could have a ground issue.

Fuse 183 in the attached pic provides power for both the signals and the hazard lights, so that isn't an issue.

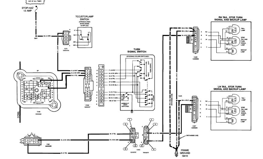
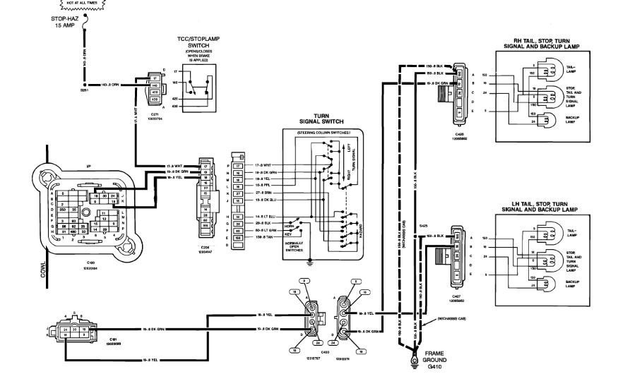
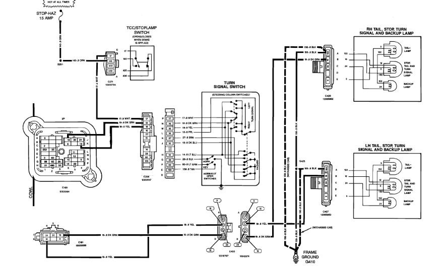
Also, I attached a copy of the wiring schematic for the signal and brake lights. Everything is tied together as you will see.

It wasn't uncommon for the tail light assembly which has a printed circuit board in it to fail. Have you checked everything there? A short, ground issue or damaged connectors could cause the issue.

Let me know.

Joe
Was this
answer
helpful?
Yes
No
+1
Friday, October 11th, 2019 AT 5:24 PM
Tiny
JACOBANDNICKOLAS
  • MECHANIC
  • 110,194 POSTS
Hi:

There is a post indicating you replied, but nothing is attached. What did you find or did you have other questions?

Joe
Was this
answer
helpful?
Yes
No
Monday, October 14th, 2019 AT 5:32 PM
Tiny
93CHEVY1500
  • MEMBER
  • 5 POSTS
Yes sorry. When I switch the hazard lights on nothing comes on but when I press the brake pedal the front and rear lights come on and the indicator comes on as well.
Was this
answer
helpful?
Yes
No
Monday, October 14th, 2019 AT 5:53 PM
Tiny
JACOBANDNICKOLAS
  • MECHANIC
  • 110,194 POSTS
Welcome back:

Do me a favor. Disconnect the brake light switch and see if they work. Something is either causing power to back feed to the switch or there is a ground issue. The schematics are somewhat difficult to follow, and due to the model year, they are quite limited.

Let me know what happens.

Joe
Was this
answer
helpful?
Yes
No
Monday, October 14th, 2019 AT 8:52 PM
Tiny
93CHEVY1500
  • MEMBER
  • 5 POSTS
Removed the switch and it still did not work. If the brake switch is bad internally could that cause it to not flash? I plugged it back in and the switch itself got warm when the hazard lights were on but not flashing.
Was this
answer
helpful?
Yes
No
Thursday, October 17th, 2019 AT 6:05 PM
Tiny
JACOBANDNICKOLAS
  • MECHANIC
  • 110,194 POSTS
Welcome back:

Normally I would say no, but it is getting warm, something isn't right. Do you have a switch you can switch with it to see if things change?
Was this
answer
helpful?
Yes
No
Thursday, October 17th, 2019 AT 7:22 PM
Tiny
93CHEVY1500
  • MEMBER
  • 5 POSTS
I don’t. I think I may have to buy one and recheck.
Was this
answer
helpful?
Yes
No
Thursday, October 17th, 2019 AT 7:38 PM
Tiny
JACOBANDNICKOLAS
  • MECHANIC
  • 110,194 POSTS
Welcome back:

Just make sure to not damage the box it comes in so it can be returned if that isn't the issue. Often times parts stores will not return an electrical component that was installed.

I hope that makes sense.

Joe
Was this
answer
helpful?
Yes
No
Thursday, October 17th, 2019 AT 7:44 PM
Tiny
93CHEVY1500
  • MEMBER
  • 5 POSTS
Thanks. Makes sense.
Was this
answer
helpful?
Yes
No
Thursday, October 17th, 2019 AT 8:41 PM
Tiny
JACOBANDNICKOLAS
  • MECHANIC
  • 110,194 POSTS
You are welcome. Let me know what you find.

Take care,
Joe
Was this
answer
helpful?
Yes
No
Thursday, October 17th, 2019 AT 9:27 PM

Please login or register to post a reply.