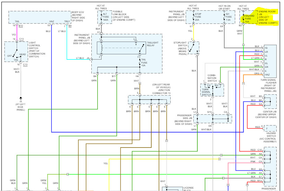
Hello, the vehicle hazard light is not functioning when the button has been pressed but both the left and right turn signal lights are functioning. What could be the cause?
Could I get I wire diagram for this?
Thank you very much.
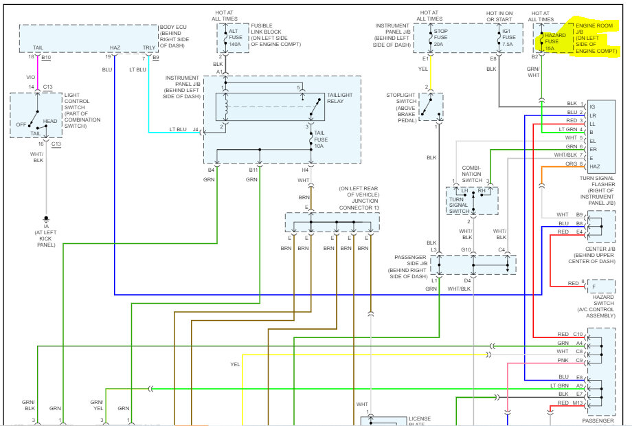
Could I get I wire diagram for this?
Thank you very much.
Sep 4, 2023 at 12:05 PM












