Friday, August 30th, 2024 AT 10:26 AM
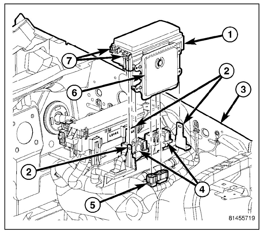
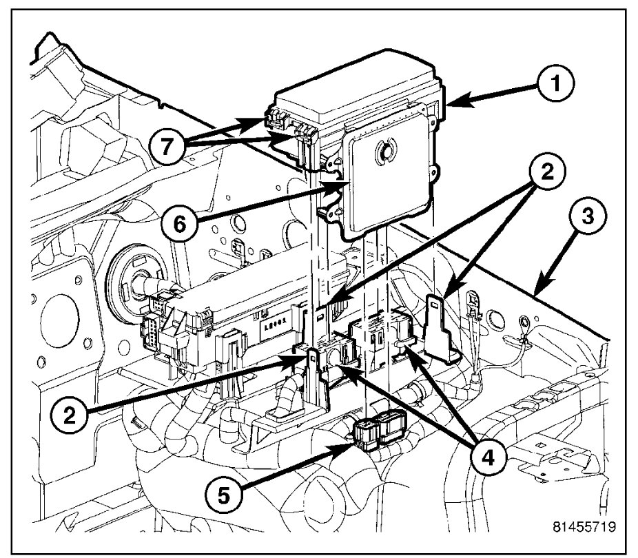
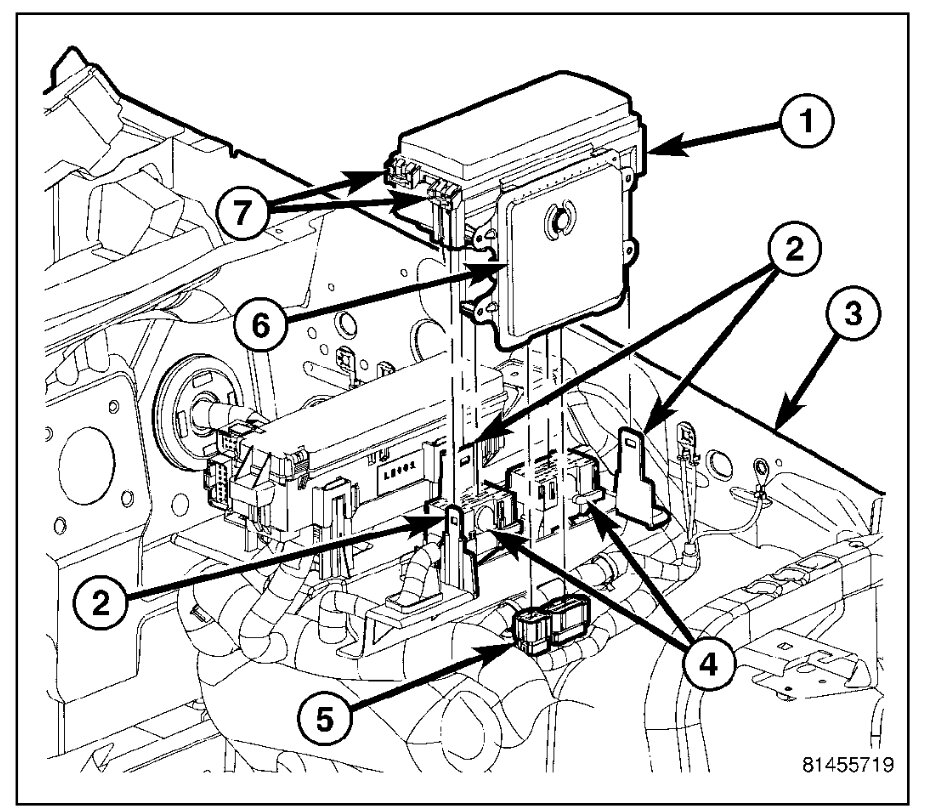
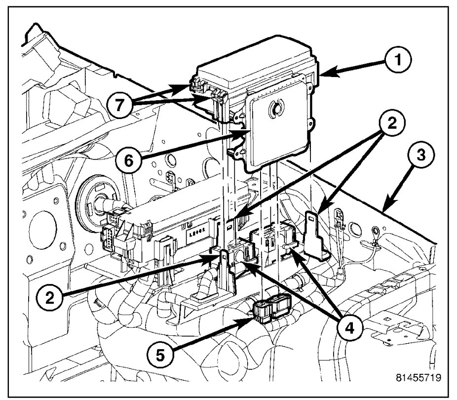
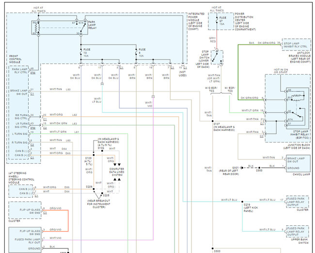
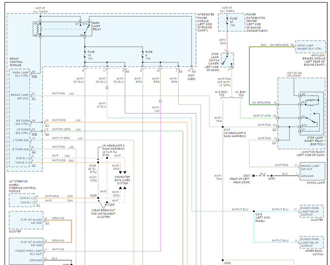
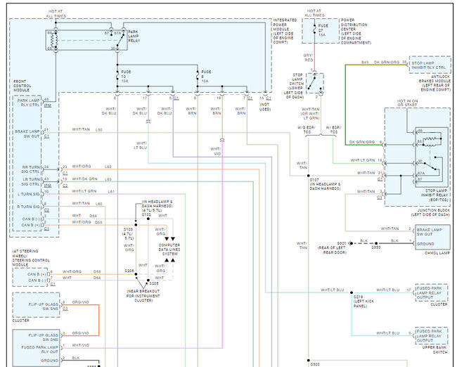
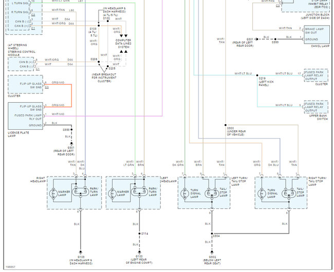
So, it seems impossible to get the correct info on the 2005 model. Some say this model has no fuse or relays, and some say in different location.I been researching for a week every were.I even pull 3 more hazard switches from the junk yard. None worked so odds are it's not the switch. There is nothing else in my jeep that doesn't work, so it can't be a 2 for 1 issue.I did find some say that a relay can go out 50% meaning blinkers can still work when hazard don't.I dunno. So today I discovered that if u reach up directly behind the fuse box under the kick panel that I could feel some relays back there. They are literally plugged into the back of the fuse box for the opposite side. But u can't see how many or identify them.I almost pulled one out, but I was afraid I wouldn't get it back in the right spot. Nothing I found online to help me. Well anyway if u have a 05 and can't find a few relays, that's a place where you will find a few more.I know some models have some way up top of the fuses under the kick panel area. Like I said there are some on the back side, just enough room to get your hand behind there.I hope someone can help me get my hazard working.I need them for inspection sticker.I can't afford to send this to a dealership, and get charged thousands for this. Thank u all. Hope at least the rest of y'all know we're u can find some more missing relays. Wish I could tell which ones they are. Hoping one is the one I'm looking for maybe. Lol




