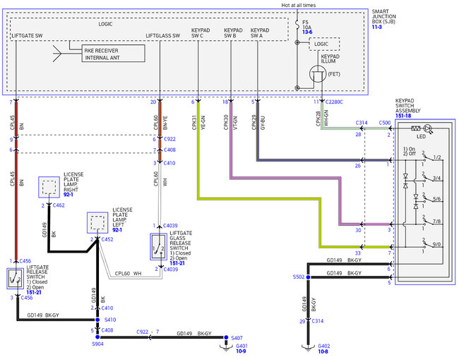
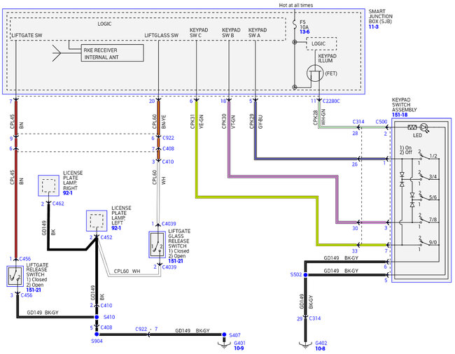
Thursday, July 6th, 2023 AT 5:13 AM
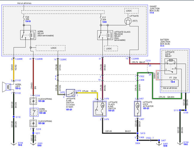
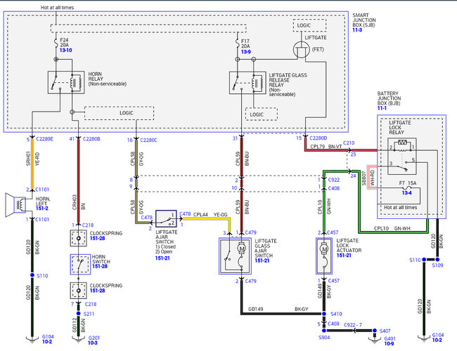
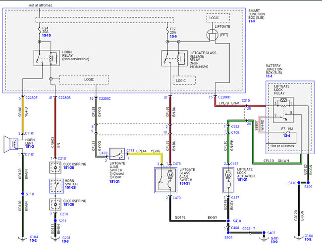
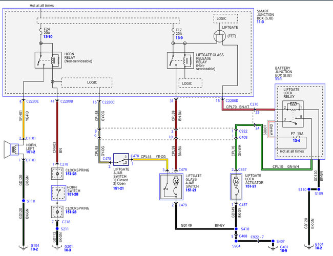
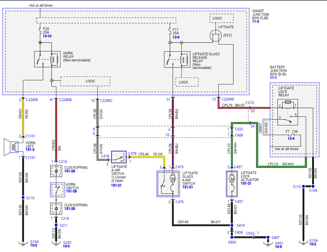
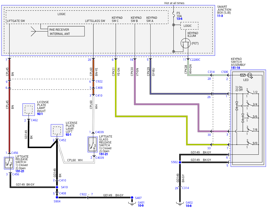
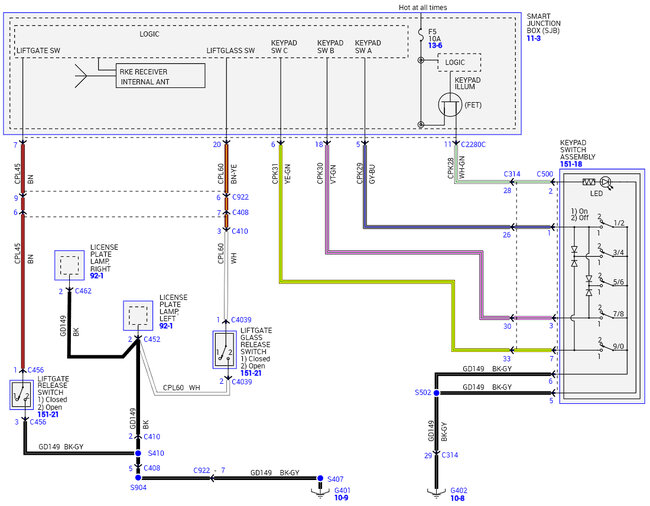
Rear hatch and glass will not open. I do not hear them unlocking. I have changed the hatch. I have power at the lock plug. I think I have got the wrong ground hooked up. Could you tell me which color wires should be hooked up?

