Harness swap

Tiny
G MIGUEL PONCE LR
  • MEMBER
  • 2004 CHRYSLER CONCORDE
  • 3.5L
  • 6 CYL
  • 4WD
  • AUTOMATIC
  • 180,000 MILES
I need a harness for my car listed above. Does the Dodge Intrepid 2.7 harness fit?
Sunday, October 18th, 2020 AT 12:11 AM

1 Reply

Tiny
KASEKENNY
  • MECHANIC
  • 18,907 POSTS
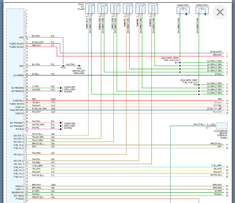
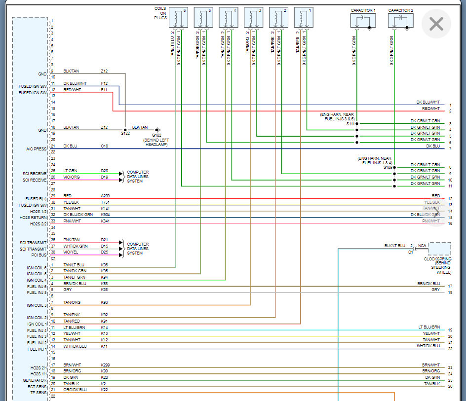
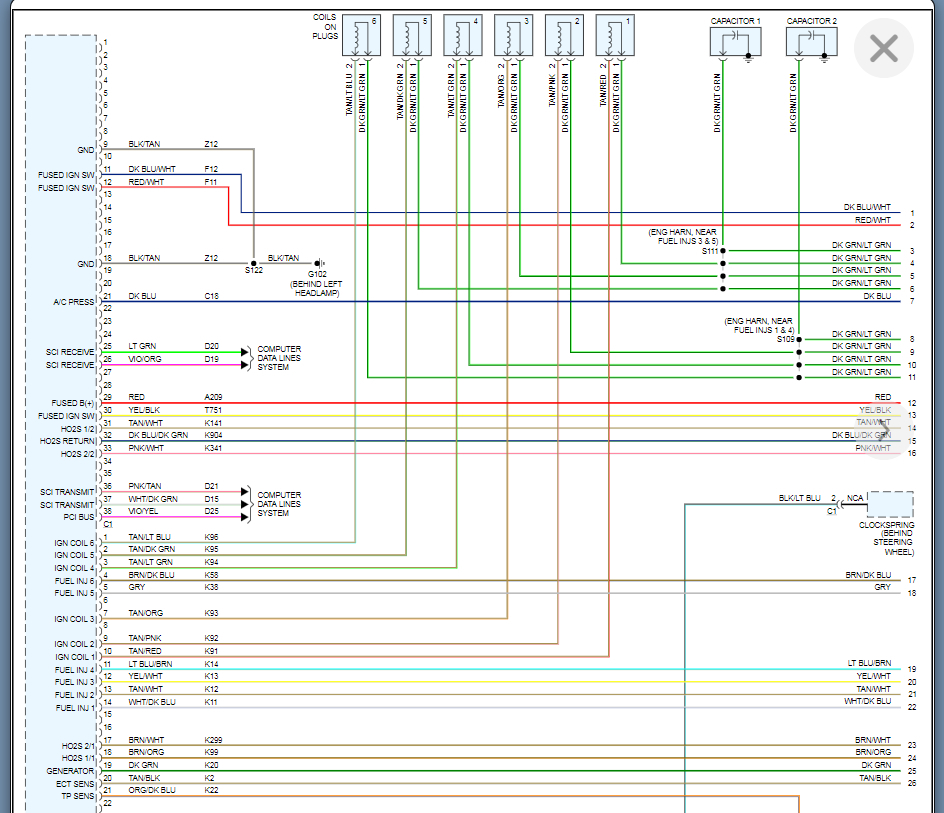
I assume you mean the engine harness? It appears to be similar enough that it can work. I attached the wiring diagram for the 2.7L so that you can review your harness compared to this diagram and if there is something different then I would just use the connector off of your harness and rewire the 2.7L harness so that it works on your engine. Again, they are different part numbers so technically they are not the same so as you are installing it, you may find some wires in the wrong place. If that is the case it will require some wiring repairs. However, if it were me, I would give go for it. If you want to be sure that this is just plug and play and you don't want to do any rewiring, then I would not attempt it.

Let us know if you have questions. Thanks
Was this
answer
helpful?
Yes
No
Sunday, October 18th, 2020 AT 10:03 AM

Please login or register to post a reply.

Related General Content