Saturday, March 14th, 2020 AT 9:00 PM
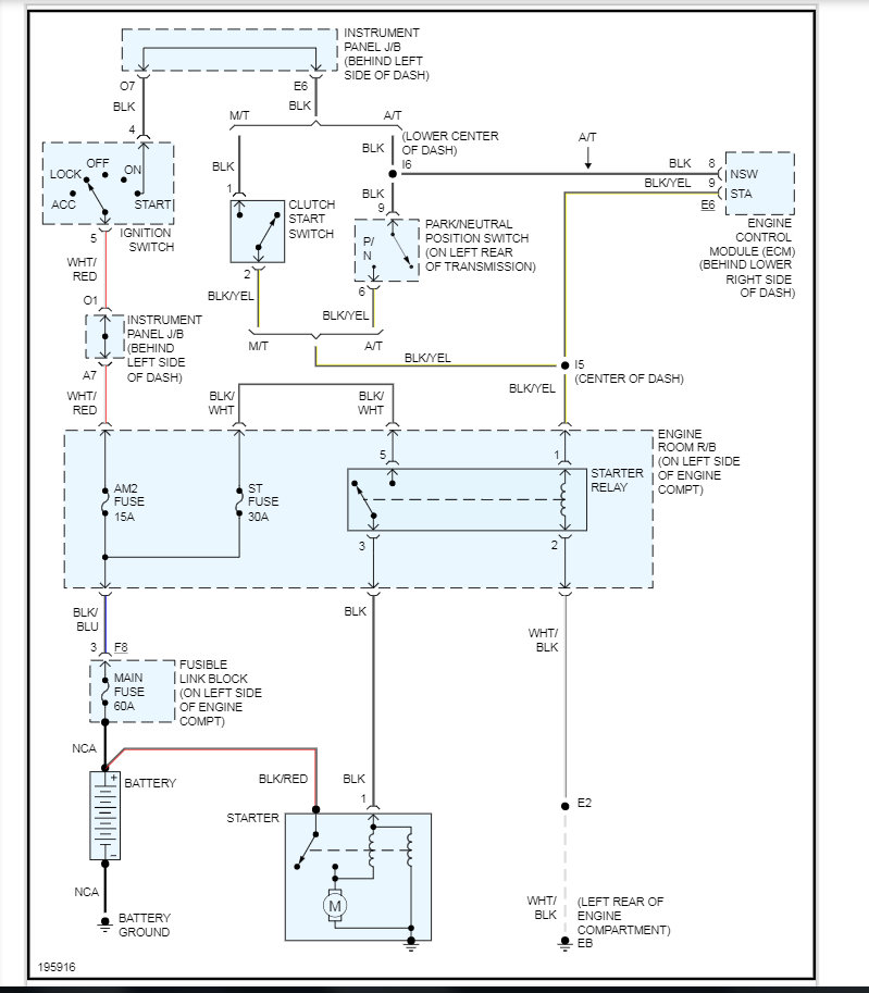
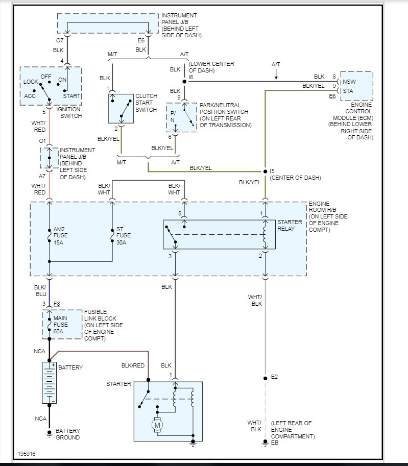
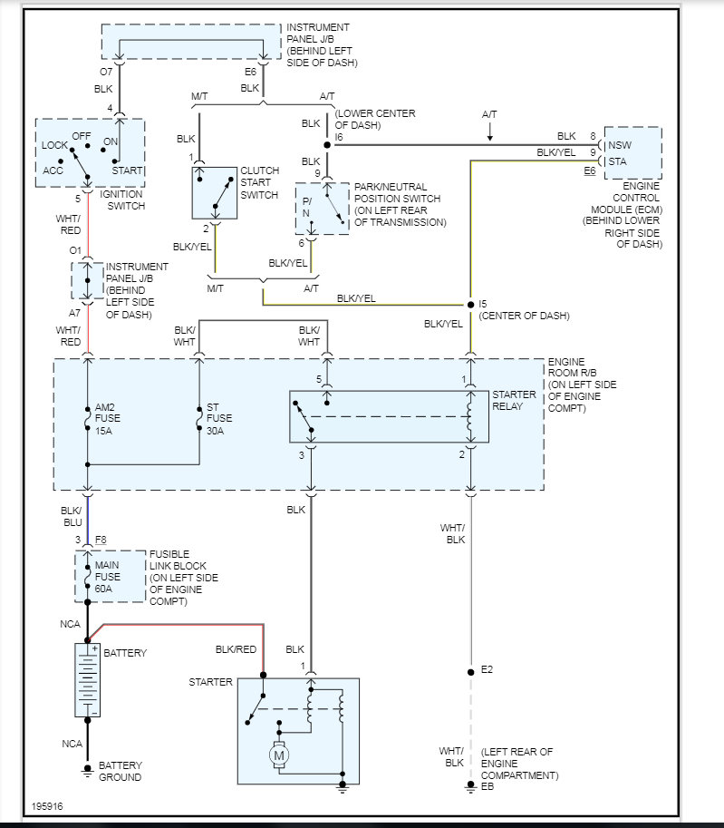
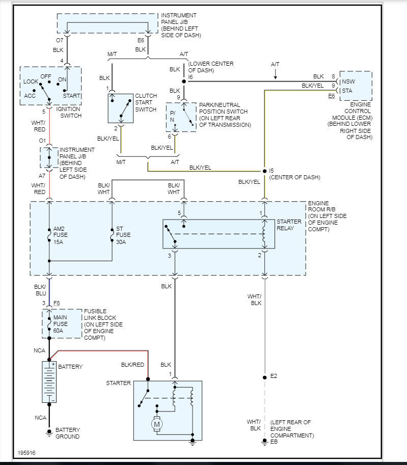
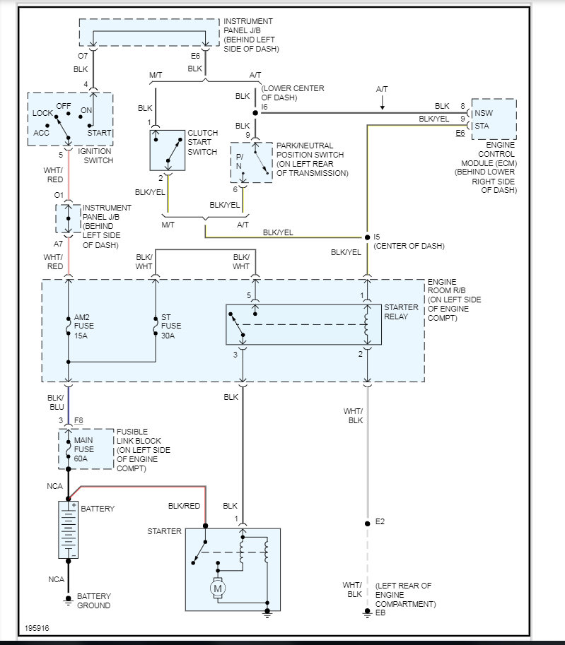
I replaced the battery and 120 alternator fuse link. Car does not crank, but I hear a quick double knock click sound. Plus my 15 am2 fuse is blown and when I went to replace it with a new 1 with the car off no key in ignition it blew the new 1 also. I have ordered a new starter relay fuse and hoping that fix it. Any idea whats going on?



