Sunday, September 10th, 2023 AT 2:52 PM
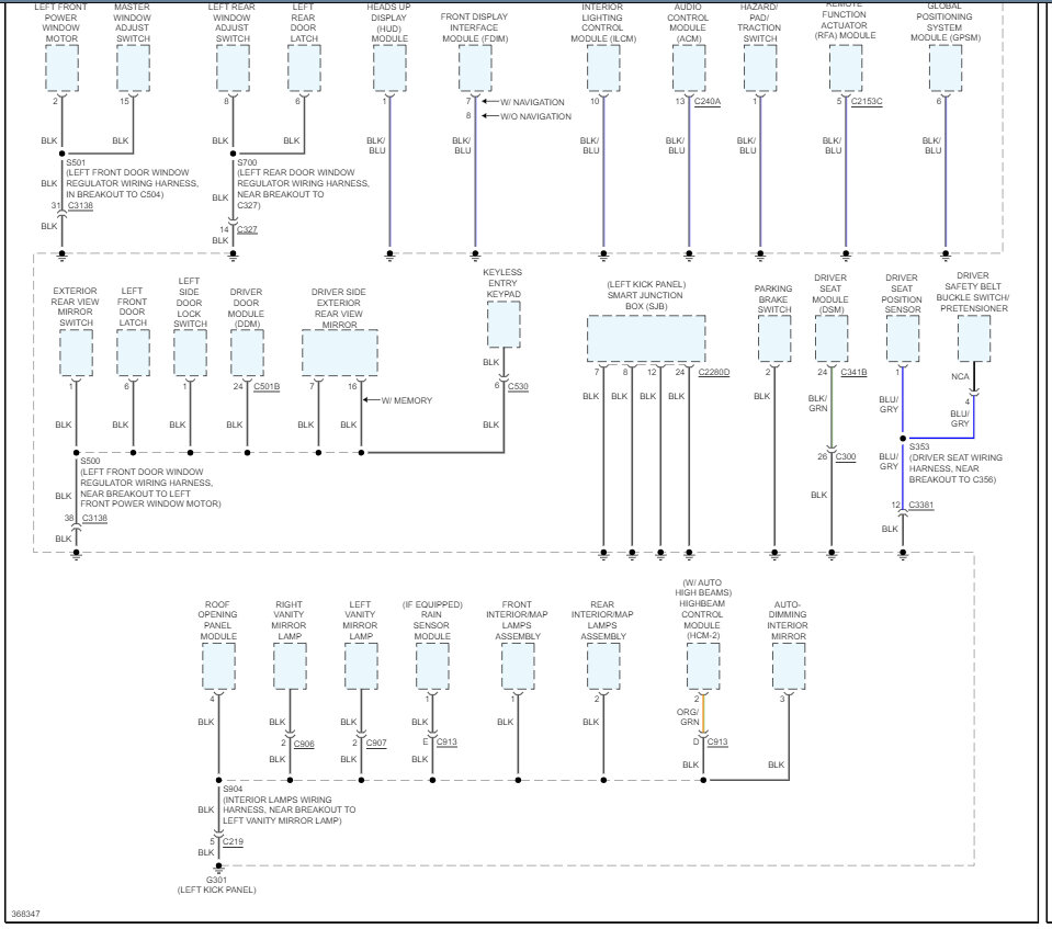
Where are interior grounds located, specifically? Ignition is trying to go off/on by itself, radio won't go off, heat is stuck blowing on high?

















