Grounded wire

Tiny
OKLA-OKI
  • MEMBER
  • 1994 JAGUAR XJS
  • 4.0L
  • 6 CYL
  • 2WD
  • AUTOMATIC
  • 75,000 MILES
There is a small black wire on the positive side of the coil which is grounded.

When you turn the ignition on, the grounded wire is going to cancel out the ignition.

Why is the black wire grounded?

Thank you for your response.
Tuesday, January 22nd, 2019 AT 2:14 PM

3 Replies

Tiny
JACOBANDNICKOLAS
  • MECHANIC
  • 110,192 POSTS
Hi and thanks for using 2carpros. Com

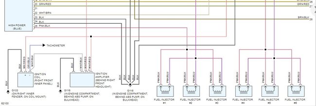
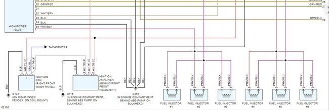
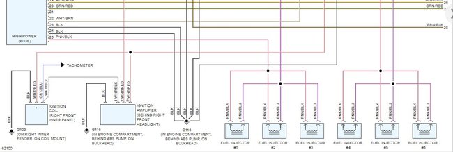
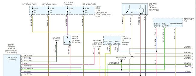
There shouldn't be a black on the + side. Take a look at the attached pictures. One is a schematic of the wiring to the coil. Pic 2 shows wires to the coil.

Let me know if this helps or if you have other questions.

Joe
Was this
answer
helpful?
Yes
No
Tuesday, January 22nd, 2019 AT 8:55 PM
Tiny
OKLA-OKI
  • MEMBER
  • 5 POSTS
Thank you for your reply. Can you please furnish me with a WIRING DIAGRAM FROM THE IGNITION TO THE COIL. This, I believe will be most helpful at this point to confirm my problem. THANK YOU for your assistance, it is much appreciated.
Was this
answer
helpful?
Yes
No
Sunday, January 27th, 2019 AT 9:16 AM
Tiny
JACOBANDNICKOLAS
  • MECHANIC
  • 110,192 POSTS
Welcome back:
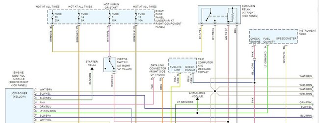
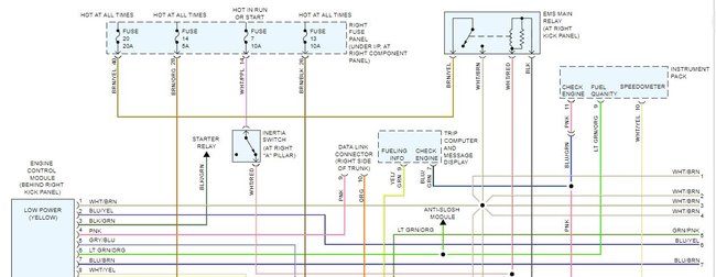
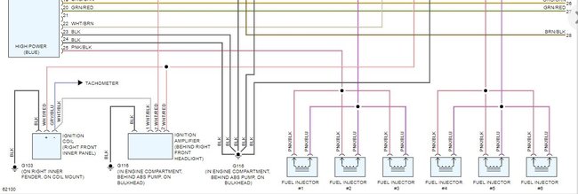
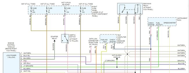
I have attached several pictures below. The wiring schematics run over a couple pages, so I had to break them down to get all the information.

What I did was to overlap from one pic to the next so you can follow them. These pictures include all engine controls.

To help you first locate the coil, see picture 4. It is on the lower left side of the schematic.

Let me know if this helps or if you have other questions.

Take care,

Joe
Was this
answer
helpful?
Yes
No
+1
Sunday, January 27th, 2019 AT 4:50 PM

Please login or register to post a reply.